Brake lites

Tiny
CARSHOMESCHOOL
  • MEMBER
  • 2001 VOLVO S80
  • 6 CYL
  • FWD
  • AUTOMATIC
  • 144,000 MILES
Lower brake lites out/third lite works----new bulbs-volvo model s60---2001
Monday, December 27th, 2010 AT 2:00 AM

3 Replies

Tiny
JACOBANDNICKOLAS
  • MECHANIC
  • 110,194 POSTS
If you are getting power to the 3rd light, there has to be a wiring issue between the switch and the lights; otherwise, the 3rd light wouldn't work. What I need you to do is pull the tail light assembly out and check wiring to the sockets. Start from there and trace the wiring form there toward the front of the vehicle. There is a plug that attaches the wiring harness. Disconnect it and make sure nothing is corroded or damaged.

Let me know what you find.
Joe
Was this
answer
helpful?
Yes
No
Monday, December 27th, 2010 AT 2:27 AM
Tiny
JIS001
  • MECHANIC
  • 3,412 POSTS
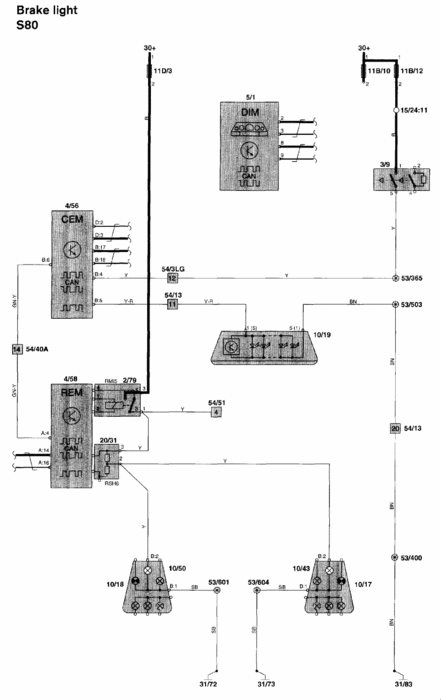
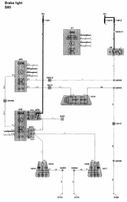
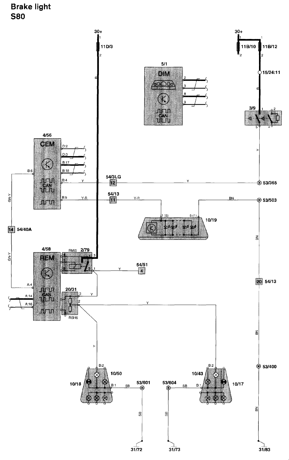
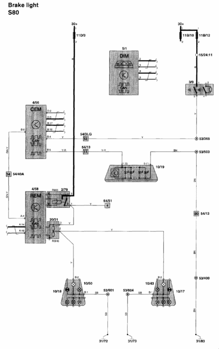
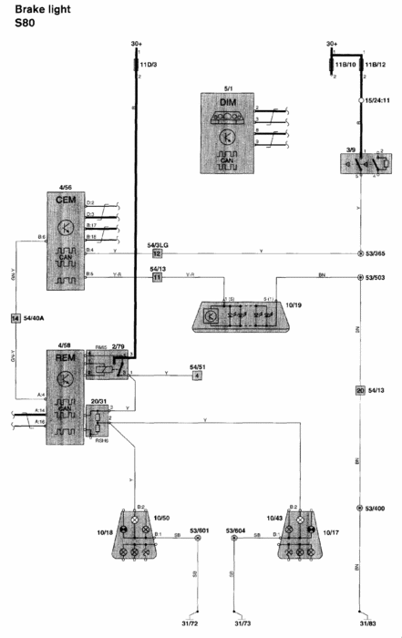
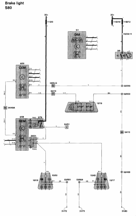
Check the brake light relay in the Rear Electronic Module. The module is located in the trunk on the left side. Fold down the panel to access. I will attach a wiring diagram. Let me know what you find. If there seems to be an issue with the module, before you replace it let me know. You may not need to replace it. But I would start with the relay and also checking the shunt as you will see in the diagram.
Was this
answer
helpful?
Yes
No
Sunday, January 2nd, 2011 AT 10:33 PM
Tiny
JIS001
  • MECHANIC
  • 3,412 POSTS
Also here is the diagram legend.

Diagram Legend
Information
1/1 Battery
2/14 Relay Glow Plug Unit
2/16 Relay, Intermittent Rear Window Wiping On/Off
2/17 Horn Relay
2/22 AC Relay
2/23 Fuel Pump Relay
2/29 Relay, Extended X Feed
2/30 X Feed Overload Relay
2/31 15-Feed Overload Relay
2/32 Engine Control Module Main Relay
2/34 Fog Light Relay, Front
2/35 Starter Motor Relay
2/49 Fog Light Relay, Rear
2/52 15 Feed Relay, Rear Accessory
2/58 Locking Relay, Fuel Filler Flap
2/59 Unlocking Relay, Fuel Filler Flap
2/61 Parking Light Relay
2/62 Low Beam Relay
2/63 High Beam Relay
2/67 Relay, Trunk lid/Tailgate opening
2/72 Relay, Rear Window Wiper
2/74 Relay, Coolant Heater 1
2/75 Relay, Adjustable Head Restraint, Rear
2/79 Brake Light Relay
2/80 Reversing Light Relay
2/82 Heated Rear Window Relay
2/83 Relay, Fog Light, Trailer
2/90 Relay, Windscreen Wiper, Low/High Speed
2/91 Relay, Intermittent Windscreen Wiper
2/92 Relay, Windscreen Washer Motor
2/93 Relay, Rear Window Washer Motor
2/101 Relay, Extended X Feed, Automatic Transmission
2/109 Relay, Coolant Heater 2
2/111 Locking Relay, LH Rear
2/112 Unlocking Relay, LH Rear
2/113 Locking relay, RH rear
2/114 Unlocking relay, RH rear
2/115 Relay, Deadlock, Rear Doors
2/116 Relay, Power Window Up, LH Rear
2/117 Relay, Power Window Up, RH rear
2/118 - 119 Relay, Power Window Down, LH Rear
2/120 Relay, Power Window Childlock, Rear Door
2/136-137 Relay, Pager Alarm
2/138 Door Blocking Relay, LH Rear
2/139 Door Blocking Relay, RH Rear
3/1 Ignition Switch
3/4 Control Module, SWS Cruise Control
3/6 Hazard Warning Flasher Switch
3/8 Heated Rear Window/Door Mirrors Switch
3/9 Brake Light Contact
3/10 Reversing Light Contact
3/25 Power Sunroof Switch
3/26 Power Seat Module (PSM), Driver's Side
3/27 Power Seat Module (PSM), Passenger Side
3/35 Trunk Lid/Tailgate Handle Switch
3/37 Horn Contact
3/47 Parking Brake Contact
3/53 Recirculation Switch
3/56 Fan Switch
3/60 Auxiliary Light Switch
3/62 Hood Alarm Contact
3/71 Gear Position Contacts
3/74 Lock Unit, LH Front Door
3/75 Lock Unit, RH Front Door
3/76 Lock Unit, LH Rear Door
3/77 Lock Unit, RH Rear Door
3/78 Lock Unit, Trunk Lid/Tailgate
3/80 LH Central Lock Switch
3/85 Power Window Switch, LH Rear Door
3/86 Power Window Switch, RH Rear Door
3/91 Heated Seat Switch, LH Seat
3/92 Heated Seat Switch, RH Seat
3/93 Seat Belt Lock Switch, LH Seat
3/94 Seat Belt Lock Switch, RH Seat
3/95 Spin Control Switch
3/111 Light Control Module
3/112 Climate Control Module (CCM)
3/113 Adjustable Head Restraint, Rear
3/117 Dome Light Control Module
3/118 Climate Control Switch
3/119 Climate Control Switch, Auto
3/121 Climate Control Switch, Defroster
3/122 Climate Control Switch, Ventilation
3/123 Climate Control Switch, Floor
3/124 Temperature Switch, LH Side
3/125 Temperature Switch, RH Side
3/126 Control Module, LH Front Door DDM/PDM
3/127 Control Module, RH Front Door PDM/DDM
3/130 Steering Wheel Module (SWM)
3/131 Switch, Audio/Mobile Phone
3/135 RTI Switch
3/153 Switch, Power Childlock (PCL)
3/155 Program Selector, Automatic Transmission
3/156 Gear Shift Module (GSM), Automatic Transmission
3/171 Switch, Retractable Door Mirrors
3/173 Switch, Trunk Lid/Tailgate Private Lock
3/174 Switch, Reduced Alarm
3/183 Switch, Max Defroster
4/7 Combustion Preheater Module (CPM)
4/9 SRS Control Module
4/16 ABS Control Module
4/28 Transmission Control Module (TCM)
4/31 Fan Control Module
4/33 Sunroof Control Module (SRM)
4/46 Engine Control Module (ECM)
4/50 Electronic Throttle Module (ETM)
4/52 Power Seat Module (PSM), Driver's Side
4/56 Central Electronic Module (CEM)
4/58 Rear Electronic Module (REM)
4/68 Control Module, Steering Wheel Angle Sensor
4/70 Upper Electronic Module (UEM)
4/71 Electric Cooling Fan Control Module
4/76 Remote Controlled Garage Door Opener
4/81 Communication Module (OCM)
4/201 Control Module LH Seat Heater
4/202 Control Module RH Seat Heater
5/1 Combined Instrument Panel
6/1 Windshield Wiper Motor
6/2 Windshield Washer Pump
6/3 RH Headlight Wiper Motor
6/4 LH Headlight Wiper Motor
6/15 Sunroof Motor
6/16 Motor, Lumbar Support, Driver's Seat
6/17 Driver's Seat Motor, Front Edge Up/Down
6/18 Driver Seat Motor, Up/Down Rear Edge
6/19 Driver Seat Motor, Forward/Backward
6/20 Passenger Seat Motor, Forward/Backward
6/25 Starter Motor
6/26 Generator
6/28 Motor, Passenger Compartment Fan
6/29 Motor, Electric Cooling Fan
6/30 Washer Pump, Rear Window
6/31 Injection Pump
6/32 Rear Window Wiper Motor
6/33 Fuel Pump
6/35 Fuel Pump, Auxiliary Heater
6/37 Locking Motor, Fuel Filler Flap
6/38 LH Beam Adjustment Actuator
6/39 RH Beam Adjustment Actuator
6/48 Damper Motor, Recirculation
6/58 Motor, LH Front Power Window
6/60 Motor, RH Front Power Window
6/62 LH Power Door Mirror
6/63 RH Power Door Mirror
6/64 Motor, Lumbar Support, Passenger Seat
6/65 Motor, Front Edge Up/Down, Passenger Seat
6/66 Motor, Rear Edge Up/Down, Passenger Seat
6/69 Damper Motor, Ventilation/Floor/Defroster
6/71 Stepper Motor, Speed-Dependent Power Steering
6/73 Coolant Pump, Auxiliary Heater
6/92 Motor, LH Rear Power Window
6/93 Motor, RH Rear Power Window
6/95 Damper Motor, Temperature, LH Side
6/96 Damper Motor, Temperature, RH Side
6/102 Damper Motor, Defroster
6/103 Damper Motor, Floor/Ventilation
7/4 Brake Fluid Level Monitor
7/5 Washer Fluid Level Monitor
7/6 Oil Pressure Sensor
7/8 Pressure Sensor, AC
7/10 Interior Temperature Sensor
7/11 Outside Temperature Sensor
7/12 Sun Sensor & Alarm Indicator/Electronic Starter Inhibitor
7/15 Heated Oxygen Sensor 1
7/16 Coolant Temperature Sensor
7/17 Mass Airflow (MAF) Sensor
7/21 Camshaft Sensor
7/23 Knock Sensor, Rear
7/24 Knock Sensor, Front
7/25 Impulse Sensor
7/31 ABS Sensor, LH Front
7/32 ABS Sensor, RH Front
7/41 Temperature Sensor Evaporator
7/51 Accelerator Pedal Sensor
7/56 ABS Sensor, LH Rear
7/57 ABS Sensor, RH Rear
7/61 Input Speed Sensor
7/62 Output Speed Sensor
7/71 Charging Pressure Sensor
7/73 Coolant Level Monitor
7/74 Oil Temperature Sensor, Automatic Transmission
7/77 Temperature Sensor, Intake Air
7/81 Pressure Sensor, Intake Manifold
7/82 Heated Oxygen Sensor, Diagnosis 1
7/84 Tank Pressure Sensor
7/91 Steering Wheel Angle Sensor
7/94 Needle Lift Sensor
7/100 Vehicle Inclination Sensor ISM
7/103 Heated Oxygen Sensor 2
7/104 Heated Oxygen Sensor, Diagnosis 2
7/105 Outside Temperature Sensor, Engine Control Module
7/108 Side Impact Sensor, LH Rear
7/109 Side impact Sensor, RH Rear
7/110 Temperature Sensor, LH Seat
7/111 Temperature Sensor, RH Seat
7/115 Side Impact Sensor, LH Front
7/116 Side Impact Sensor, RH Front
7/122 Microwave Motion Sensor (MMS) alarm
7/123 Clutch Pedal Sensor
7/124 Brake Pedal Sensor
7/127 Yaw Angle Speed Sensor 1
7/128 Lateral Accelerometer
7/129 Brake Pressure Sensor
7/130 Fuel Level Sensor, Left Ejector Side
7/135 LH Glass Breakage Wire
7/136 RH Glass Breakage Wire
7/137 Glass Breakage Wire, Trunk Lid/Tailgate
7/139 Brake Pressure Sensor
7/143 Fuel Level Sensor, Right Pump Side
7/148 Yaw Angle Speed Sensor 2
7/149 Rain Sensor
7/153 Fuel Quantity Sensor
7/154 Fuel Temperature Sensor
7/159 Air Quality Sensor
8/3 AC Solenoid Clutch
8/6-11 Injection Valves
8/17 EGR Valve
8/18 EVAP Valve
8/19 Adjustment Valve, Camshaft
8/28 Turbo Control Valve
8/30 Driver's Side Airbag
8/31 Passenger Side Airbag
8/32 Passenger Side Airbag, Step 2
8/33 Seat Belt Tensioner, LH Front
8/34 Seat Belt Tensioner, RH Front
8/36 Solenoid, Shift Lock
8/37 Automatic Transmission Solenoids
8/44 Canister Valve
8/46 DSTC Activation Unit
8/49 Stop Solenoid
8/50 Injection Timing Valve
8/51 Side Airbag, LH Front
8/52 Side Airbag, RH Front
8/55 Seat Belt Tensioner, LH Rear
8/56 Seat Belt Tensioner, RH Rear
8/59 Solenoid, LH Rear Head Restraint
8/60 Solenoid, RH Rear Head Restraint
8/61 Driver's Side Airbag Trigger, Step 2
8/62 Trigger, Seat Belt Tensioner, Rear Center Seat
8/64 Engine Pad Solenoid
8/66 Inflatable Curtain, LH Side
8/67 Inflatable Curtain, RH Side
8/77 Fuel Quantity Solenoid
8/78 Oil Pressure Contacts, Automatic Transmission 4T65EV
9/1 Cigarette Lighter/12V Outlet, Front
9/2 Heated Rear Window
9/12 LH Seat Heater
9/13 RH Seat Heater
9/16 LH Seat Backrest Heating Element
9/17 RH Seat Backrest Heating Element
9/18 LH Seat Heating Element
9/19 RH Seat Heating Element
9/25 Cigarette Lighter/12V Outlet, Rear
9/26-27 Coolant Heater
9/30 Auxiliary Heater
9/32 PTC Resistor, Air Preheating
10/1-2 LH/RH Front Lamp Housing
10/3 License Plate Lighting
10/5-6 Fog light, LH/RH front
10/9-10 Lamp Housing, Direction Indicator, LH/RH Front
10/15-16 Direction Indicator, LH/RH Front Fender
10/19 Auxiliary Brake Light
10/25 Dome Light, Cargo Area/Compartment
10/29 Glove Compartment Lighting
10/71 Side Marker Light, LH Front
10/72 Ashtray Lighting, Front
10/73 Side Marker Light, RH Front
10/114-115 LH/RH Vanity Mirror Lighting
10/122 Entry Lighting, LH Rear
10/123 Entry Lighting, RH Rear
10/125 Entry Lighting, LH Front
10/126 Entry Lighting, RH Front
10/127-128 Lighting, Cargo Area/Compartment, LH/RH Side
10/148 Lighting, LH Door Mirror
10/149 Lighting, RH Door Mirror
10/150 Reading Lamp, Rear
11A Main Fuses In Engine Compartment Fuse Box
11A-B/no. Fuses In Engine Compartment
11B Fuses In Engine Compartment Fuse Box
11C Fuses In Passenger Compartment Fuse Box
11C/no. Fuses In Passenger Compartment
11D Fuses In Cargo Area/Compartment Fuse Box
11D-E/no. Fuses In Cargo Area/Compartment
11E Main Fuses By the Battery
15/20 - 15/30 Distribution Rail
16/1 Radio
16/2 Amplifier
16/3 Speaker, RH Front Door
16/4 Speaker, LH Front Door
16/5 Speaker, RH Rear Door
16/6 Speaker, LH Rear Door
16/9 Window Antenna
16/10 Horn 1
16/11 Horn 2
16/15 CD changer
16/16 Amplifier, LH Window Antenna
16/17 LH Speaker, Rear Shelf
16/18 RH Speaker, Rear Shelf
16/26 Central Dashboard Speaker
16/35 Alarm Siren SCM
16/36 TV Receiver
16/45 RTI Control Module
16/46 RTI Display
16/47 GPS Antenna RTI
16/48 CD-ROM Player RTI
16/50 Window Antenna, LH Rear
16/54 Window Antenna, RH Rear
16/55 Tweeter, LH Front Door
16/56 Tweeter, RH Front Door
16/57 Speaker, LH D-pillar
16/58 Speaker, RH D-pillar
16/60 Mobile Phone
16/62 Hand Unit, Mobile Phone
16/64 Antenna, Mobile Phone
16/65 Lighting, Antenna Ring/Ignition Switch
16/67 Amplifier Antenna, Bumper
16/68 Antenna, Bumper
16/71 Amplifier, RH Window Antenna 1
16/73 Amplifier, LH Window Antenna 2
16/74 Amplifier, RH Window Antenna 2
16/77 Microphone, Mobile Phone
16/78 Mobile Phone Speaker
16/79 Sub-Woofer
17/13 Data Link Connector
17/17 Jump Start Connection
17/19 12V Outlet, Cargo Area/Compartment
18/4 Contact Reel
20/3-8 Spark Plug With Ignition Coil
20/16 Capacitor
20/22-26 Glow Plug
20/27 Shunt, Low Beam CEM
20/28 Shunt, Parking Light REM
20/29 Shunt, Fog Light REM
20/31 Shunt, Brake Light REM
20/32 Shunt, LH Direction Indicator CEM
20/33 Shunt, Parking Light/Tail Light REM
20/34 Shunt, RH Direction Indicator CEM
20/39 Shunt, 12V Outlet, Cargo Area/Compartment
20/40 Suppression Capacitor, Roof
31/1 - 31/98 Ground Connections
53/### Junction Points
54/1B - 54/60 Connector

© 2011 ALLDATA LLC. All rights reserved.
Terms of Use
Was this
answer
helpful?
Yes
No
Sunday, January 2nd, 2011 AT 10:35 PM

Please login or register to post a reply.