How much does it cost to repair bottom frame of the car?

Tiny
LUCIAPRADO
  • MEMBER
  • 2001 SATURN SC2
Frame repair cost, my car hit an island how much am I expecting to pay for this damage
Wednesday, November 24th, 2010 AT 6:16 PM

1 Reply

Tiny
HMAC300
  • MECHANIC
  • 48,601 POSTS
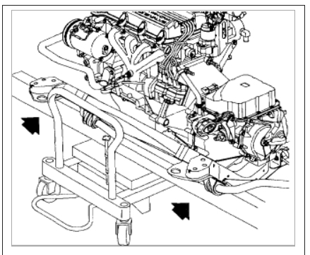
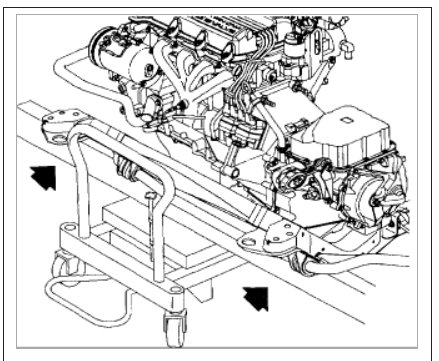
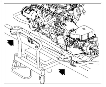
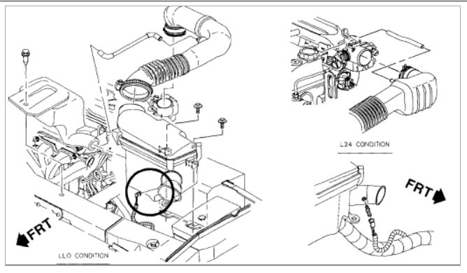
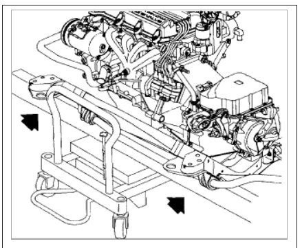
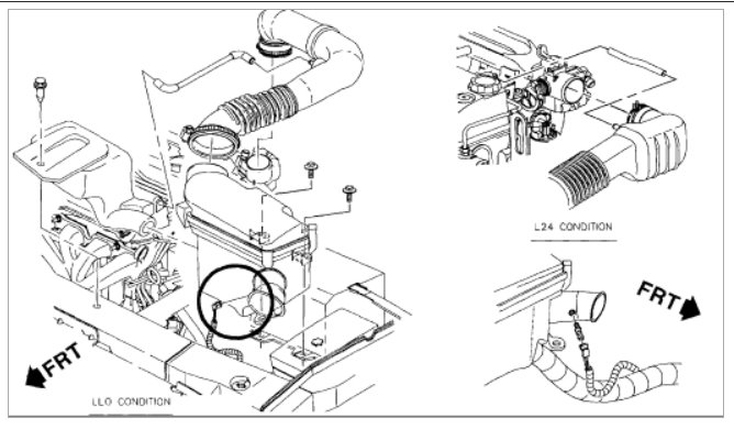
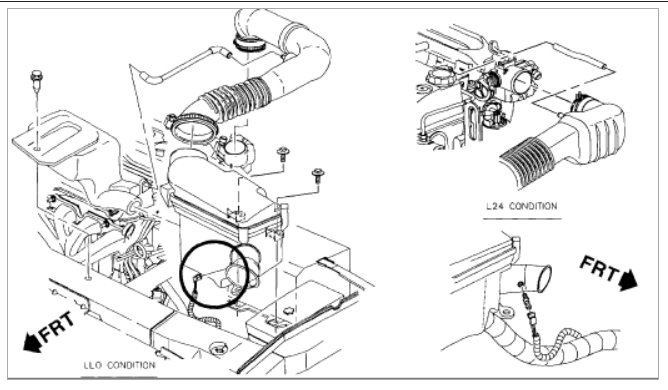
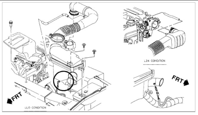
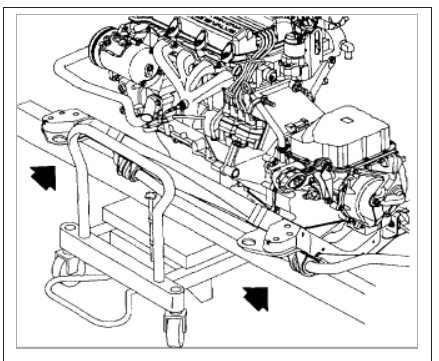
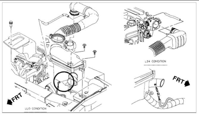
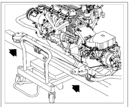
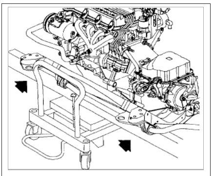
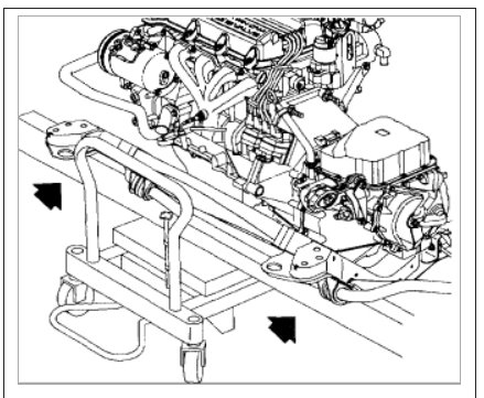
It depends which part of the frame is bent it might lead to a total replacement of the engine cradle. You can find a used cradle for about $300.00 and just replace it which will run about $1200.00

Check out the diagrams (Below)

Please let us know what happens.

Cheers
Was this
answer
helpful?
Yes
No
+1
Wednesday, November 24th, 2010 AT 7:23 PM

Please login or register to post a reply.