Monday, December 3rd, 2012 AT 11:07 PM
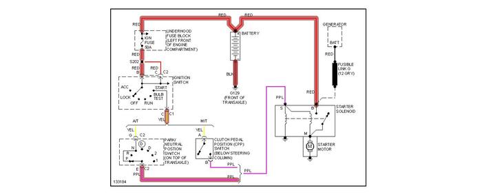
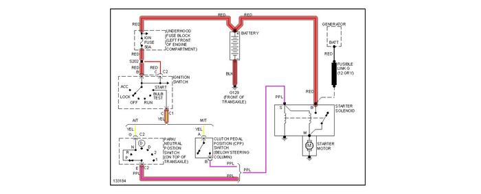
I can't get power to the starter when I turn the key to the crank position. I replaced the ignition switch and still got the same problem. I can start the car with the key in the on position when I jump the solenoid on the starter with a screwdriver and it runs and drives fine. This car has the 2.2 automatic and I've also tried to crank it in Neutral. Can you tell me what the problem is?



