HOME
ASK A QUESTION
REPAIR GUIDES
BECOME A MEMBER
LOG IN
Login with Facebook
OR
Remember me
NOT A MEMBER?
FORGOT PASSWORD?
CONTACT US
PRIVACY POLICY
TERMS AND CONDITIONS
☰
Home
Dodge
Ram
Ignition
Coil
Replace/Remove
I changed my heat coil and now my truck wont.
JUSTINTEEL
MEMBER
2001 DODGE RAM
150,000 MILES
I changed my heat coil and now my truck wont cranck
Wednesday, January 2nd, 2013 AT 4:04 PM
2 Replies
JDL
MECHANIC
16,098 POSTS
Are you talking about the heater core? What heat coil are you talking about? If the starter motor won't crank, check the starter circuit.
Was this
answer
helpful?
Yes
No
Wednesday, January 2nd, 2013 AT 5:46 PM
JDL
MECHANIC
16,098 POSTS
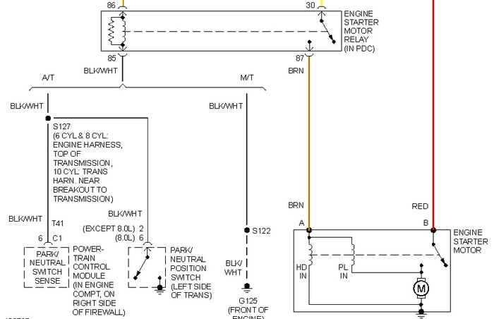
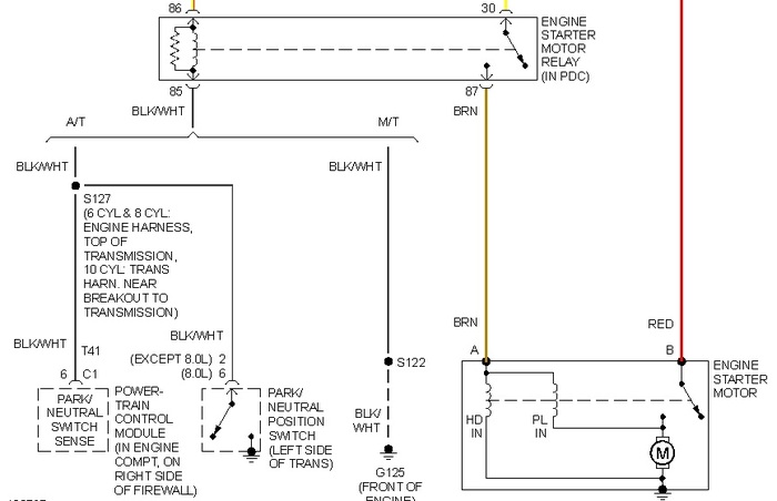
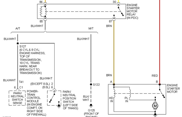
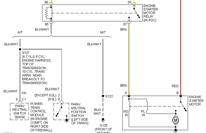
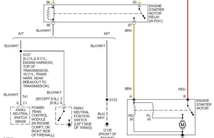
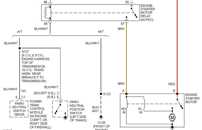
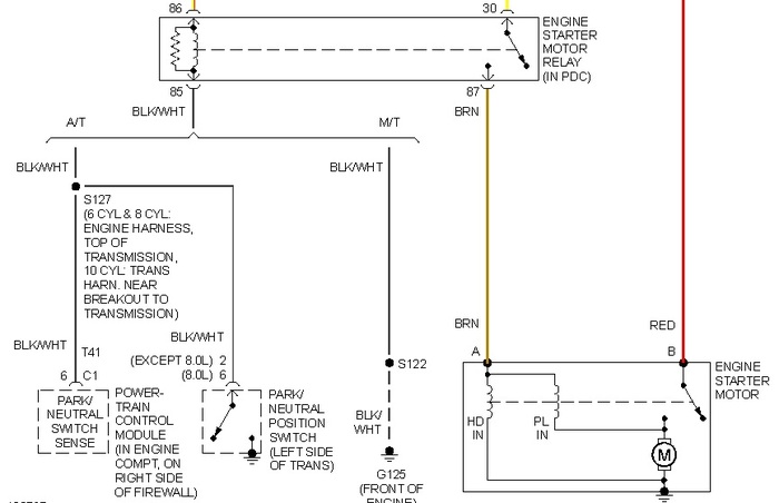
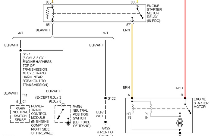
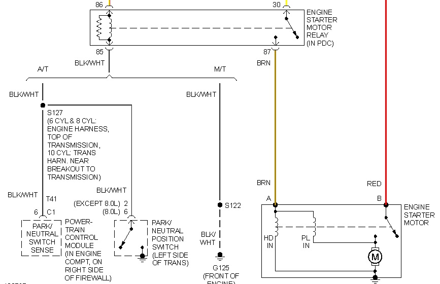
Just to add, here is the starter wiring diagram. Any testing at the starter, make sure tranny is in park or neutral and the parking brake is set.
Images (Click to make bigger)
Was this
answer
helpful?
Yes
No
Wednesday, January 2nd, 2013 AT 5:53 PM
Please
login
or
register
to post a reply.
Related Ignition Coil Replace/Remove Content
2000 Dodge Ram
I Have A 2000 Dodge Ram 2500 5.9l, I Replaced Coil That Was Bad And The Truck Ran Great For Awhile Now The Coil Went Bad Again What Could...
Asked by
jimm72
·
15 ANSWERS
2000
DODGE RAM
VIDEO
Ignition Coil Replacement
Instructional repair video
Start The Truck And Runs But As Soon As I Let The Key...
Start The Truck And Runs But As Soon As I Let The Key Off Of Start It Dies. Replaced Pickup Coil In Distributor, Ecu Thing They Had In 80's...
Asked by
gabeingles
·
16 ANSWERS
1987
DODGE RAM
2005 Dodge Ram Cylinder Coils
Truck Was Dying Out, Put On Computer, Cause Was Egr Valve. Changed Out, Truck Ran Better, But Missing. Put On Computer, Showed Multiple...
Asked by
ronlilie
·
10 ANSWERS
2005
DODGE RAM
2008 Dodge Ram Coil Pack Bad?
I Took My Car In For Scheduled Maintenance - Oil Chance, Tire Rotation, Spark Plug Check/replace, Alignment Check Ect. Basic Preventive...
Asked by
stannan
·
13 ANSWERS
3 IMAGES
2008
DODGE RAM
2004 Dodge Ram Code 303
I Have Changed Coil Packs And Spark Plugs. 3.7 6 Value Engine It Cleared The Code. I Drove The Truck Bout 300 Miles The Next Morning...
Asked by
Woody1967
·
3 ANSWERS
2004
DODGE RAM
VIEW MORE
Ask a Car Question. It's Free!
Tune up
Crankshaft Sensor Symptoms
Crankshaft Sensor Replacement