01 Chevy Venture AC compressor removal

Tiny
T4TURBO9
  • MEMBER
  • 2001 CHEVROLET VENTURE
  • 6 CYL
  • 2WD
  • AUTOMATIC
  • 100,000 MILES
How do you remove the ac compressor on 01 chevy venture?
Tuesday, March 8th, 2011 AT 2:19 AM

2 Replies

Tiny
IMPALASS
  • MECHANIC
  • 3,112 POSTS
Hello â€

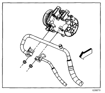
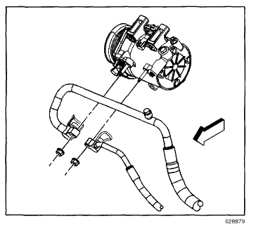
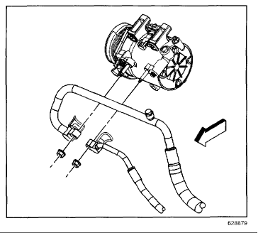
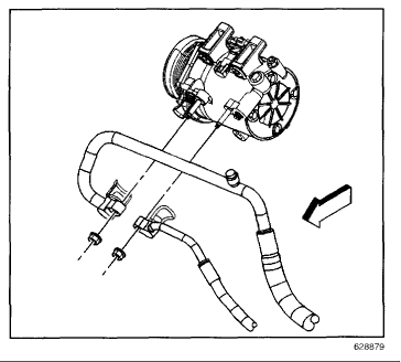
IMPORTANT: The A/C compressor is accessed through the right wheel opening.

Turn the steering wheel to the right before lifting the vehicle.
2. Raise and support the vehicle. Refer to Lifting and Jacking the Vehicle.
3. Remove the RH engine splash shield.
4. Release the drive belt tensioner. Remove the drive belt from the compressor pulley.
5. Remove the air baffle bolts.
6. Remove the air baffle.
7. Disconnect the electrical connector from the compressor.
8. Disconnect the engine harness electrical connector. Reposition the engine harness away from the compressor
9. Remove the suction hose nut.
IMPORTANT: Cap or tape the open A/C lines immediately, to prevent system contamination.
10. Disconnect the suction hose from the compressor.
11. Cap off the suction port of the compressor.
12. Remove the discharge hose nut.
13. Disconnect the discharge hose from the compressor.
14. Cap off the discharge port of the compressor.
15. Remove and discard the sealing washers.
16. Remove compressor mounting bolts.
17. Remove the compressor.
18. If replacing the compressor, drain and measure as much of the PAG oil as possible from the removed compressor:
18.1. Drain the PAG oil from both the suction and discharge ports of the removed compressor into a clean container.
Rotate the compressor crankshaft to assist draining the crankcase oil.
18.2. Measure and record the amount of PAG oil drained from the removed compressor.
This measurement will be used during installation of the replacement compressor.
INSTALLATION PROCEDURE

IMPORTANT: The replacement compressors are partially pre-charged with PAG oil.

Refer to Refrigerant System Capacities
1. Install the compressor.
NOTE: Refer to Fastener Notice in Service Precautions.
2. Install the compressor mounting bolts.
Tighten
Tighten the bolts to 50 N.M (37 lb ft).

IMPORTANT: Lubricate new sealing washers with mineral base 525 viscosity refrigerant oil.
3. Install the sealing washer to the discharge hose.
4. Uncap the discharge port of the compressor.
5. Connect the discharge hose to the compressor.
6. Install the discharge hose nut.
Tighten
Tighten the nut to 16 N.M (12 lb ft).
7. Install the sealing washer to the suction hose.
8. Uncap the suction port of the compressor.
9. Connect the suction hose to the compressor.
10. Install the suction hose nut.
Tighten
Tighten the nut to 16 N.M (12 lb ft).
11. Connect the electrical connector to the compressor.
12. Connect the engine harness electrical connector.
13. Install the air baffle.
14. Install the air baffle bolts.
Tighten
Tighten the bolts to 20 N.M (15 lb ft).
15. Release the drive belt tensioner. Install the drive belt to the compressor pulley.
16. Install the RH engine splash shield.
17. Lower the vehicle.
18. Evacuate and recharge the system. Refer to Refrigerant Recovery and Recharging.
19. Leak test the fittings of the component using J 39400-A.
Was this
answer
helpful?
Yes
No
+11
Tuesday, March 29th, 2011 AT 1:50 AM
Tiny
IMPALASS
  • MECHANIC
  • 3,112 POSTS
Hello â€

Also, it looks like you may have some recalls on your vehicle. The dealer may fix these for free. Please contact the dealer service department, give them the VIN number of your car and have them check on these to see if they apply to you.

08089C
11/18/2008
Campaign - Deactivation Of Analog OnStar(R)

07203C
08/08/2008
Campaign - Fuel Tank Inlet Check Valve Warr. Extension

06230A
07/21/2008
Recall - Replacement of Fuel Tank

04110
05/24/2005
Recall - Power Sliding Door Interior Handle Replacement

NHTSA04V597000
12/21/2004
Recall 04V597000: Power Sliding Door Interior Handle

03039
08/01/2003
Recall - Child Restraint Anchorage Information

NHTSA03V250000
07/01/2003
Recall 03V250000: Child Restraint Non-Compliance

01077
04/01/2002
Recall - Child Restraint Anchorage Modification

NHTSA01V383000
12/01/2001
Recall 01V383000: Child Restraint Anchor Wire Defective

01059
10/01/2001
Recall - Defective Power Sliding Door

NHTSA01V264000
08/20/2001
Recall 01V264000: Sliding Door Defect

NHTSA01V067000
03/01/2001
Recall 01V067000: Sliding Doors May Not Latch

NHTSA01V026000
02/01/2001
Recall 01V026000: Air Bag Inflator Module Defect
Was this
answer
helpful?
Yes
No
+4
Tuesday, March 29th, 2011 AT 1:51 AM

Please login or register to post a reply.