Code P1415

2001 CHEVROLET TAHOE
101,000 MILES • V8 • 2WD • AUTOMATIC
Avatar
KEVIN ALLEN
  • MEMBER
  • 1 POST
P1415 code, which side of engine compartment is "left bank"?
Nov 16, 2010 at 2:36 PM
Advertisement
Repair Safety Notice: This information is for general instructional purposes only. Vehicle repair can be dangerous. Verify all information, follow manufacturer service procedures, use proper tools and safety equipment, and consult a qualified repair shop when needed.
Avatar
JACOBANDNICKOLAS
  • AUTOMOTIVE REPAIR CONTRIBUTOR
  • 110,190 POSTS
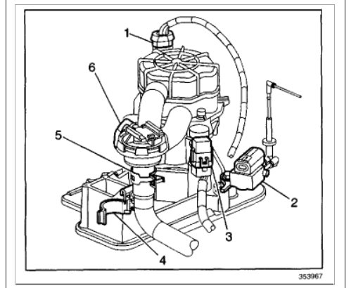
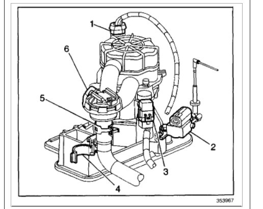
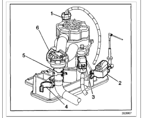
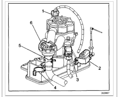
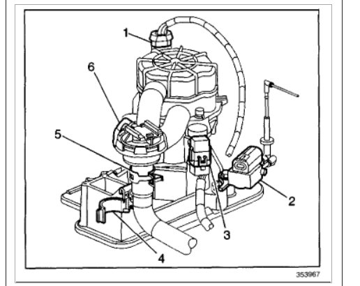
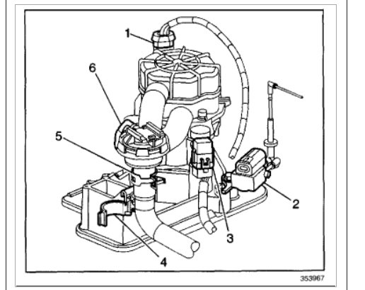
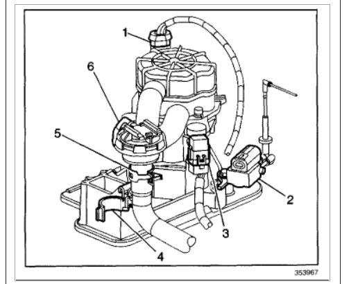
Driver's side. This code happens when the gulp valve goes bad. Here is the location so you can change it out. Replace the one that goes to the drivers side.

Check out the diagrams (below). Please let us know if you need anything else to get the problem fixed.

Cheers
Nov 16, 2010 at 2:38 PM
Avatar
KENDRARUSSELL
  • MEMBER
  • 1 POST
Thank you! This worked perfect for my car. :) I love this site.
Jul 3, 2018 at 2:31 PM
Advertisement