HOME
ASK A QUESTION
REPAIR GUIDES
BECOME A MEMBER
LOG IN
Login with Facebook
OR
Remember me
NOT A MEMBER?
FORGOT PASSWORD?
CONTACT US
PRIVACY POLICY
TERMS AND CONDITIONS
☰
Home
Chevrolet
Blazer
General
2001 Chevy Blazer
ABC BODY SHOP
MEMBER
2001 CHEVROLET BLAZER
6 CYL
4WD
AUTOMATIC
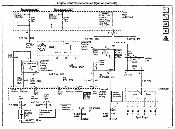
Can you show me an ignition wire diagram for 2001 chevy blazer, 4.3 l, 6 cyl. Thanks
Thursday, June 9th, 2011 AT 6:12 PM
2 Replies
HMAC300
MECHANIC
48,601 POSTS
I hope this will come out for you. I have explorer 9 and have to do some stuff to makethe diagram come out.
Image (Click to make bigger)
Was this
answer
helpful?
Yes
No
Thursday, June 9th, 2011 AT 7:18 PM
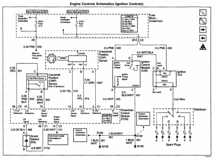
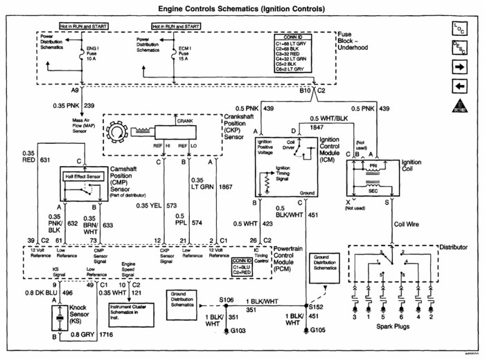
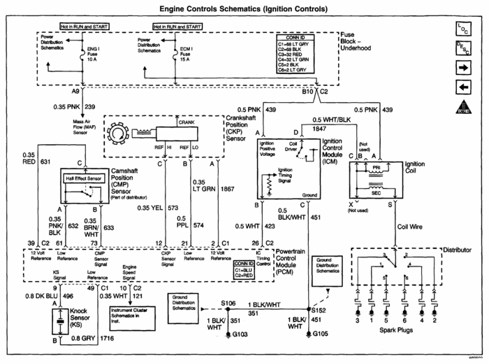
WRENCHTECH
MECHANIC
20,761 POSTS
See is these are more readable
Image (Click to make bigger)
Was this
answer
helpful?
Yes
No
Thursday, June 9th, 2011 AT 10:58 PM
Please
login
or
register
to post a reply.
Related General Content
GUIDE
Inquire Here
Ask a Car Question. It's Free!
Rebuilt or Refurbished?
Car Maintenance and Service Procedures
Ten Questions to Ask a Repair Shop