Side mirror replacement

Tiny
KENTIF
  • MEMBER
  • 2001 ACURA MDX
  • 6 CYL
  • 130,565 MILES
Replacing side view mirror acura mdx
Tuesday, January 25th, 2011 AT 9:48 PM

1 Reply

Tiny
KHLOW2008
  • MECHANIC
  • 41,814 POSTS
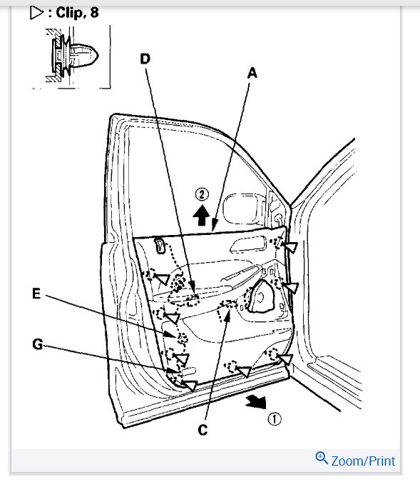
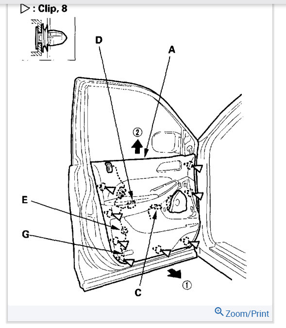
Removal & Installation (MDX)

Lower door glass. Remove mirror mount cover. Disconnect tweeter connector.
Remove door panel. Pull front door upper seal loose as necessary. Disconnect harness clip and connector(s). Remove mirror mounting bolts. Depress mirror retainer clip tangs and push clip through door to remove mirror.
To install, reverse removal procedure.

Here is a guide to help see how to remove the panel and diagrams below for your car.

https://www.2carpros.com/articles/door-panel-removal

Check out the diagrams (Below). Please let us know if you need anything else to get the problem fixed.

Cheers
Was this
answer
helpful?
Yes
No
-1
Thursday, January 27th, 2011 AT 4:07 PM

Please login or register to post a reply.