Wednesday, February 22nd, 2012 AT 9:38 PM
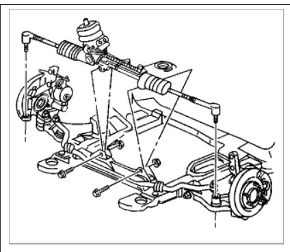
How do you get around the boot/cover around rack and pinion and steering shaft, when replacing the rack and pinion? I need to get to the bolt on the clip that ties the rack and pinion and steering shaft together, but having problems with the boot/cover around it. It's in the way, need a way around or some way to take off. Thanx






