Wednesday, February 11th, 2015 AT 11:45 PM
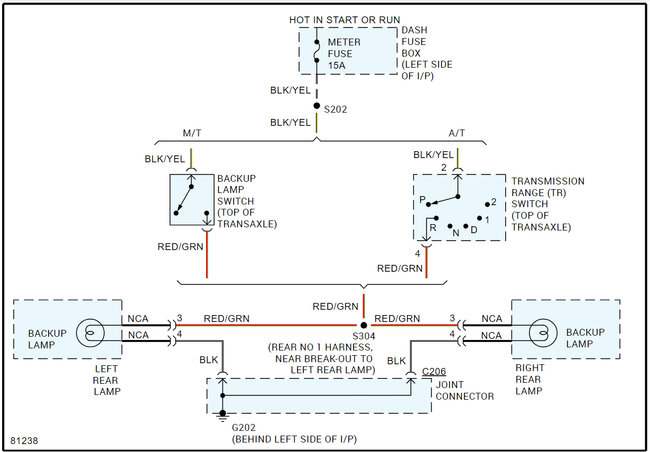
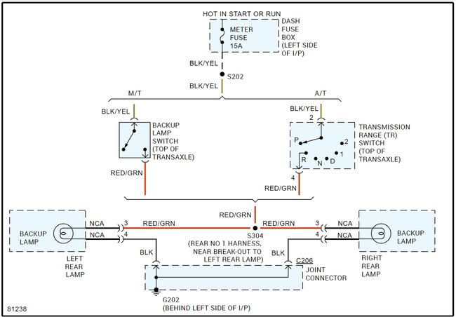
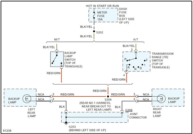
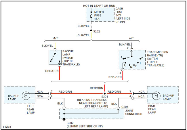
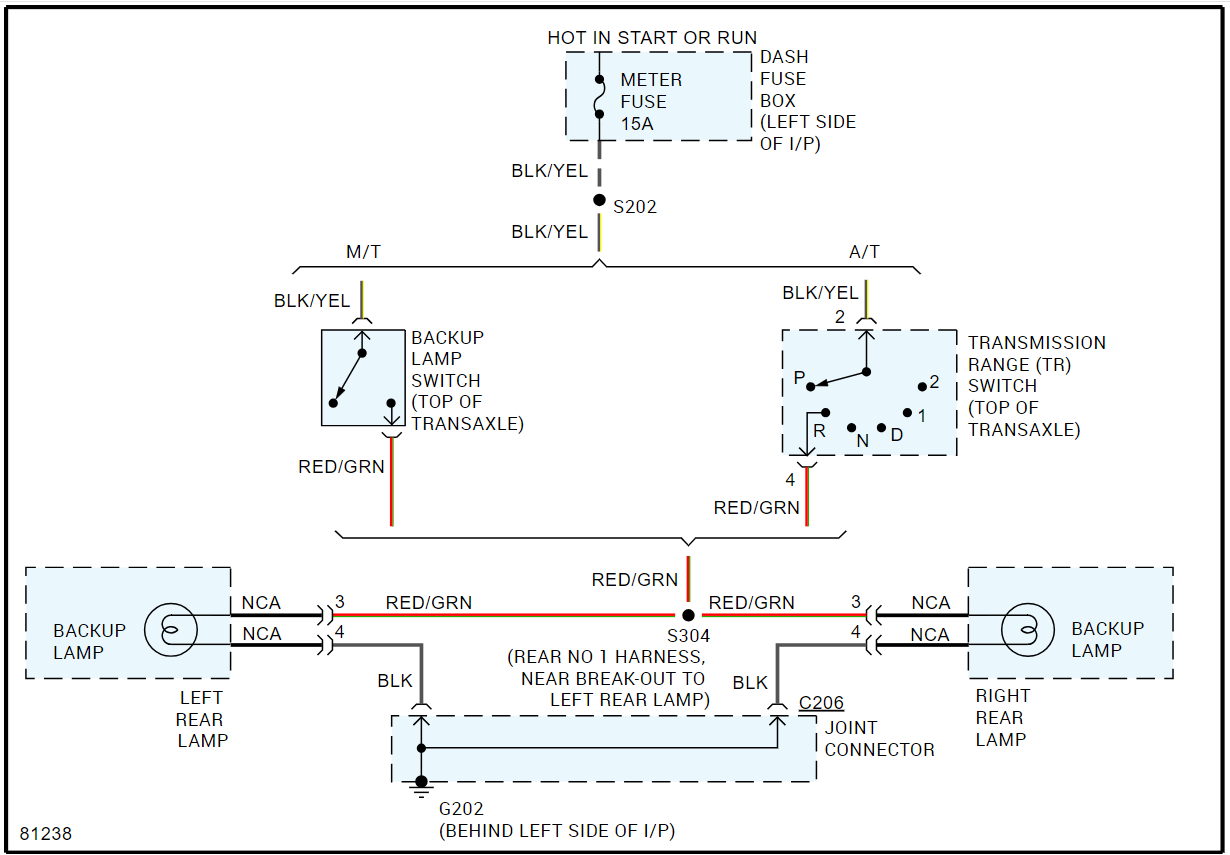
Hi can you tell where the fuse box is please my reverse light won't work I have changed the bulb so I was going to look at the fuses but not sure where they are thanks




