Af sensor code P1130?

Tiny
1COOLCARL
  • MEMBER
  • 2000 LEXUS ES
  • FWD
  • AUTOMATIC
What is a af sensor code p1130
Sunday, January 23rd, 2011 AT 10:26 PM

1 Reply

Tiny
SQM
  • MECHANIC
  • 6,383 POSTS
Hello,

The code:
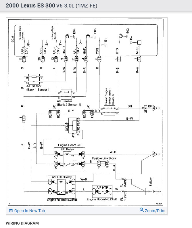
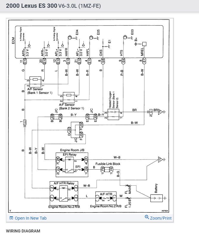
P1130 - A/F (air / fuel ratio) sensor circuit range / performance malfunction (bank 1 sensor 1).

The A/F sensor or the air / fuel ratio sensor is the oxygen sensor that is located before the catalytic converter on this vehicle.

This code can be due to a bad oxygen sensor or faulty harness for the sensor.

https://www.2carpros.com/articles/how-to-test-an-oxygen-sensor-02-sensor
https://www.2carpros.com/articles/how-to-replace-an-oxygen-sensor

I have attached the troubleshooting guide for the code P1130. This can help you determine the issue.

Please let me know of any questions.
Thank you.
Was this
answer
helpful?
Yes
No
Monday, November 22nd, 2021 AT 3:09 PM

Please login or register to post a reply.