Do you have a cooling system diagram for this car?

Tiny
HECTORNMELISSA
  • MEMBER
  • 2000 HONDA CIVIC
  • 250,000 MILES
I need an exploded view with some detail. Thanks.
Friday, January 6th, 2012 AT 2:42 AM

2 Replies

Tiny
DRCRANKNWRENCH
  • MECHANIC
  • 3,380 POSTS
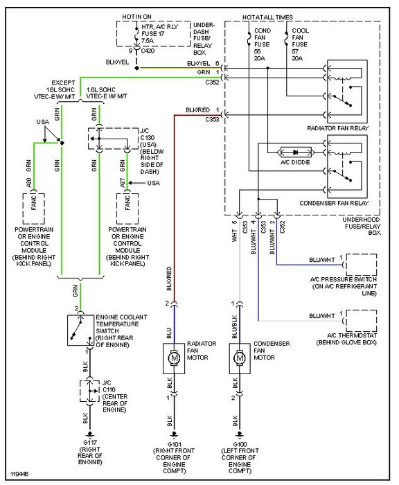
I do not have a diagram of the cooling system itself, but I providied you with the wiring diagram. The cooling system is pretty simple. Water flows out past thermostat, when open, into radiator and out back into block. It runs through coolant circuit and past water pump then it flows through the Idle Air Control Valve and the Fast Idle Thermo Valve, located on intake manifold the throttle body almost on op of each other you will see coolant lines. The it runs in and out of the heater core, if valve is open otherwise this is a closed circuit. Then back into block past coolant snesors and back to the thermostat.
Was this
answer
helpful?
Yes
No
Friday, January 6th, 2012 AT 3:00 AM
Tiny
DRCRANKNWRENCH
  • MECHANIC
  • 3,380 POSTS
Forgot Wiring diagram
Was this
answer
helpful?
Yes
No
Friday, January 6th, 2012 AT 3:00 AM

Please login or register to post a reply.

Related General Content