Wednesday, March 2nd, 2011 AT 10:02 PM
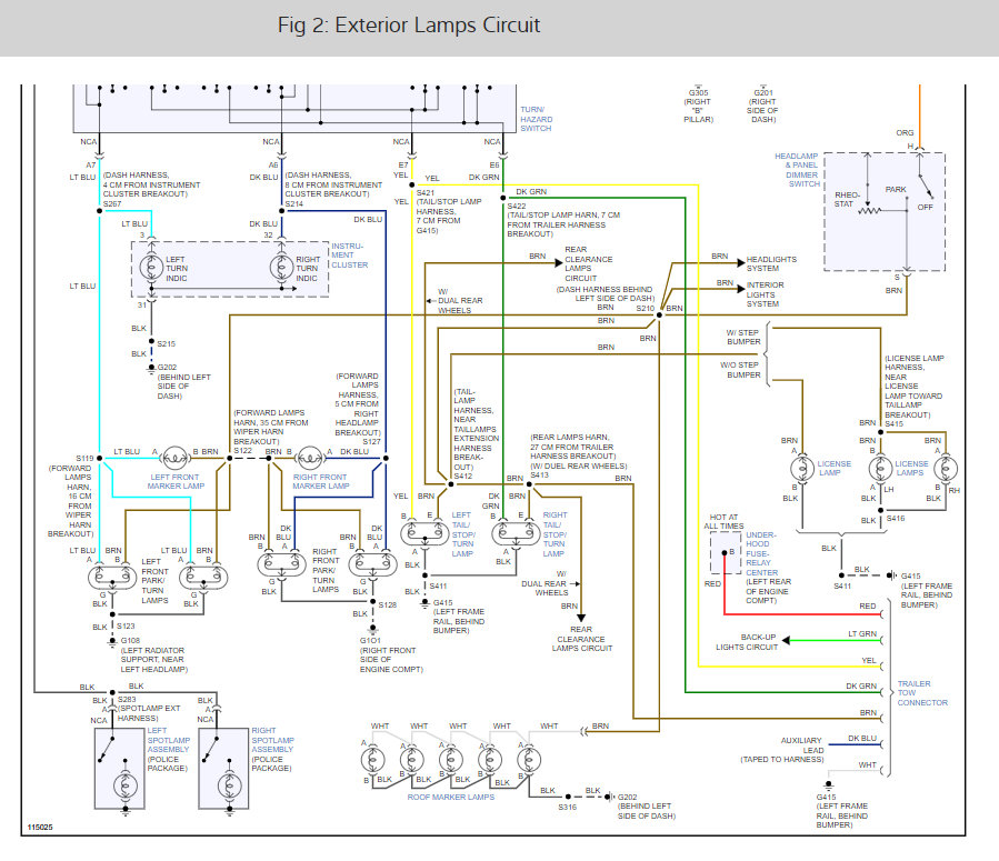
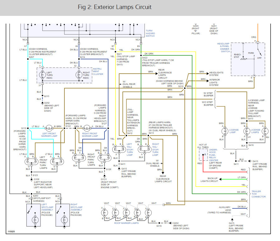
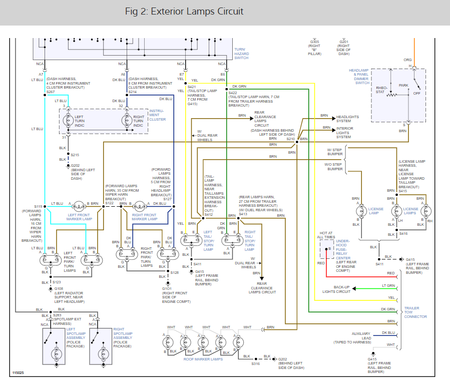
Hi, no brake lights on my 3500 Gmc, swapped relay under hood with another truck, didn't work. Can't reach stop light switch to test power so swapped out switch with working truck, didn't make a difference no lights. Checked wiring from connector at fire wall to lights, all good was able to power up lights. Where do I go from here to find out if my interlock solenoid is bad if the brake light system is not working. Am I missing a relay or switch somewhere? I also checked fuses, and all other light systems are working fine (hazards, blinkers, park and drive lights. Thanks Brian



