Power windows not working

Tiny
BARB JONESON
  • MEMBER
  • 2000 FORD FOCUS
  • 4 CYL
  • 2WD
  • AUTOMATIC
  • 121,351 MILES
I have a 2000 Ford Focus, suddenly all four power windows have stopped working. Whats the problem?
Thursday, August 18th, 2011 AT 12:34 AM

5 Replies

Tiny
CJ MEDEVAC
  • MECHANIC
  • 11,005 POSTS
HAVE YOU CHECKED FUSES?

THE MEDIC
Was this
answer
helpful?
Yes
No
+3
Thursday, August 18th, 2011 AT 12:45 AM
Tiny
BARB JONESON
  • MEMBER
  • 3 POSTS
Sorry I should have mentioned the fuses were the first thing that was checked. It seems odd that all four would stop working at the same time. Any ideas? I could take the door apart but dont know what im looking for.
Was this
answer
helpful?
Yes
No
+2
Friday, August 19th, 2011 AT 3:46 AM
Tiny
CJ MEDEVAC
  • MECHANIC
  • 11,005 POSTS
LOOKS LIKE 2 FUSES ASSOCIATED TO THIS, "56" AND "57", BOTH ARE "25 AMP". THE EZist THING TO DO IS PULL 'EM SEVERAL TIMES AND REINSERT. AS ON MY JEEPS, SOMETIMES MILD CORROSION GETS ON THE TIPS OF FUSES AND THEIR SOCKETS. JUST GETTING THEM IN MOTION WILL SOMETIMES SCRAPE IT OFF, AND THINGS WILL WORK AGAIN!

EVEN THOUGH YOU HAVE CHECKED THEM--SOMETIMES JUST SWAPPING OUT FOR DIFFERENT/ OR NEW ONES MIGHT MAKE A DIFFERENCE. LIKE I SAID, WE'RE DOIN' THE EZ/ EZist STUFF 1ST!

WITH A TEST LIGHT, WHILE THE FUSES ARE REMOVED. AND WITH THE "KEY ON" LETS SEE IF ONE SIDE OF THE FUSE SOCKET IS "HOT", THIS WILL INSURE THERE IS NOT A POWER PROBLEM, PRIOR TO THE FUSE.A INEXPENSIVE TEST LIGHT OR A VOLTMETER CAN BE USED (I MIGHT CAN TALK YOU THRU THIS, IF YOU ARE LOST!)

DO YOU HAVE ONE OF THE ABOVE. CAN YOU DO THIS?

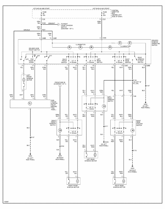
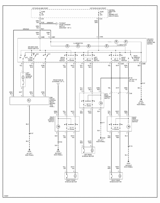
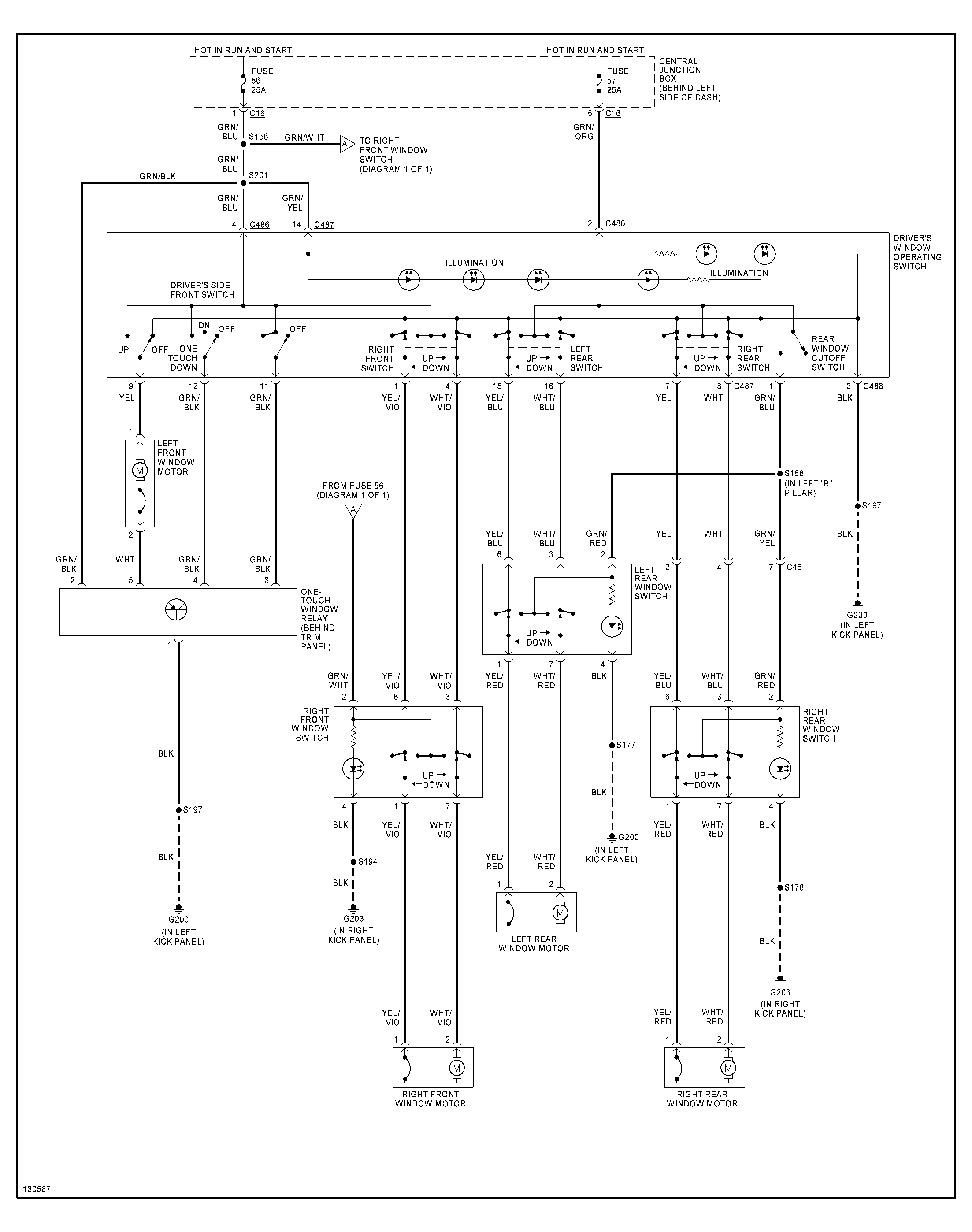
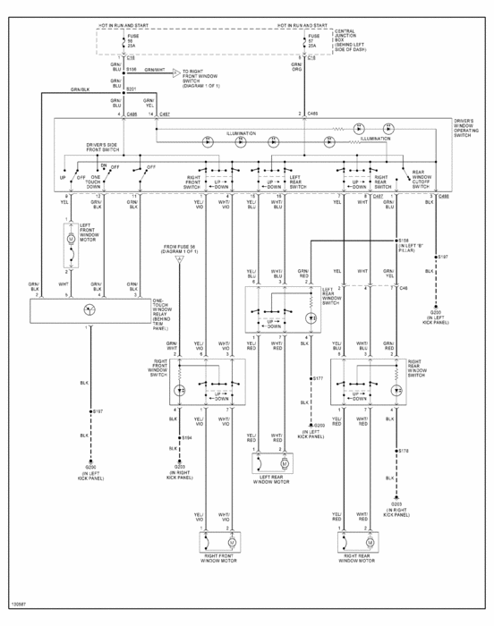
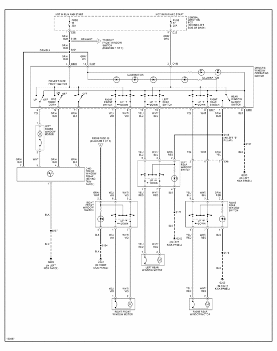
I DID FIND YOU A DIAGRAM (THERE WERE 2 ONE WAS "NO PWR REAR WINDOWS" THIS ONE IS W/ PWR WINDOWS). LOOKS LIKE THERE IS A "RELAY". SAD THING IS, IT'S BEHIND THE DRIVERS DOOR PANEL. IT IS A "ONE TOUCH", I GATHER THAT YOU TOUCH IT, AND THE WINDOW(S) GO THRU THE MOTIONS WITHOUT "HANGING ON TO THE BUTTON CONSTANTLY". FEATURES THAT MY 2 JEEPS, WILL NEVER HAVE A PROBLEM WITH!

I'M GONNA SUBMIT THIS MUCH, AND GO LOOK FOR INSTRUCTIONS ON GETTING INTO THE DRIVERS DOOR PANEL

BEAR WITH ME. IMMA TRYIN'!

RESPOND, WITH ANY INFO,

I HOPE TO BE BACK SOON WITH MORE INFO. BEFORE YOU DESTROY YOUR DOOR!

THE MEDIC
Was this
answer
helpful?
Yes
No
+2
Friday, August 19th, 2011 AT 11:27 AM
Tiny
BARB JONESON
  • MEMBER
  • 3 POSTS
You were so helpful I truly appreciate it. Im not good with computers not sure how I ended up with a duplicate post, and im not sure if you read my other post but I fixed the power windows. I took the door apart to find the windows not connected, I had the power mirror changed and the mechanic didnt hook up the windows when he put everything back together! Needless to say I wont be going back to him for any work! Thnx again for everything, I have bookmarked you in case I need help in future, and its a Ford, so im sure I will lol. Barb on vancouver Island, B.C.
Was this
answer
helpful?
Yes
No
Thursday, August 25th, 2011 AT 1:41 AM
Tiny
CJ MEDEVAC
  • MECHANIC
  • 11,005 POSTS
GLAD IT TURNED OUT WELL!

DIY IS GOOD!---YOU COULDA FIXED YOUR MIRROR TOO, AND SAVED SOME $$$!

SORTA SURF THE SITE---HELPFUL STUFF, IF THERE'S A NEXT TIME!

THE MEDIC
Was this
answer
helpful?
Yes
No
Thursday, August 25th, 2011 AT 2:45 AM

Please login or register to post a reply.