Monday, October 24th, 2011 AT 6:18 PM
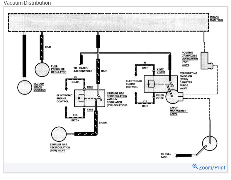
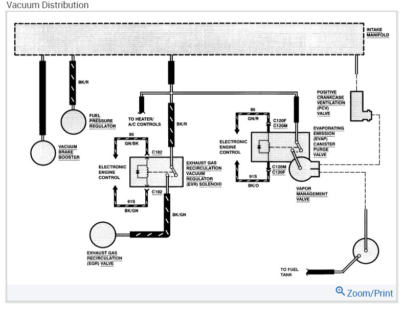
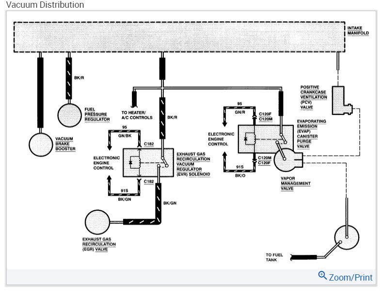
I need a vacuum hose diagram for 2000 ford contour 2.0 engine It also has rough idling and when driving it on and off I have to drive with 2 feet?








