Wednesday, November 21st, 2012 AT 11:40 PM
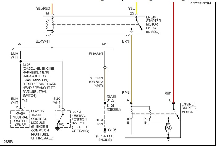
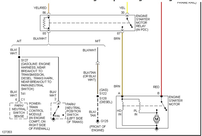
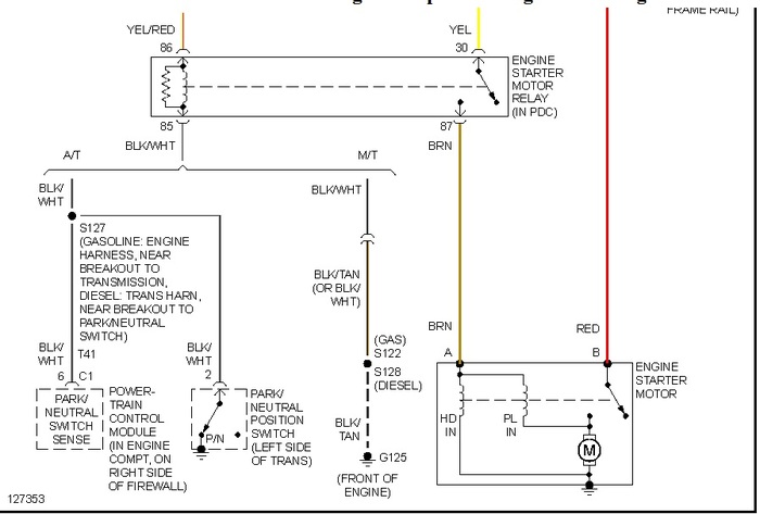
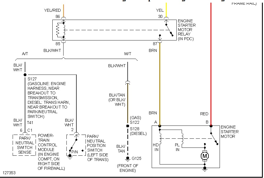
So my truck will not crank or make a sound or anything. There is plenty of power the lights come on everything just no turn whatsoever. It was turning a couple days ago now its started snowing and gotten colder out and no more turnover



