Monday, April 20th, 2020 AT 1:05 PM
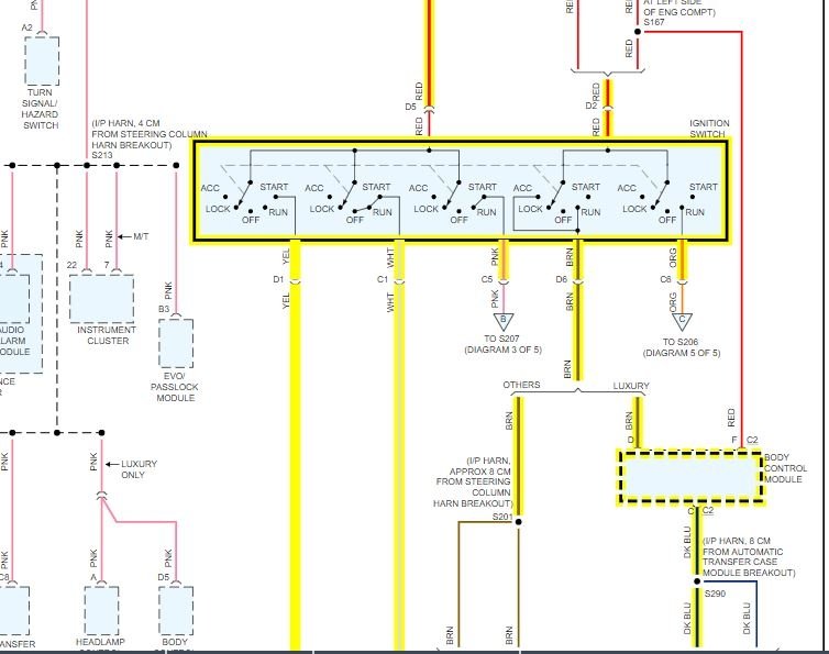
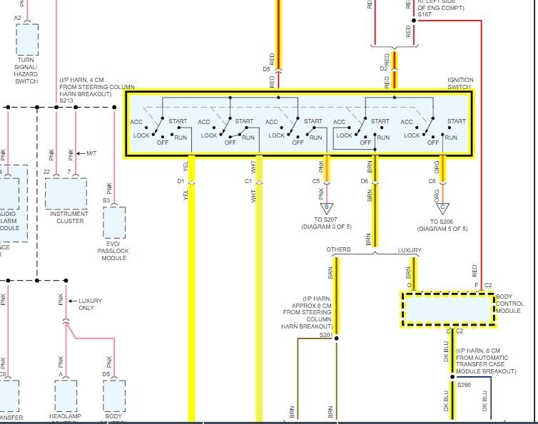
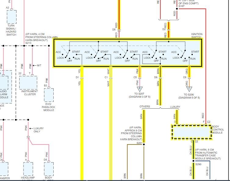
I need help with installing a push start stop rfid system in my vehicle listed above. This is what I got so far: yellow with yellow for start, pink and white for ignition 1, white and brown for on 2, brown. And orange and blue for Acc, and there are 3 thin wires from the ignition switch black, black/white and tan/white. Where do these wires go and what do they do? Please and thank you.











