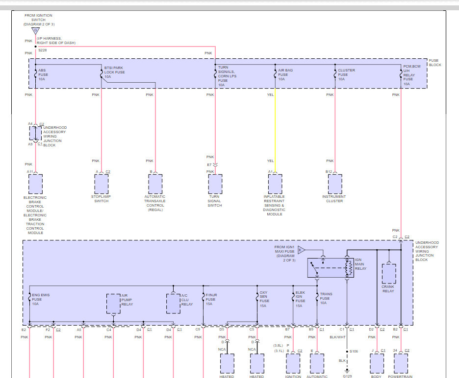
I have a 2000 Buick Century that I am borrowing and it’s been nothing but a huge headache. The latest is the number 5 IGN-1 30A fuses keeps blowing. It has yet to happen to me but since having the car for 5 months it all of a sudden will blow this fuse when my wife uses the car. Mind you this car is completely stock meaning no aftermarket anything. It has happened three times so far. She will run to a store and when she returns to start it there will be nothing. No dash lights nothing. I’m perplexed. The only recent maintenance that has been performed is the rear brakes and a right front wheel bearing. I can’t seem to find an online wire diagram to trace out the paths to this fuse. The Buick has gotten worse and now has broken down on me. The 30A fuse will blow each time in the crank position. In order for me to get the car started I have to have a good fuse installed, turn the ignition key to the position right before crank and use a single wire touching the remote battery stud to the starter solenoid in order to bypass the ignition crank circuit. I appreciate the schematic diagram provided from above but the block diagram doesn't show the entire circuit I need. The other manuals Ive seen are the same way.
Any help is appreciated.
Any help is appreciated.
Oct 16, 2011 at 5:27 PM








