How do I remove the starter motor?

2000 AUDI A3
103,000 MILES
Avatar
ADRIANKENNETH
  • MEMBER
  • 1 POST
I need to remove the starter motor
Jan 10, 2012 at 5:18 PM
Advertisement
Repair Safety Notice: This information is for general instructional purposes only. Vehicle repair can be dangerous. Verify all information, follow manufacturer service procedures, use proper tools and safety equipment, and consult a qualified repair shop when needed.
Avatar
JACKSPRAT
  • MEMBER
  • 46 POSTS
It depends which engine you have fitted.whichever it is remember to disconnect the battery before beginning. After that there should be one large wire connected with a nut (13mm/12" socket) , and one smaller push on connector. Then remove the securing bolts and out it should come.
Jan 10, 2012 at 6:09 PM
Avatar
DRCRANKNWRENCH
  • AUTOMOTIVE REPAIR CONTRIBUTOR
  • 3,380 POSTS
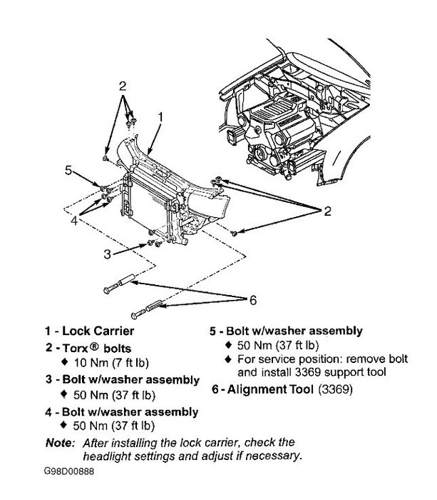
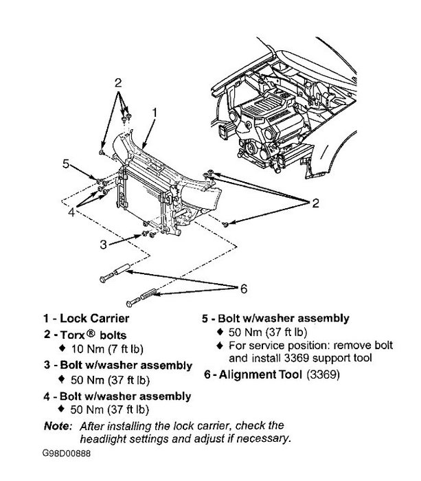
I am attaching removal instructions and the figures, FIG, referred to in them
Jan 11, 2012 at 3:02 AM
Advertisement