removing a ignition tumbler

2002 SUZUKI SWIFT
85,000 MILES • MANUAL
Avatar
CHARLIE SMILEY
  • MEMBER
  • 3 POSTS
How to remove my ignition barrel for the car listed above GLS model?
Mar 9, 2018 at 11:19 PM
Advertisement
Repair Safety Notice: This information is for general instructional purposes only. Vehicle repair can be dangerous. Verify all information, follow manufacturer service procedures, use proper tools and safety equipment, and consult a qualified repair shop when needed.
Avatar
KHLOW2008
  • AUTOMOTIVE REPAIR CONTRIBUTOR
  • 41,814 POSTS
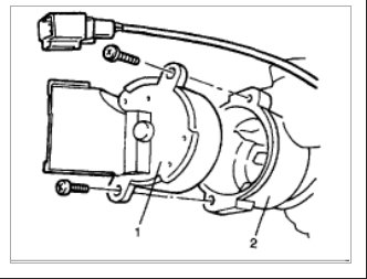
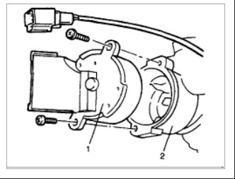
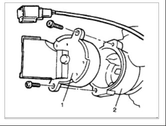
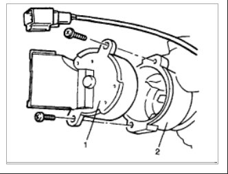
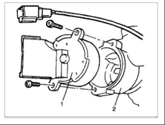
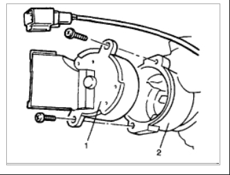
With ignition key turned to ACC position, press the locking pin (tab) on the outer housing and pull out the key cylinder.
Mar 10, 2018 at 10:04 PM
Avatar
CHARLIE SMILEY
  • MEMBER
  • 3 POSTS
No locking pins on outer housing just two very small pins top of housing. do i drill them out?
Mar 11, 2018 at 4:31 AM
Advertisement
Avatar
KHLOW2008
  • AUTOMOTIVE REPAIR CONTRIBUTOR
  • 41,814 POSTS
With Key in ACC, are you able to push at the pin and make them go inwards? If yes then that would allow you to remove the cylinder. If not you would have to drill them out. You can try tapping at the cylinder to dislodge the pin, which would slowly come out if it is the type that is punched in during installation, usually done when after market theft proof keys are used.
Mar 12, 2018 at 7:49 AM
Avatar
CHARLIE SMILEY
  • MEMBER
  • 3 POSTS
Thanks for your help it is most appreciated.
Mar 12, 2018 at 12:57 PM
Advertisement