HOME
ASK A QUESTION
REPAIR GUIDES
BECOME A MEMBER
LOG IN
Login with Facebook
OR
Remember me
NOT A MEMBER?
FORGOT PASSWORD?
CONTACT US
PRIVACY POLICY
TERMS AND CONDITIONS
☰
Home
Ford
Freestar
Drivetrain
Transmission
Shift Solenoid
Location
Location of first, second shift solenoid on transmission
TOMEBERT
MEMBER
2005 FORD FREESTAR
V6
FWD
AUTOMATIC
130,000 MILES
Need to know the location is it in the filter pan or the side pan on the driver side?
Monday, September 12th, 2016 AT 8:04 AM
1 Reply
KEN L
MASTER CERTIFIED MECHANIC
54,144 POSTS
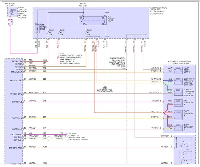
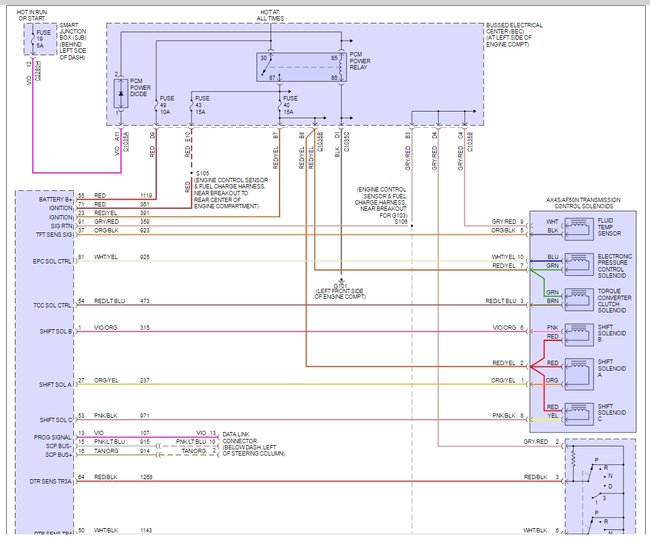
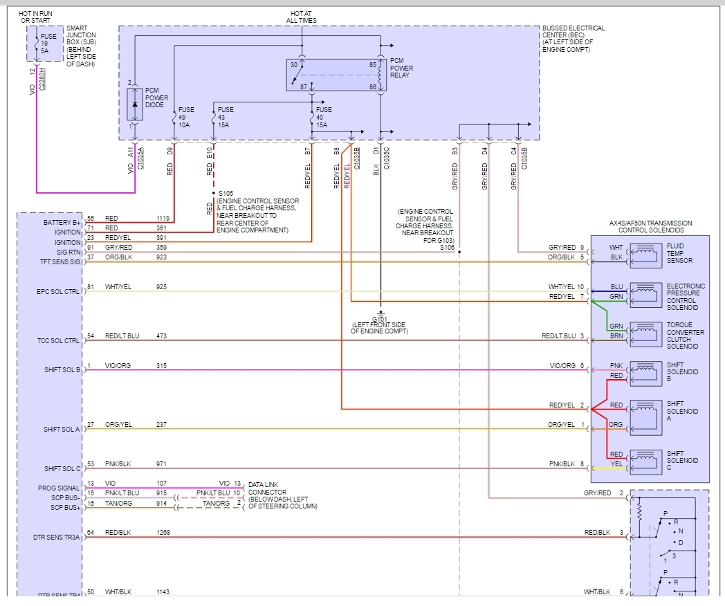
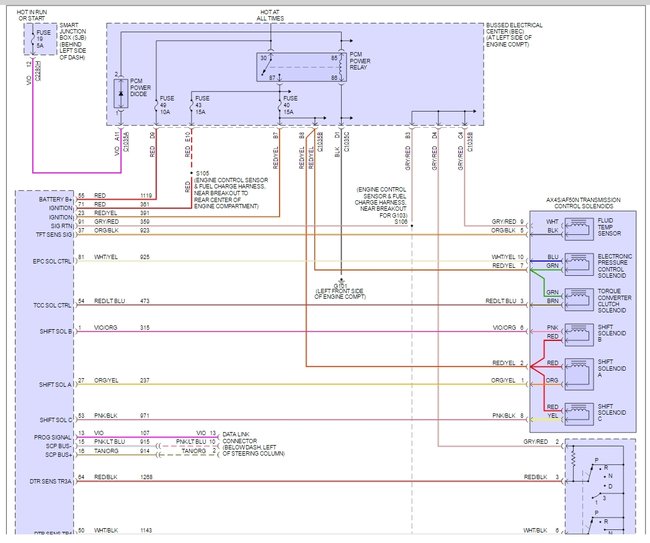
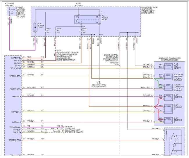
Yes, I did some research for you and found this diagrams, the shift solenoid you need is A I believe.
Here is a diagram and solenoid location
Please let us know what you find so it will help others.
Best, Ken
Images (Click to make bigger)
Was this
answer
helpful?
Yes
No
-1
Wednesday, September 14th, 2016 AT 9:12 PM
Please
login
or
register
to post a reply.
Related Transmission Shift Solenoid Location Content
Torque Converter Shifting In And Out
When The A/c Is On My Cooling Fans Cycle Off And On Which Seems To Make My Transmission Shift In And Out. When Cruising Down The Hwy At...
Asked by
lionel pepin
·
1 ANSWER
2006
FORD FREESTAR
Transmission
I Was At My Daughter's School Today And Was In Park. I Put My Car Into Drive And It Did A High Rev Engine And Jump And Then It Would...
Asked by
Jennifer Marie Klimson-Munoz
·
1 ANSWER
2007
FORD FREESTAR
Ask a Car Question. It's Free!
Code Read Retrieval/Clear Honda
Code Read Retrieval/Clear Mercedes Benz
Topdon OBD2 Scanner Review - This thing rocks