Sunday, May 1st, 2011 AT 11:00 PM
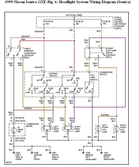
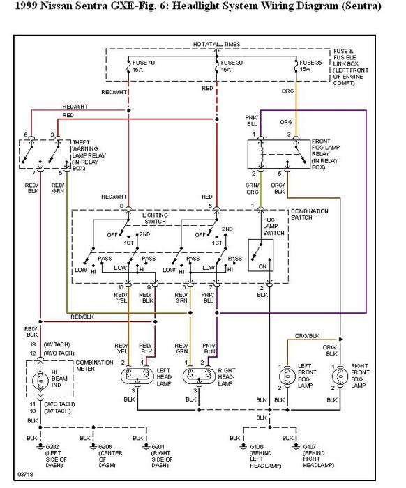
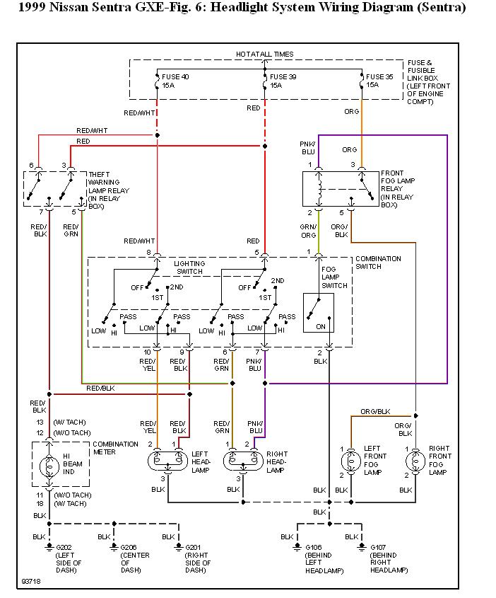
The other day, I came out to go to work and when I turned the car on, the check engine light came on and the front left headlight is out. Came home and looked at the bulb (not burned out) and replaced it anyway. Light still does not come on, waiting to put the code reader on to see what the engine trouble is. This car has had electrical problems in the past, so any help would be greatly appreciated.



