Timing for a 99 Mitsubishi Eclipse

Tiny
TRUJILLOMRS
  • MEMBER
  • 1999 MITSUBISHI ECLIPSE
  • 4 CYL
  • FWD
  • AUTOMATIC
I am replacing the timing chain on a 99 eclipse and I need to find a decent timing diagram. Any help would be great
Thursday, January 6th, 2011 AT 3:06 AM

4 Replies

Tiny
JEFFREYP
  • MEMBER
  • 4 POSTS
It should be a belt, not a chain. If the belt is broken or has stripped teeth than you most likely have bent valves (clearance is very tight). However, any repair manual will have the info you need. Things to keep in mind. The engine is very tight and I had to drill/bore holes in the firewall to remove the very long bolts that hold the engine mount bracket on the front of the engine.

It is a pretty good job so you will need time, tools and patience.

Good Luck!
Was this
answer
helpful?
Yes
No
Thursday, January 6th, 2011 AT 4:01 AM
Tiny
DOCFIXIT
  • MECHANIC
  • 18,828 POSTS
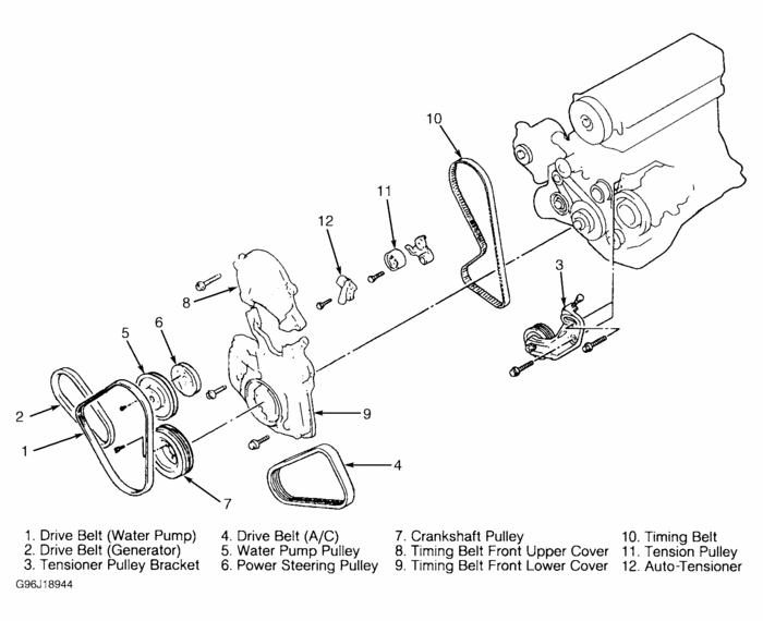
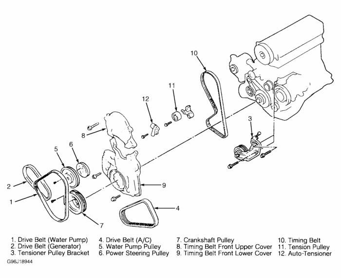
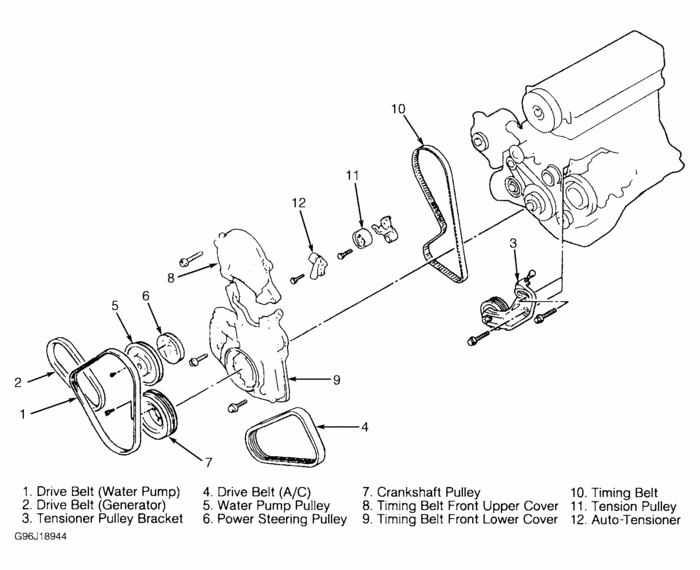
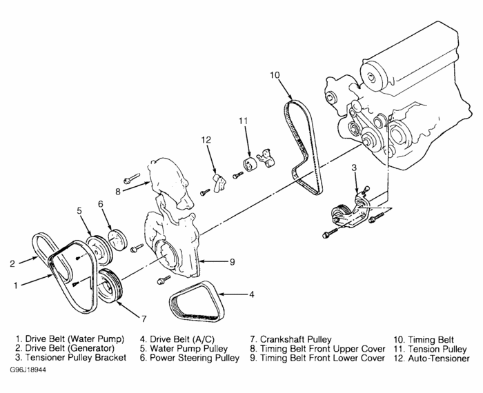
See diagram stuff that needs to come off then aligning marks and last locking balance shaft. Failure to do balance shafty correctly will result in MAJOR engine vibration
Was this
answer
helpful?
Yes
No
Thursday, January 6th, 2011 AT 6:28 PM
Tiny
TRUJILLOMRS
  • MEMBER
  • 2 POSTS
DOc thank you for the diagrams that is exactly what my husband was looking for!

Jeffry, actually I know its a belt but kept hearing it called a timing chain, also knew it was time consuming but thanks for the tip
Was this
answer
helpful?
Yes
No
Thursday, January 6th, 2011 AT 11:04 PM
Tiny
DOCFIXIT
  • MECHANIC
  • 18,828 POSTS
Keep I n touch if need some assistence. Respond to this thread
Was this
answer
helpful?
Yes
No
+1
Friday, January 7th, 2011 AT 1:37 PM

Please login or register to post a reply.