1999 Honda Accord Blue plug for codes

Tiny
XBIRIS
  • MEMBER
  • 1999 HONDA ACCORD
  • 150,000 MILES
Where is the blue plug located which you attach a wire to count check engine light flashes?
I saw a this done on an Acura on YouTube by Ericthecarguy, seemed pretty cool.
There is an unattached blue plug with the fuse panel, could that be it?
Thank you for your help!
Sunday, June 2nd, 2013 AT 4:27 PM

1 Reply

Tiny
CJ MEDEVAC
  • MECHANIC
  • 11,005 POSTS
OLE ERIC IS PRETTY COOL!

HE 'SPLAINS THINGS REALLY WELL

I'VE LINKED PEOPLE TO HIM FOR "DRUM BRAKES"---"CALIPERS"---AND "FINDING A VACUUM LEAK"

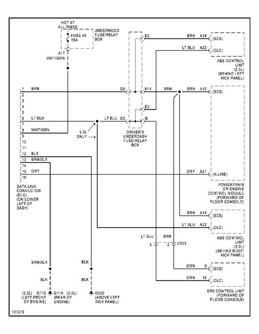
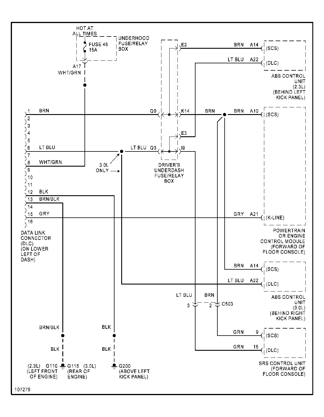
NOT KNOWING MUCH ABOUT YOUR CAR----I WENT TO "THE MAP"."MITCHELL I"

I WENT IN USING A "ACCORD DX". THERE WERE 2 OTHER CHOICES FOR YOUR YEAR MODEL. SEE IF THIS DIAGRAM "JIVES" WITH YOUR VEHICLE, IT MAY ALSO APPLY TO THE OTHER 2 MODELS. REGARDLESS, LET ME KNOW IF I GOT THE WRONG DIAGRAM

LOOK AT THE UPPER LEFT SIDE OF THE DIAGRAM. THE LOCATION FOR THE "TEST STUFF" IS THERE

LEMME KNOW IF THIS HELPS

.I LIKE OLDER JEEPS! (1989 ON BACK) COMPUTERS WERE NOT IN COMMAND. THINGS ARE/ WILL ALWAYS BE EZ TO DIAGNOSE, REPAIR, AND RELATIVELY INEXPENSIVE."MR. JEEP" IS 36 YEARS OLD--"WILLY" IS ONLY 67!

THE MEDIC
Was this
answer
helpful?
Yes
No
Sunday, June 2nd, 2013 AT 5:31 PM

Please login or register to post a reply.