Ranger 4 wheel drive

Tiny
GRNBAY5222
  • MEMBER
  • 1999 FORD RANGER
  • 6 CYL
  • 4WD
  • AUTOMATIC
  • 200,000 MILES
I have a 99 ranger with the electronic 4 wheel drive switch system that is not working. With the switch set to 4 wheel high, the hubs do not lock, the front drive shaft does not turn, and sometimes the indictor lights will flash. With the truck running, and the switch turned on, I have pulled the vacuum hose off each wheel one at a time. There does not appear to be any vacuum. I have the soliniond out on the bench, and when power is applied it does sound like it is switching. I don't have any wiring or vacuum diagrams of the system. Any ideas what may be wrong or where I can get a set of wiring of vacuum diagrams.

Thanks.
Thursday, December 23rd, 2010 AT 11:33 PM

1 Reply

Tiny
KHLOW2008
  • MECHANIC
  • 41,814 POSTS
Merry Christmas.

VEHICLE DOES NOT SHIFT BETWEEN 2WD & 4WD HIGH MODES PROPERLY
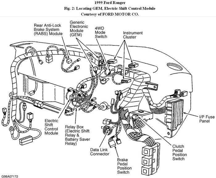
Possible causes: 4WD mode switch, electric clutch relay, contact plate sensors, T/C shift motor, transfer case and/or GEM.
Was this
answer
helpful?
Yes
No
Saturday, December 25th, 2010 AT 9:38 AM

Please login or register to post a reply.