1999 Ford F-250 Fuse Blowing

Tiny
JOHTRUCKING
  • MEMBER
  • 1999 FORD F-250
  • V8
  • 2WD
  • AUTOMATIC
  • 123,000 MILES
I have no tail lights and no dash lights and no parking lights. Replaced fuse and it immediately blew again. What is the problem?
Saturday, August 2nd, 2008 AT 8:54 PM

6 Replies

Tiny
RASMATAZ
  • MECHANIC
  • 75,992 POSTS
You have a short circuit direct to ground that powers those lights somewhere could be wiring or component issue
Was this
answer
helpful?
Yes
No
Sunday, September 25th, 2011 AT 8:42 PM
Tiny
STRAIT1
  • MEMBER
  • 1 POST
I was aware that it was a direct short to ground, I was curious if anyone had a real good logical place to start looking. Maybe someone already did this one before and it was the wire going thru the frame behind the whatchamaycallit ore something.
Was this
answer
helpful?
Yes
No
+1
Sunday, September 25th, 2011 AT 10:58 PM
Tiny
RIVERMIKERAT
  • MECHANIC
  • 6,110 POSTS
There are literally dozens of possible locations. With the what lights you say are having problems, I would look at the headlight switch itself, first.
Was this
answer
helpful?
Yes
No
Tuesday, September 27th, 2011 AT 3:20 AM
Tiny
CJ MEDEVAC
  • MECHANIC
  • 11,005 POSTS
IF THE ABOVE ADVICE AIN'T HELPING, ATTEMPT THIS:

IF YOU CAN FIND CONNECTORS ALONG THE WAY TOWARDS THE "FIXTURES" ON THAT CIRCUIT. UNPLUGGING THEM AND "SACRIFICING" A FUSE, EACH TIME MAY HELP NARROW DOWN, AT LEAST WHICH END OF YOUR VEHICLE TO INVESTIGATE.

SOMETHING THAT AIDED ME ONCE WAS, I FOUND WHICH SIDE OF THE FUSE HOLDER WAS "HOT", WHEN THE FUSE WAS REMOVED. THAT LEFT THE OTHER SIDE TO BE "FEEDING" THE FIXTURES". BUT NOW IN THIS "SHORTED SITUATION" GOING TO "BODY GROUND, OR SHORTED"

I DISCONNECTED THE BATTERY, AND RAN A CONTINUITY TEST FROM THE FRAME TO THE "FIXTURE FEED" SIDE OF THE FUSE HOLDER

THE DOWN SIDE OF THIS IS, YOU ALSO MUST REMOVE ALL BULBS AND, FOR INSTANCE, "MOTORS" ETC, OUT OF THE EQUATION (AS THE POSITIVE RUNS THRU THEM, AND TO A GROUND)

ANYWAY, ONCE ALL OF THE CRAP, IS OUT OF THE EQUATION. AND ALL THAT COULD BE LEFT IS A "POSITIVE WIRE" (SOMEWHERE) TOUCHING "GROUND"

MY SITUATION, SO HAPPENED TO BE BRAKE LIGHTS, AND I PULLED MY HAIR OUT FOR DAYS, BEFORE I DID THIS

THE VOLTMETER I WAS USING HAD A "TONE" FEATURE, WHICH SOUNDED WHEN CONTINUITY WAS PRESENT. I LEFT IT CONNECTED TO THE FUSE HOLDER AND ALSO TO GROUND. IT CONSTANTLY SOUNDED AS I TRIED TO METHODICALLY RUN DOWN THE WIRES, SHAKING AND PULLING AS I WENT, UNTIL "VOLTMETER RACKET" STOPPED.

I WAS CONVINCED, IT WAS AT THE REAR, WHERE WIRES CAN MOVE.

THIS WAS ON A JEEP CJ5, AND WIRING IS NOT SO COMPLICATED, MY PROBLEM TURNED OUT TO BE A WIRE OUT OF THE LOOM, THAT SCUFFED THE INSULATION OFF ON A "TAB" WHICH HELD THE LOOM IN PLACE. THE LOOM FOLLOWS THE DRIVER'S DOOR FRAME AND "LIP" ON THE INSIDE OF THE JEEP. IT FEEDS EVERYTHING TO THE REAR OF THE JEEP

IF YOU CAN GRASP WHAT I'M SAYING, YOU MIGHT BE ABLE TO REMOVE THE LIGHT SWITCH CONNECTOR AND RUN SIMILAR TESTS THRU EACH OF THE CONNECTORS, INSTEAD OF AT THE FUSE, AS I DID. JUST REMEMBER TO TAKE OUT BULBS AND ANYTHING ELSE THAT GROUNDS THAT WIRE (NORMALLY)

WE/ ME/ OTHER GUYS, MAY BE ABLE TO FIND AN DIAGRAM OF SOME SORT THAT MIGHT DEFINE YOUR LIGHT SWITCH CONNECTIONS (WHERE THEY GO TO).I'M NOT GOOD AT THAT, I CAN TRY! BUT THE OTHERS MAY BE BETTER ABLE. LET US KNOW, IF YOU MIGHT WANT IT, IF WE CAN GET IT

UNDER NO CIRCUMSTANCE, INCREASE THE FUSE SIZE OR "HARD-WIRE", THRU THE FUSE HOLDER---IF THIS WERE STUPIDLY DONE, LOOK QUICKLY FOR THE INITIAL SMOKING WIRE(S), PRIOR TO YOUR WIRING HARNESS/ ENTIRE CAR BECOMING A "CRISPY CRITTER"!

THE MEDIC
Was this
answer
helpful?
Yes
No
Tuesday, September 27th, 2011 AT 4:26 AM
Tiny
RIVERMIKERAT
  • MECHANIC
  • 6,110 POSTS
We have them, but the system won't allow me to save the wiring diagrams. I have to print and then scan and my printer is on the fritz.
Was this
answer
helpful?
Yes
No
-1
Tuesday, September 27th, 2011 AT 4:37 AM
Tiny
CJ MEDEVAC
  • MECHANIC
  • 11,005 POSTS
MANY MANY DIAGRAMS IN MITCHELL I

DO YOU HAVE AUTO LAMPS? DIAGRAMS FOR THAT IS THERE, I JUST DIDN'T GRAB 'EM. LET ME KNOW IF YOU NEED THEM

I DID NOT GET AS FAR AS "LIGHTS"----THE AUTO LIGHT DIAGRAMS (2), BACK-UP LAMPS, COURTESY LAMPS(THERE ARE 63 DIAGRAMS FOR THE ENTIRE VEHICLE W/ DIFFERENT ENGINES, THE OTHER SYSTEMS)

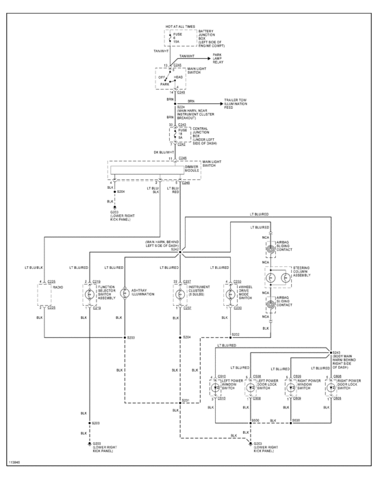
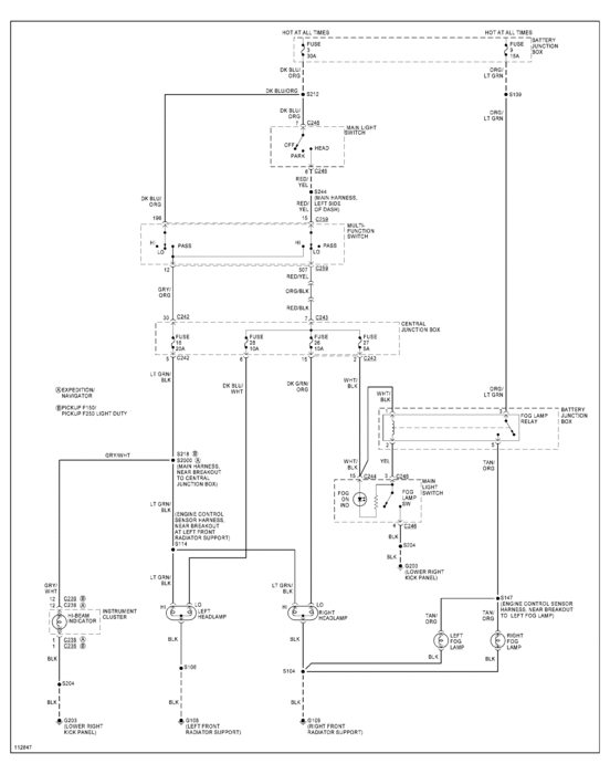
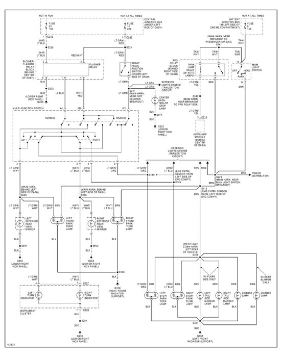
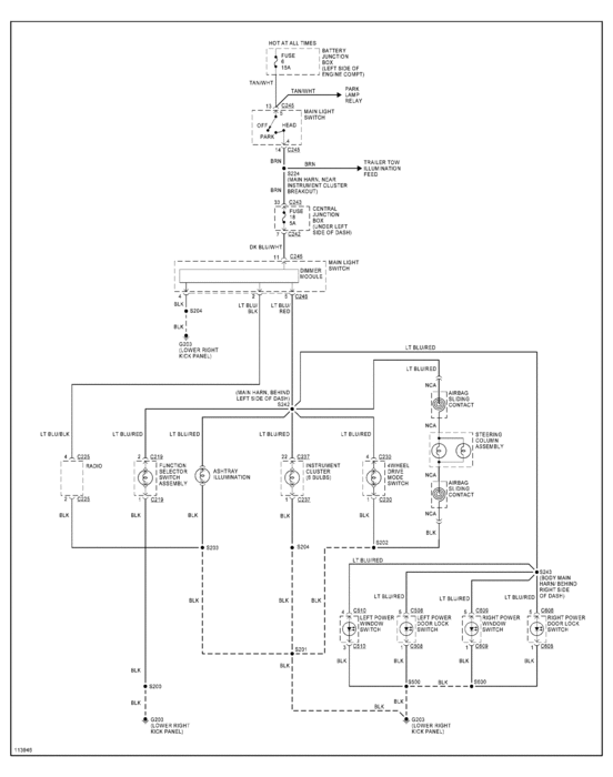
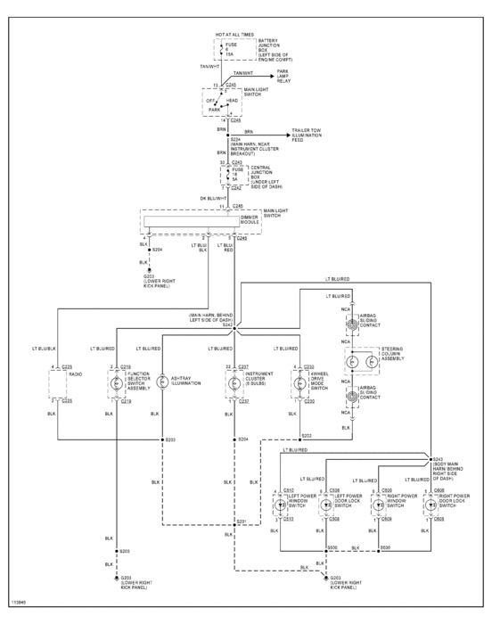
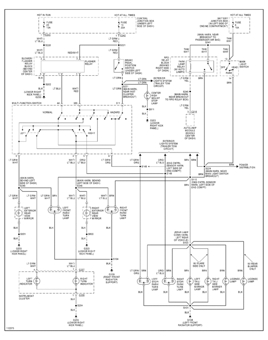
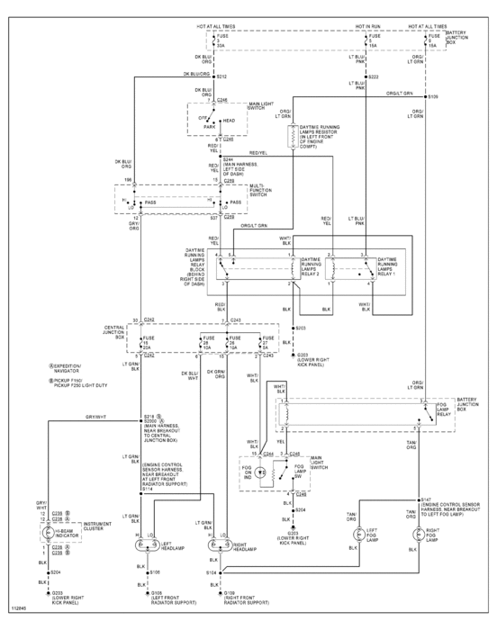
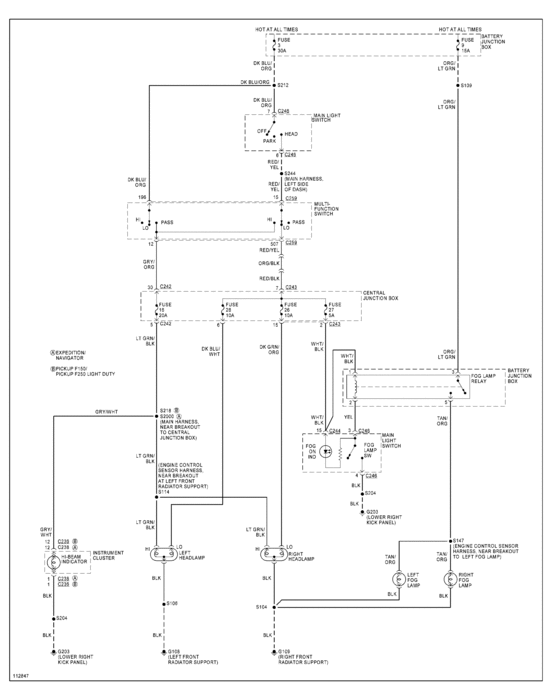
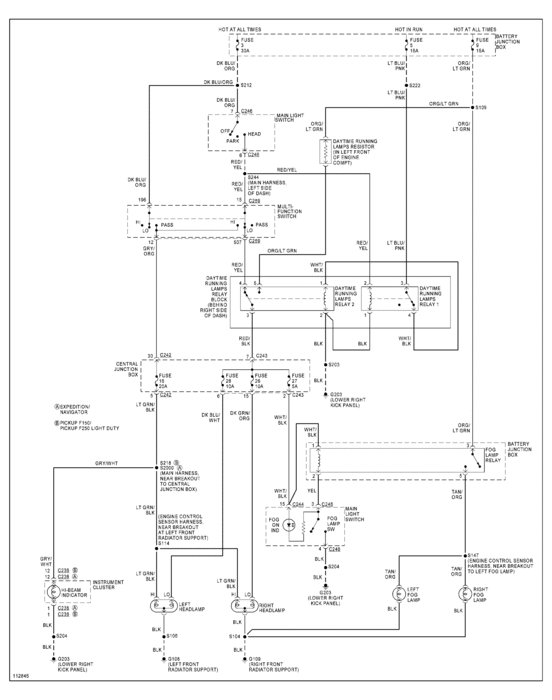
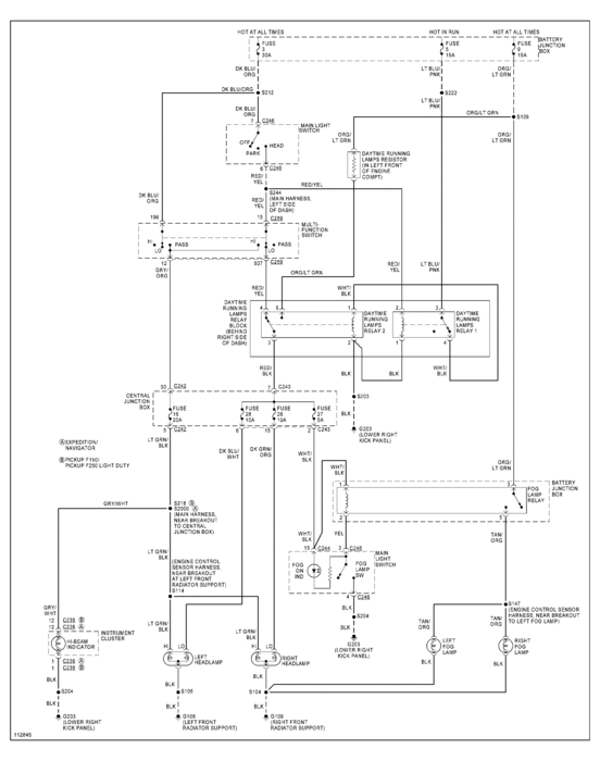
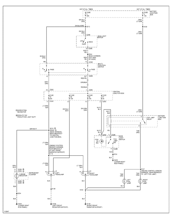
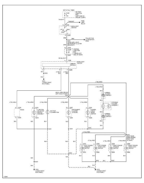
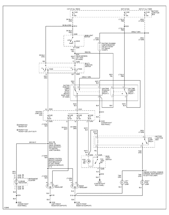
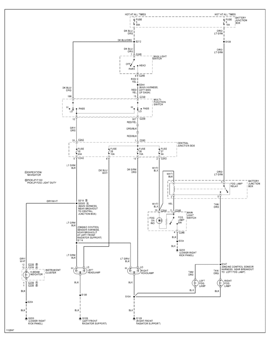
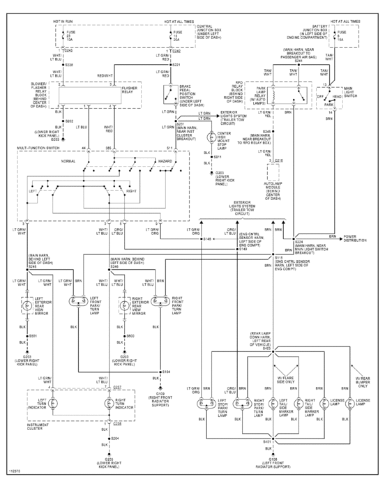
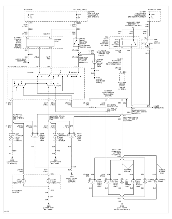
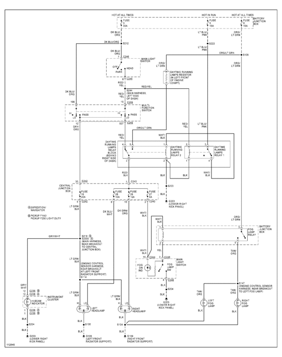
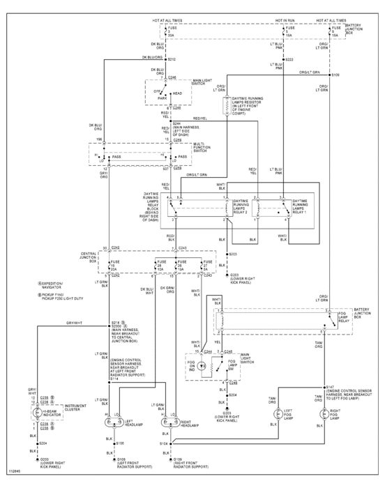
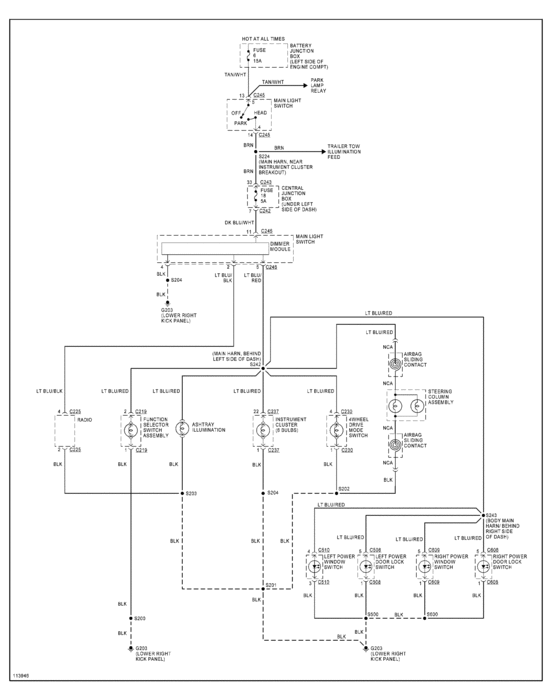
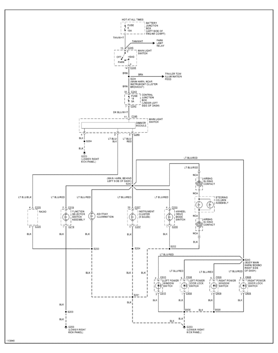
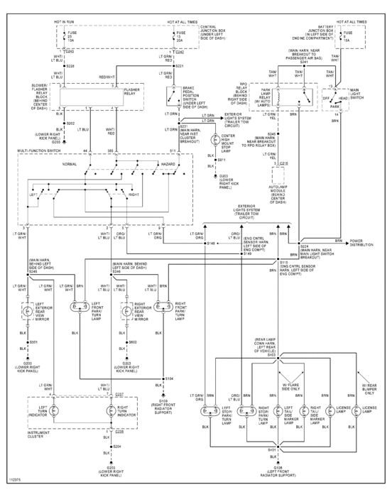
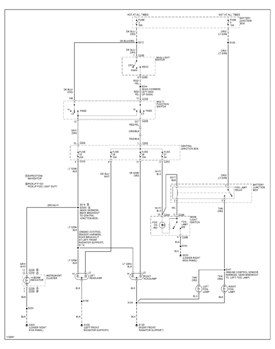
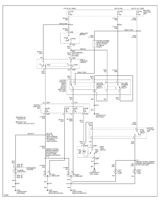
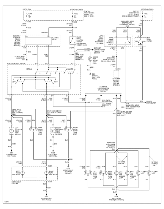
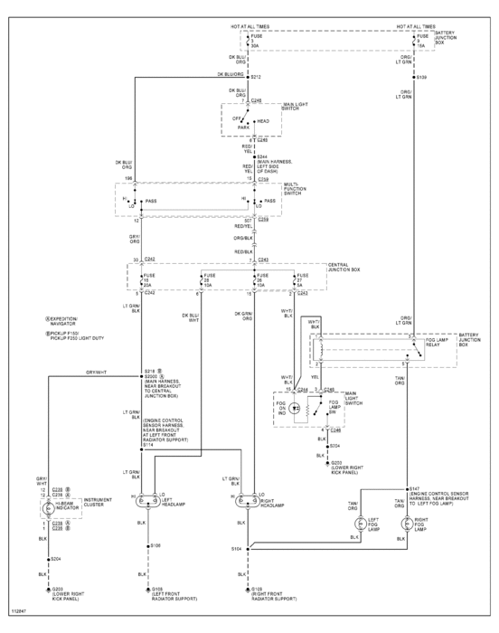
THIS IS WHAT I DID GET FOR NOW:

1ST DIA---INSTRUMENT ILLUMINATION

2ND DIA---HEADLAMPS & FOG LIGHTS WITH OUT DRL (I ASSUME DAYLIGHT RUNNING LIGHTS?)

3RD DIA---HEADLAMPS & FOG LAMPS WITH DRL

4TH DIA---EXTERIOR LAMPS

KEEP US POSTED ON YOUR PROGRESS, I DID NOT LOOK FOR YOUR LIGHT SWITCH IN THEM YET, JUST GOT 'EM

THE MEDIC
Was this
answer
helpful?
Yes
No
+1
Tuesday, September 27th, 2011 AT 8:27 PM

Please login or register to post a reply.