Alternator will not charge

Tiny
JENNY0403
  • MEMBER
  • 1999 FORD ESCORT
  • 190,000 MILES
I changed alternator, battery, and new belt car will start but alternator will not charge, gauges, brake lights, and turn signals will not work.

Have tested all fuses and wires everything says that it has power going to it don't know what else to do.
Thursday, May 24th, 2012 AT 11:49 PM

2 Replies

Tiny
HMAC300
  • MECHANIC
  • 48,601 POSTS
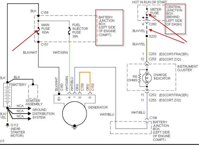
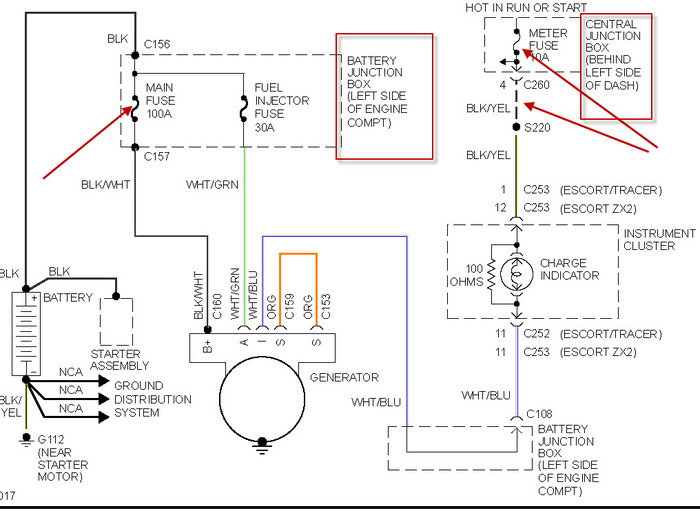
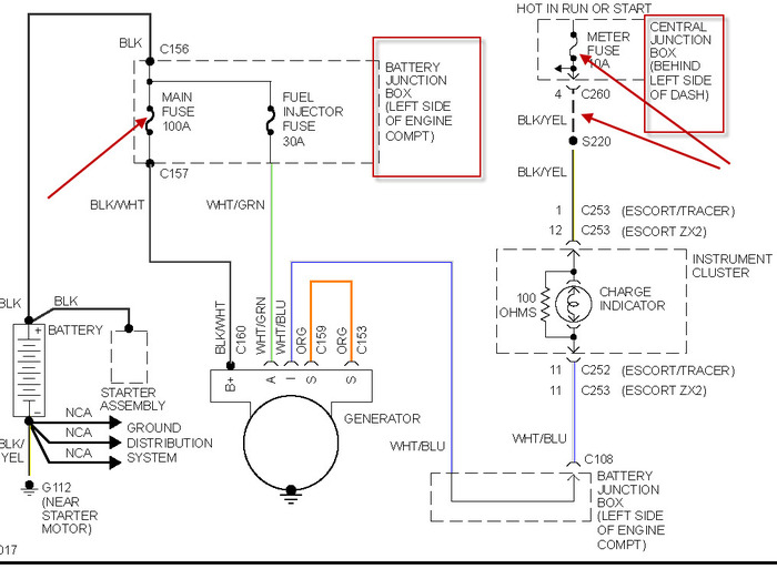
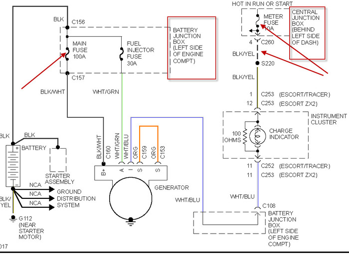
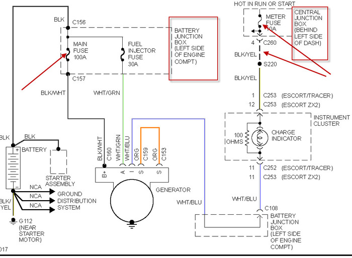
Check to see if one of the fusible links at the starter relay have burnt up or not making contact. Check the things in red or arrows in pic.
Was this
answer
helpful?
Yes
No
+1
Friday, May 25th, 2012 AT 12:10 AM
Tiny
CJ MEDEVAC
  • MECHANIC
  • 11,005 POSTS
WHAT ABOUT FUSIBLE LINKS?

CHECK YOUR CONNECTIONS SOME MAY NOT BE MAKING GOOD CONTACT

LASTLY, EVEN A NEW PART CAN BE BAD

IS IT POSSIBLE TO CHECK THE ALTERNATOR'S VOLTAGE AT THE UNIT, NOT AT THE BATTERY? THIS MAY CONFIRM THAT IS DOES PRODUCE VOLTAGE (SO YOU DO NOT HAVE TO REMOVE IT FOR AN AUTO PARTS STORE TEST)

KEEP US INFORMED, I MAY BE ABLE TO GET YOU A WIRING DIAGRAM OF THE SYSTEM. IT MAY SHOW OTHER COMPONENTS TO CHECK

THE MEDIC
Was this
answer
helpful?
Yes
No
Friday, May 25th, 2012 AT 12:14 AM

Please login or register to post a reply.