Monday, January 12th, 2015 AT 2:35 PM
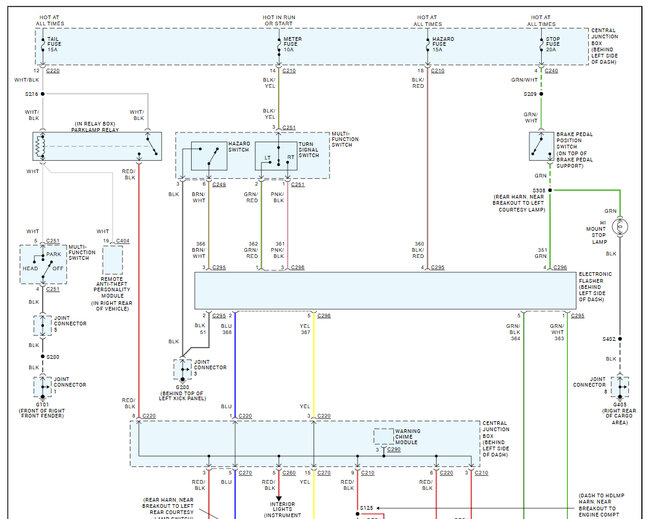
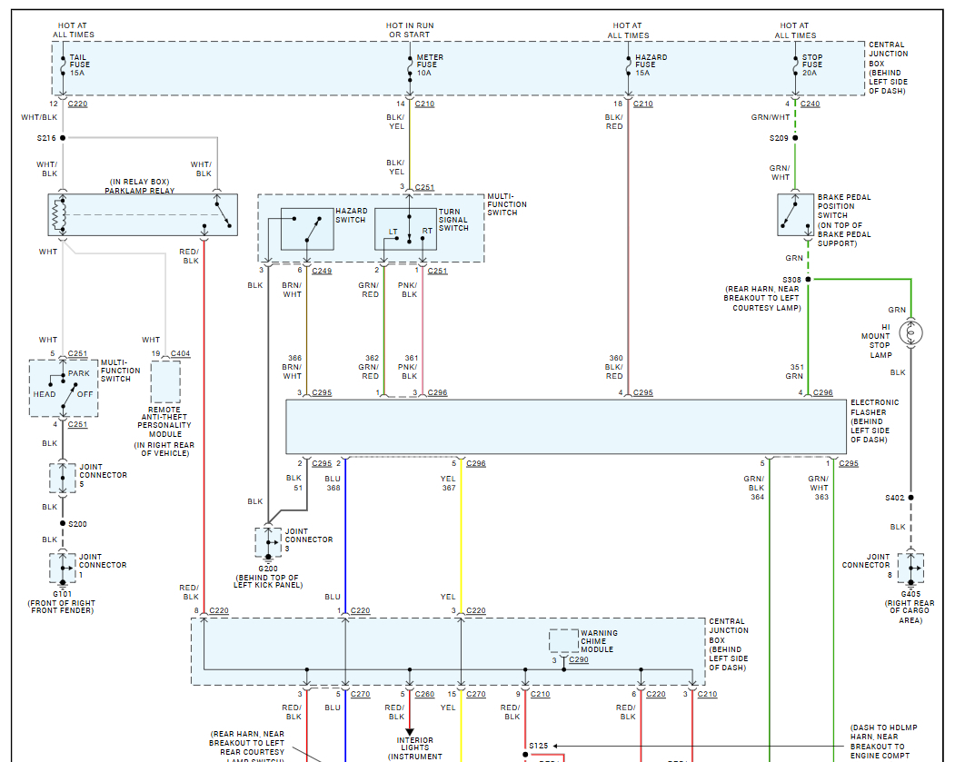
I have a 1999 escort zx2 and the brake lights do not work, I have replaced the brake light switch the fuse and the bulbs and still no brake lights. The turn signals work the tail lights work and the hazard lights work.




