Monday, September 19th, 2011 AT 7:19 PM
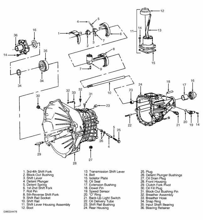
It has a 5 speed manual trans. It has been shifted so many times the shift lever is very sloppy. (It is hard to find the gears) could you tell me how to fix this



