Sunday, September 11th, 2011 AT 5:29 PM
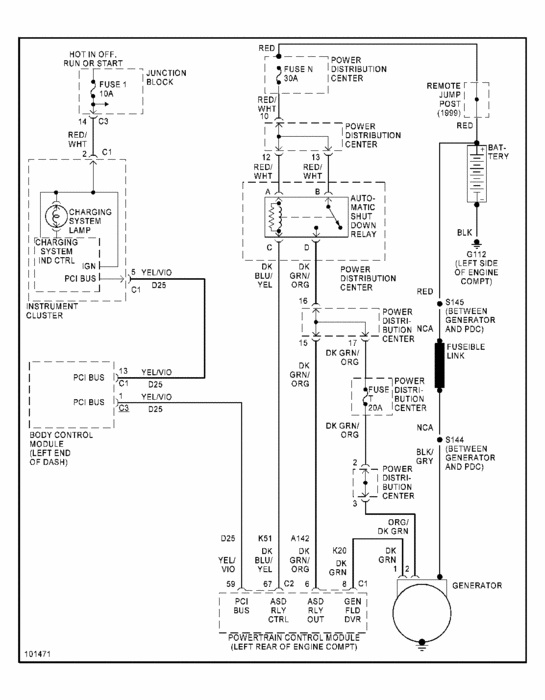
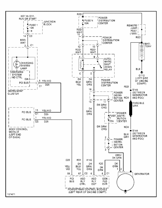
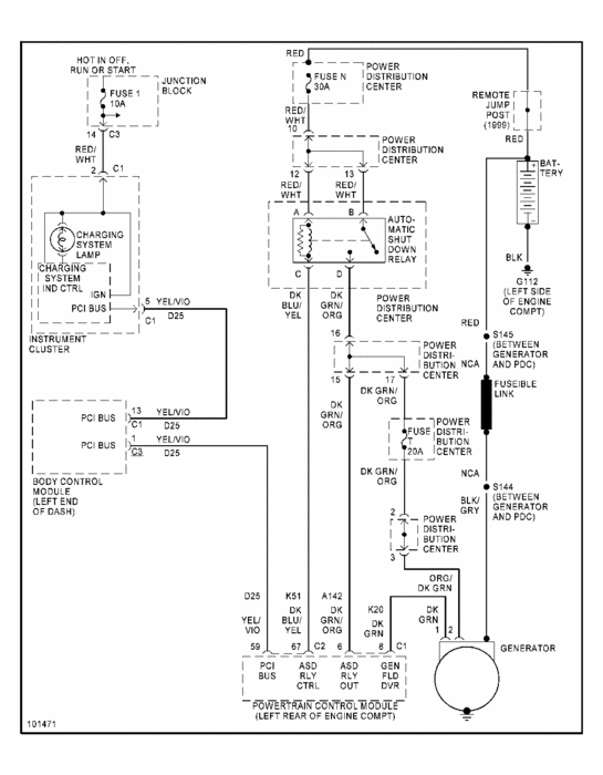
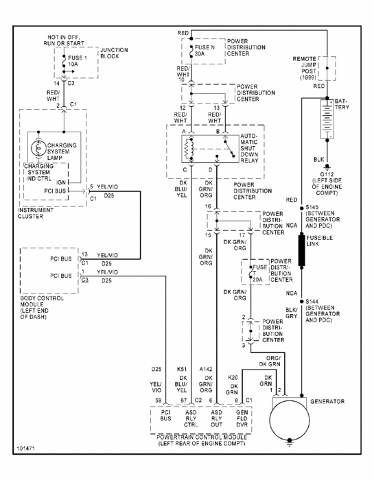
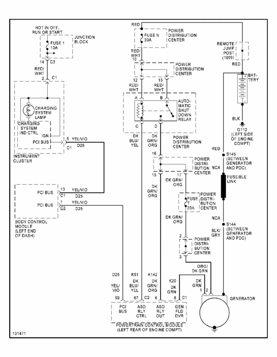
My LHS wont keep power, tried changing the battery, then figured it was the alternator, nope, now im out $200+? I Recently changed the battery After Owning my Car For About 7 Months Just Because It Wouldn't Start One Day, I Received A Jump And It Was Fine. Figured It Needed That Do To The Unknown Of How Long Ago That Battery Was Replaced & Used. Myself And A Friend Suspected It Was The Alternator After Giving Me A Jump And Disconnecting The Jumper Cables It Died Again. I Bought A New Alternator And Still The Same Problem? I've Checked My Fuses And The're All Normal, My Car Has Perfect Power And Starts Fine As Long As Its Connected With Jumper Cables! It Just Wont Keep Power Long Enough For Me To Drive It Anywhere? Somebody please advise me on what the problem could be on my 1999 Chrysler LHS!




