Interior lights and trunk release switch are not working

Tiny
LESTER N CAROL HOCH
  • MEMBER
  • 1999 BUICK PARK AVENUE
  • 3.8L
  • V6
  • TURBO
  • 2WD
  • AUTOMATIC
  • 122,000 MILES
Interior lights quit working. Door switches nor light switch will turn them on. Also trunk release switch does not work.
Wednesday, September 5th, 2018 AT 8:13 AM

1 Reply

Tiny
KEN L
  • MASTER CERTIFIED MECHANIC
  • 55,065 POSTS
Hello,

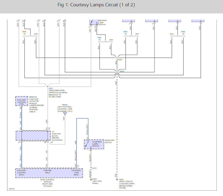
There is a batt2 maxi fuse under the hood we need to check for power. Here is the wiring diagrams so you can see how the system works and a guide to help you test for power:

https://www.2carpros.com/articles/how-to-use-a-test-light-circuit-tester

Here are the fuse locations as well. Check out the diagrams (below). Please let us know what you find.

Cheers, Ken
Was this
answer
helpful?
Yes
No
+2
Thursday, September 6th, 2018 AT 11:02 AM

Please login or register to post a reply.