Friday, September 30th, 2011 AT 3:27 PM
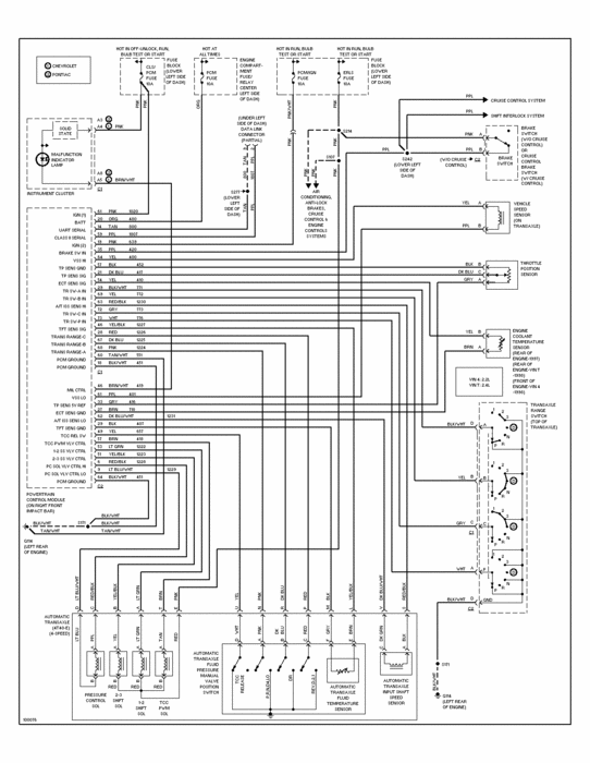
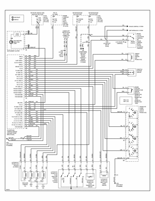
Speedometer need is allways to the far right and am not shure why. Could it be cluster, wiring or speed sensor? Diagram would help to. Thanks


