horn

1998 PONTIAC FIREBIRD
Avatar
AMCKEY
  • MEMBER
  • 9 POSTS
1998pontatic firebird don"t work.where is horn located on car?how do i fix it
Jan 9, 2011 at 2:06 AM
Advertisement
Repair Safety Notice: This information is for general instructional purposes only. Vehicle repair can be dangerous. Verify all information, follow manufacturer service procedures, use proper tools and safety equipment, and consult a qualified repair shop when needed.
Avatar
KHLOW2008
  • AUTOMOTIVE REPAIR CONTRIBUTOR
  • 41,814 POSTS
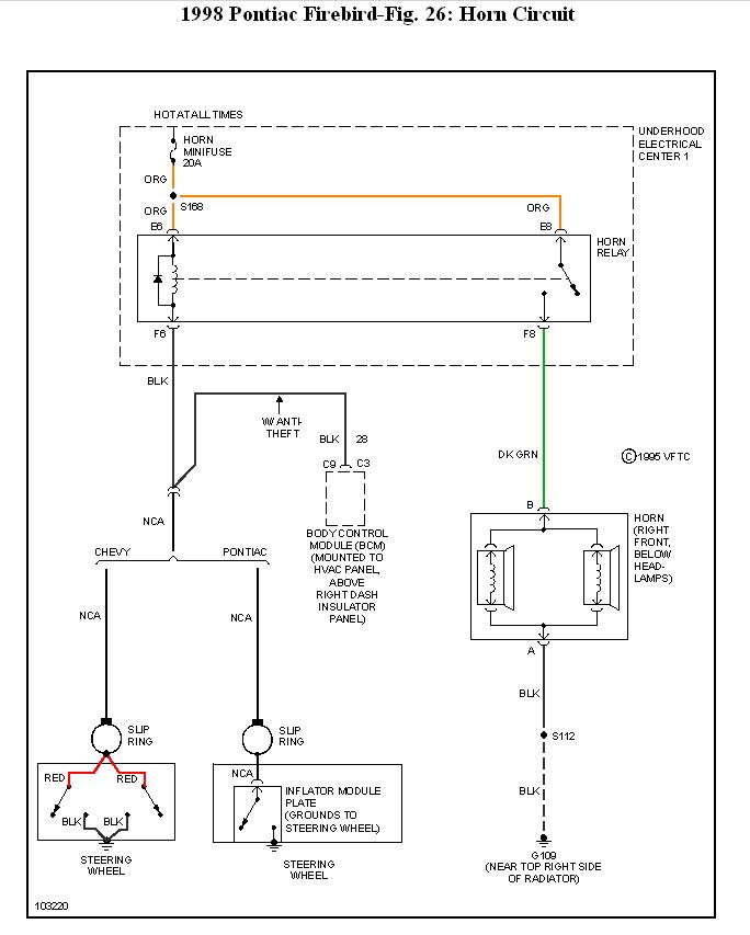
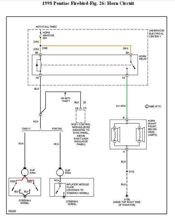
Attached is a schematic of the horn wiring circuit.

The horns are located at front right, behind bumpers under the headlights.

Check the fuses fuses and relay.

Unplug the relay and apply battery voltage to terminal F8 with a fused wire and if the horn works, it is a fault with the wiring circuit or relay.

Test terminal F6 for continuity to ground when the horn buttons are depressed. If no continuity is available, check the wiring between horn button and relay. It could be a faulty slip ring under the steering wheel.
Jan 9, 2011 at 6:02 AM
Avatar
AMCKEY
  • MEMBER
  • 9 POSTS
where is horn relay located
Jan 10, 2011 at 1:31 AM
Advertisement
Avatar
KHLOW2008
  • AUTOMOTIVE REPAIR CONTRIBUTOR
  • 41,814 POSTS
Horn relay is located in underhood electrical center 1, near front left of engine compartment.


Jan 10, 2011 at 3:27 PM