Friday, June 7th, 2013 AT 2:12 PM
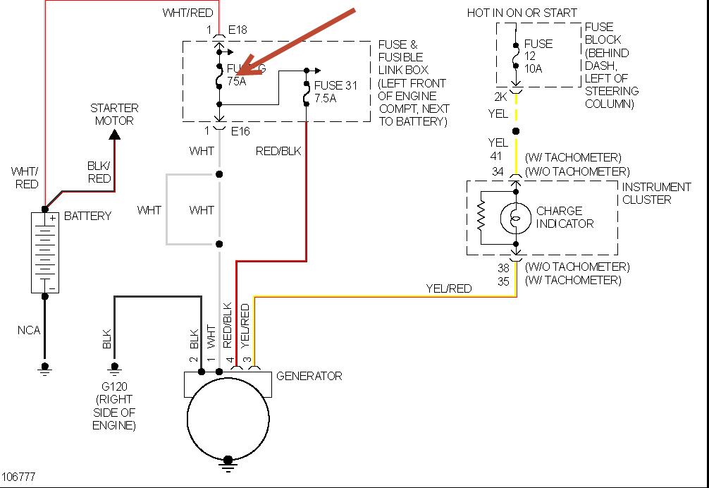
GLE 1.6, Automatic Transmission. Battery(BAT) and brake(BRK) lights came on while driving. Installed new battery. Alternator(ALT) test results good but Voltage Regulator(VR) failed when Air Conditioner(AC) on. Installed new ALT but BAT and BRK lights came on again when AC on. New ALT failed VR test when AC on. Installed new Idler Pulley (bearings worn out). Found top part of Harmonic Balancer(HB) split a little bit. It is due for replacement. Car starts, drives with some clicking noise under Right side of hood but all indicator lights, horn, don't come on. Only the headlights can be turned on. Cannot roll down windows. All fuses, relays, connections to BAT and ALT are intact. Car has not been driven since then. Need to know the problem before replacing HB. By the way, the old ALT passed all aspects when tested on the bench.



