HOME
ASK A QUESTION
REPAIR GUIDES
BECOME A MEMBER
LOG IN
Login with Facebook
OR
Remember me
NOT A MEMBER?
FORGOT PASSWORD?
CONTACT US
PRIVACY POLICY
TERMS AND CONDITIONS
☰
Home
Mercury
Villager
Engine
Oxygen Sensor
Location
I need to change the bank 1 sensor 2 O2 sensor
SARAHDEE27
MEMBER
1998 MERCURY VILLAGER
14,000 MILES
I need to change the bank 1 sensor 2 o2 sensor. Where exactly is this sensor located?
Sunday, February 24th, 2013 AT 5:11 PM
2 Replies
SARAHDEE27
MEMBER
2 POSTS
We found PO141
Was this
answer
helpful?
Yes
No
Sunday, February 24th, 2013 AT 8:42 PM
KASEKENNY
MECHANIC
18,907 POSTS
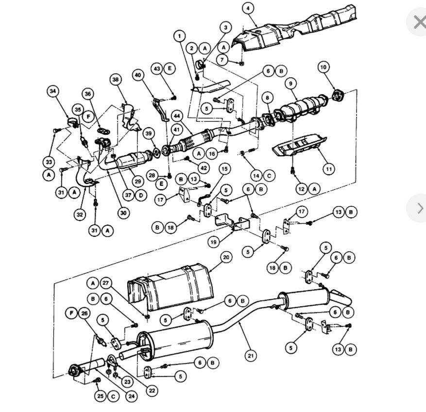
I will be attaching that info below and I will attach the testing that we need to do in order to confirm the sensor is the issue.
Here are a couple of guides that will help with this:
https://www.2carpros.com/articles/how-to-replace-an-oxygen-sensor
https://www.2carpros.com/articles/how-to-test-an-oxygen-sensor-02-sensor
Please see the attached info on the testing and the location and how to replace it.
Please run through all this material and let us know what questions you have.
Thanks
Images (Click to make bigger)
Was this
answer
helpful?
Yes
No
Sunday, February 20th, 2022 AT 7:03 PM
Please
login
or
register
to post a reply.
Related Oxygen Sensor Location Content
Using Rubbing Alcohol
Is It Safe To Use Rubbing Alcohol In The Gas Somebody Told Me It Helps The Engine Also Have Replaced An O2 Sensor Twice And The Same Codes...
Asked by
wlk3tck4
·
3 ANSWERS
2001
MERCURY VILLAGER
Stalls When Warmed Up
Replaced Catalytic Converter And Front Oxygen Sensor. Replaced Rear Oxygen Sensor And It Would Not Idle. Put Old Sensor Back On And It Idles...
Asked by
robertjackson
·
3 ANSWERS
1997
MERCURY VILLAGER
Are My Air Conditioning Belt And Alternator Belt The...
Does A 1995 Mercury Villager Need The Air Conditioning Belt To Continue Charging The Battery And Running The Water Pump? In Other Words Is...
Asked by
Brewen
·
1 ANSWER
1 IMAGE
1995
MERCURY VILLAGER
1994 Mercury Villager Timing Belt/chain
Does A 1994 Mercury Villager Have A High Compression Or Low Compression Motor? My Timing Belt/chain Went Up Last Week And I Just Wanted To...
Asked by
latincandy
·
1 ANSWER
1994
MERCURY VILLAGER
Timing Chain Or Timing Belt?
I Would Like To Know How Can I If My Timing Chain Is Gone? Or If My Fuel Pump Is Bad?
Asked by
CHIKA
·
4 ANSWERS
34 IMAGES
2002
MERCURY VILLAGER
VIEW MORE
Ask a Car Question. It's Free!
Oxygen Sensor Replacement Dodge
Oxygen Sensor Replacement
Oxygen Sensor Replacement