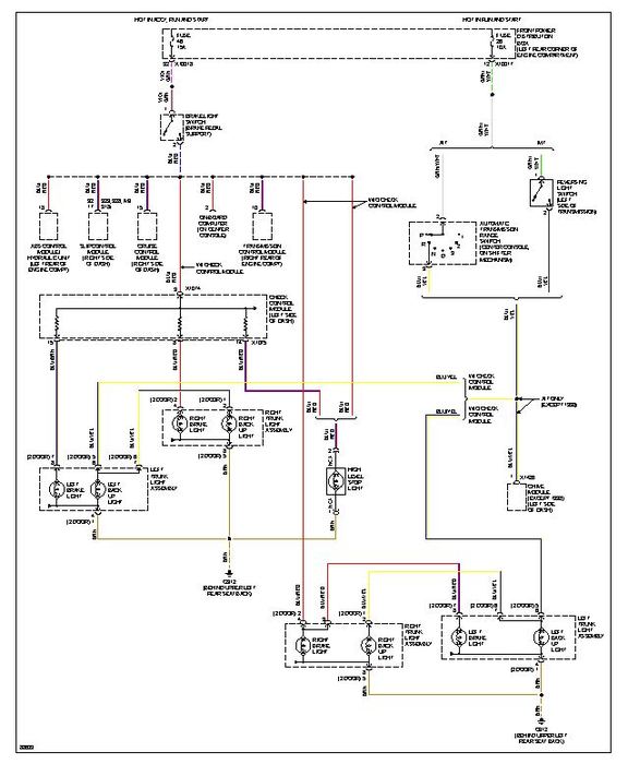
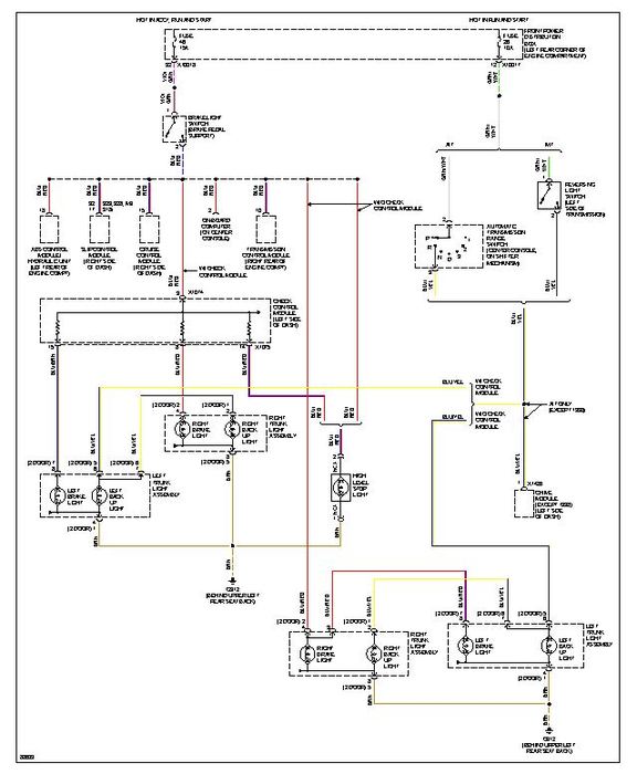
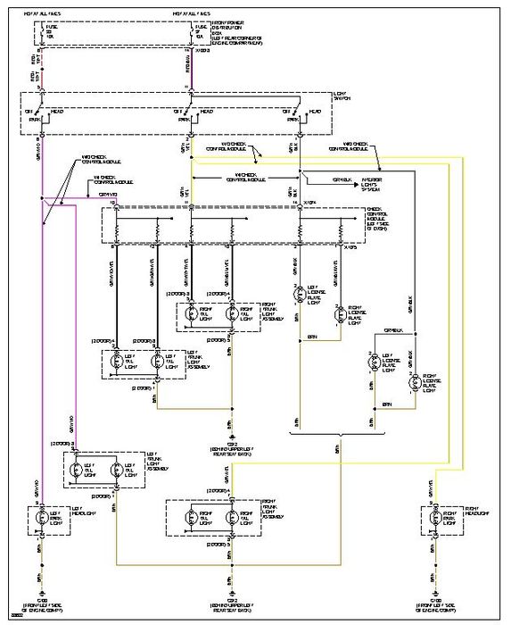
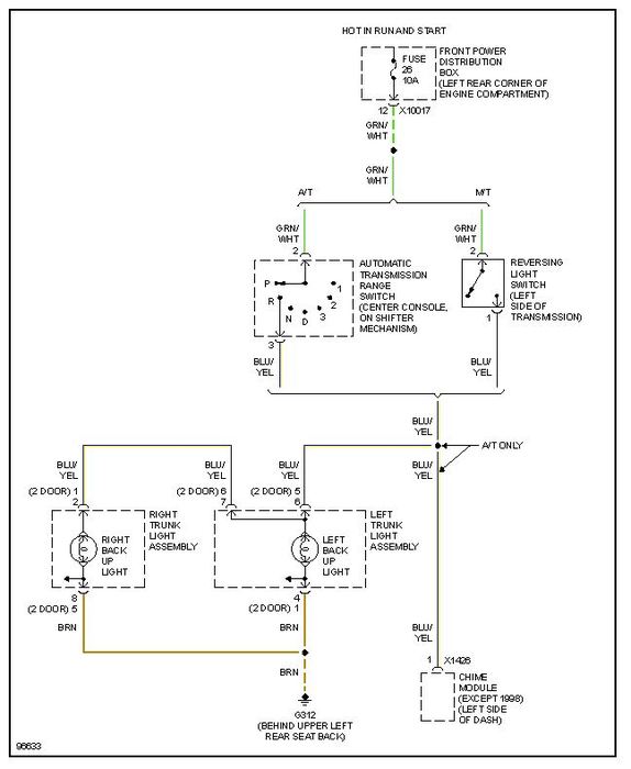
Need electrical diagram for lighting system in 1998 Mercedes Benz 320e model will be very appreciated

Tiny
DHANASARSOOBHAG
  • MEMBER
  • 1998 MERCEDES BENZ E320
Some lights not working have to check wiring and the fuses
Monday, October 1st, 2012 AT 8:53 PM

1 Reply

Tiny
DRCRANKNWRENCH
  • MECHANIC
  • 3,380 POSTS
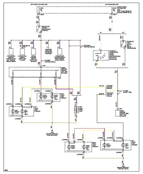
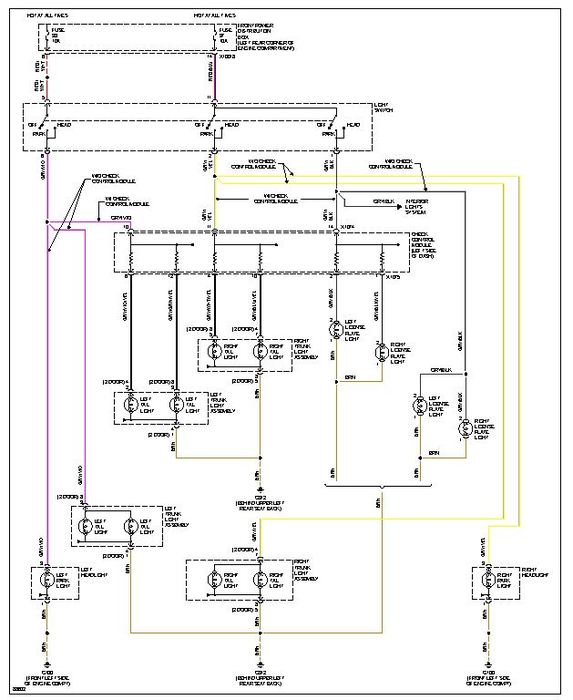
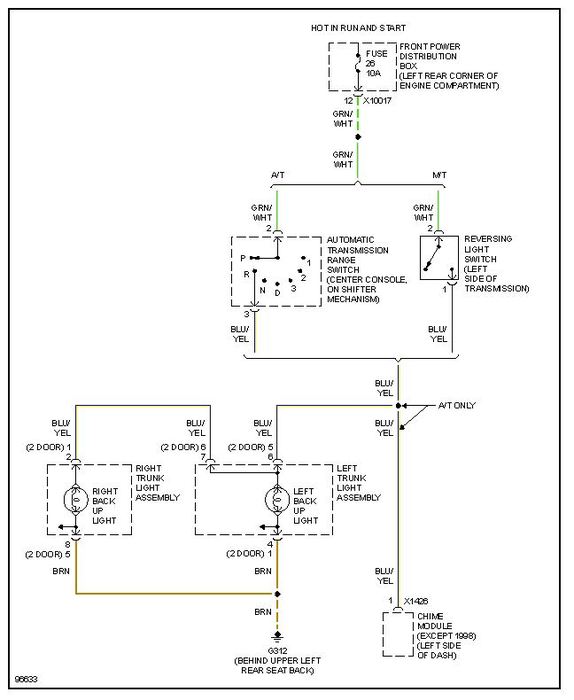
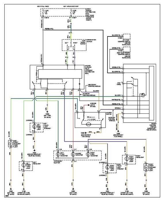
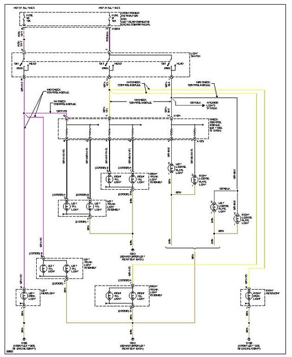
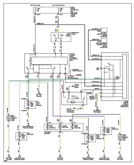
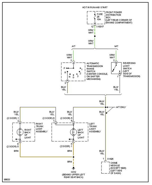
I do not have the 320e. I am giving you the 323i which is the closest I have and might even use the same wiring harness. We all use the same online service manual so unless the year or model is a typo, this is the best I can get you.
Was this
answer
helpful?
Yes
No
Tuesday, October 2nd, 2012 AT 12:07 AM

Please login or register to post a reply.