Computer board has been replaced twice.

Tiny
MARTY246
  • MEMBER
  • 1998 JEEP GRAND CHEROKEE LAREDO
Computer board on 98 Jeep Grand Cherokee Laredo has been replaced twice. It blows the board right after you install the new one and crank it up. No one can tell me what is causing this yet they keep taking my money. Any suggestions?

Quit while going down hwy. Told it was the computer board. Replaced with new board, cranked engine board bowed. Replaced again and same thing happened. No one able to tell me what the problem is.
Friday, December 23rd, 2011 AT 5:05 PM

3 Replies

Tiny
DRCRANKNWRENCH
  • MECHANIC
  • 3,380 POSTS
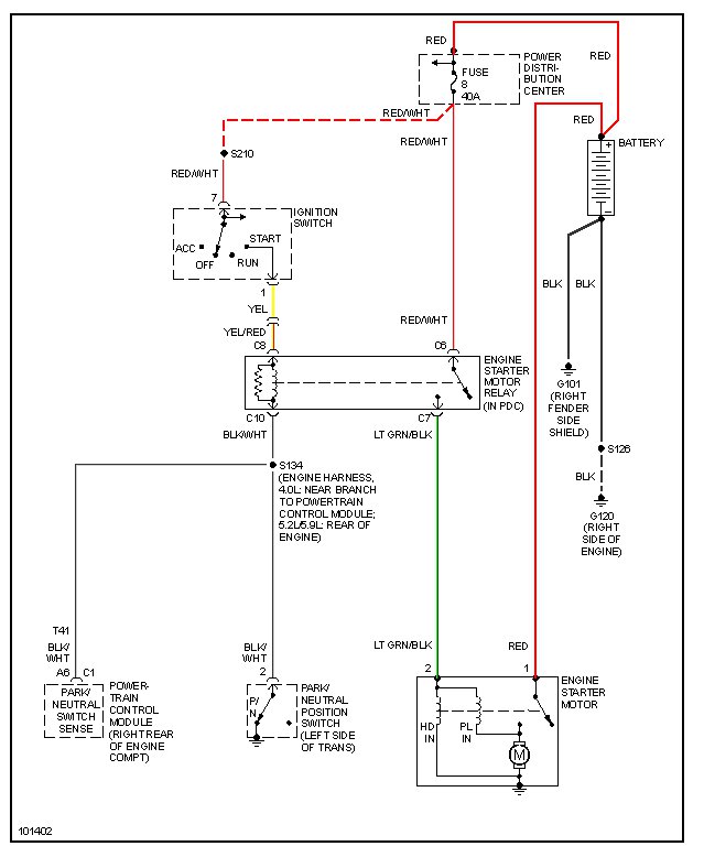
You must have a short somewhere. Unfortunately a short coming off the ECU is a lot of circuits to check.
I am giving you the data lines for the truck. I am also giving you the PCM wiring diagram which has the dataoutputs and sensors labeled very clearly. There are 3 of them marked 1of3, 2of3, etc.
They will be the wires you want to follow more than the datalines asI understand that this is the computer board that keeps getting fried.
I gave you the PCM for the 5.2L engine, the data lines are not engine specific. If you have a different engine, let me know which one you have and I will give you the proper PCM diagrams.
Was this
answer
helpful?
Yes
No
+1
Friday, December 23rd, 2011 AT 6:11 PM
Tiny
LECTURASYAZAR
  • MEMBER
  • 1 POST
Please, I need PCM diagram for grand cherokee 2011
Was this
answer
helpful?
Yes
No
Saturday, December 9th, 2017 AT 3:49 AM
Tiny
KEN L
  • MASTER CERTIFIED MECHANIC
  • 55,291 POSTS
Can you please start a new question? Your cars wiring is different than this post. We will provide the diagrams no problem.

https://www.2carpros.com/questions/new

Cheers, Ken
Was this
answer
helpful?
Yes
No
+1
Saturday, December 16th, 2017 AT 12:05 PM

Please login or register to post a reply.