Alternator hook up

Tiny
MICHAEL BLAKEMAN
  • MEMBER
  • 1998 FORD CROWN VICTORIA
  • V8
  • 2WD
Am hooking up a new pig tail to the alternator on a 98 crown vic, the harness only has 2 wires a green/red wire and a yellow/white wire. The pigtail has 3 wires coming out the back, what lead on the pigtail do I hook the r/g wire and what lead the y/w wire
Saturday, January 29th, 2011 AT 11:29 PM

1 Reply

Tiny
CARADIODOC
  • MECHANIC
  • 34,461 POSTS
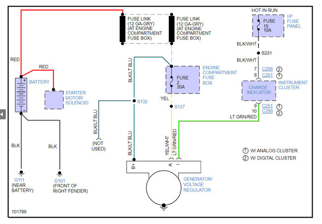
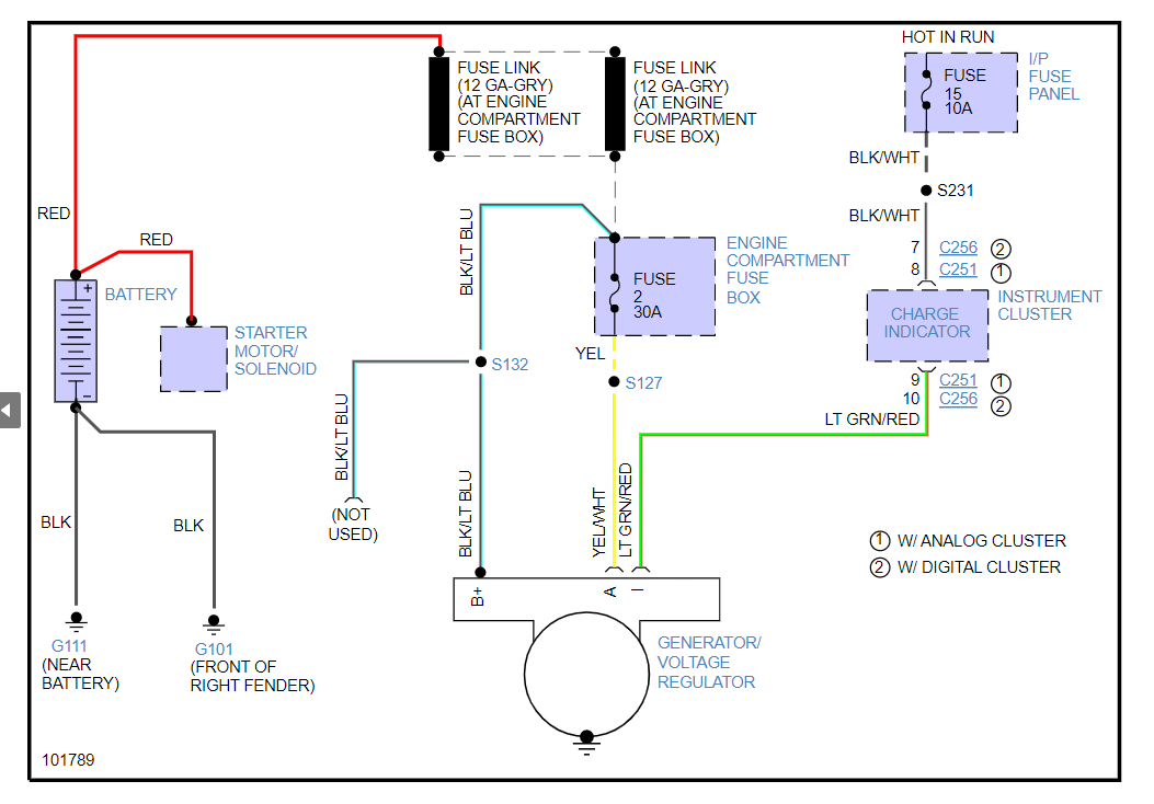
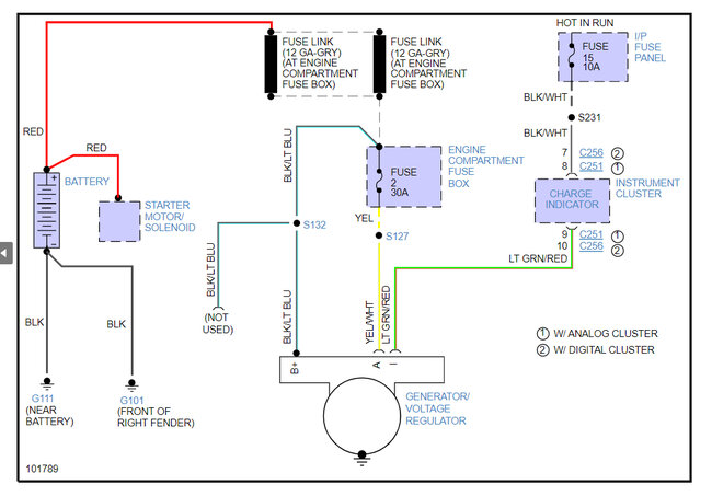
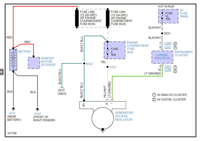
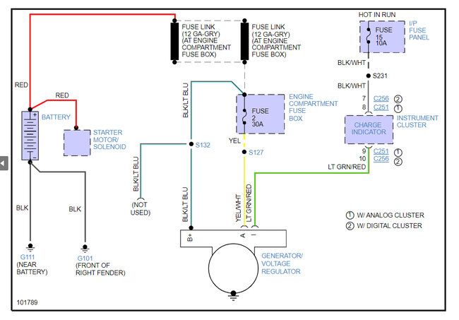
The car will have the yellow and the green / red wires. The white / black wire plugs into the side of the generator. It's only a few inches long. The green wire comes from the dash light and is the turn-on signal for the voltage regulator. The yellow wire must have 12 volts all the time. It runs the field circuit and is the power source and system voltage sensing wire for the regulator. The white wire comes from the stator, (output coil of wire) to tell the regulator that the generator is working so it should turn off the dash light.

In the photo below, that white wire is plugged in just below the black three-wire connector. It's the gray single-wire plug in the center right. Here is the alternator wiring diagrams as well.

Check out the images (Below). Please let us know if you need anything else to get the problem fixed.
Was this
answer
helpful?
Yes
No
+1
Saturday, January 29th, 2011 AT 11:50 PM

Please login or register to post a reply.