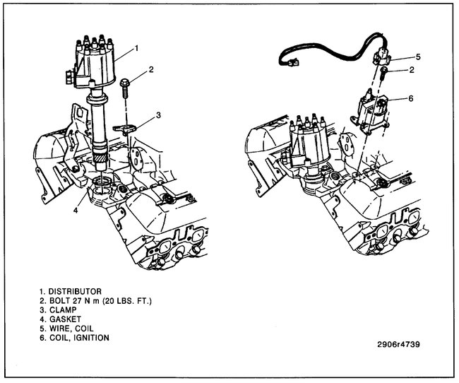
Distributor installation

Tiny
ANONYMOUS
  • MEMBER
  • 1998 CHEVROLET TRUCK
  • 20,000 MILES
I need to know the degrees the timing should be after changing the distributor. It runs but with no power.
Friday, March 22nd, 2013 AT 4:48 AM

14 Replies

Tiny
ASEMASTER6371
  • MECHANIC
  • 52,796 POSTS
Did you put the engine no.1 piston on its compression stroke/TDC and then install the distributor making sure the rotor is pointing to the no.1 cap tower?

This video will help you

https://youtu.be/El1H0_6IYxQ

timing should be around 0 to 5 degress before top dead center.

check fuel pressure

check back pressure on cat converter too

Ignition timing is computer-controlled with reference pulses from the crankshaft position sensor and is not adjustable.

Roy
Was this
answer
helpful?
Yes
No
Friday, March 22nd, 2013 AT 11:00 AM
Tiny
PINEMOUNTAIN
  • MEMBER
  • 1 POST
  • 1996 CHEVROLET TRUCK
  • V8
  • 4WD
  • AUTOMATIC
  • 200,000 MILES
I put a remanufacture motor in my truck and I'm having a heck of a time getting the distributor lined up, I know it doesn't line up with #1 on the cap, But where does it line to?
Was this
answer
helpful?
Yes
No
Tuesday, June 23rd, 2020 AT 1:24 PM (Merged)
Tiny
BLACKOP555
  • MECHANIC
  • 10,386 POSTS
Turn the rotor untill it fits in, make sure the #1 cylinder is on top dead center of the compression stroke and the rotor is pointing at the #1 wire on the cap. Then try to put it in, you may have to rotate it a bit before it will pop in but you can always turn the distributor ot line it back up.
Was this
answer
helpful?
Yes
No
+5
Tuesday, June 23rd, 2020 AT 1:24 PM (Merged)
Tiny
PASTMASTER
  • MEMBER
  • 2 POSTS
  • 1993 CHEVROLET TRUCK
  • 6 CYL
  • 2WD
  • AUTOMATIC
How to remove replace the pickup coil in distributor in my 93 chevy 1500 pu V/6, would like some assembly pictures, diagrams
to go by, asap t u
Was this
answer
helpful?
Yes
No
+1
Tuesday, June 23rd, 2020 AT 1:24 PM (Merged)
Tiny
KEN L
  • MASTER CERTIFIED MECHANIC
  • 55,291 POSTS
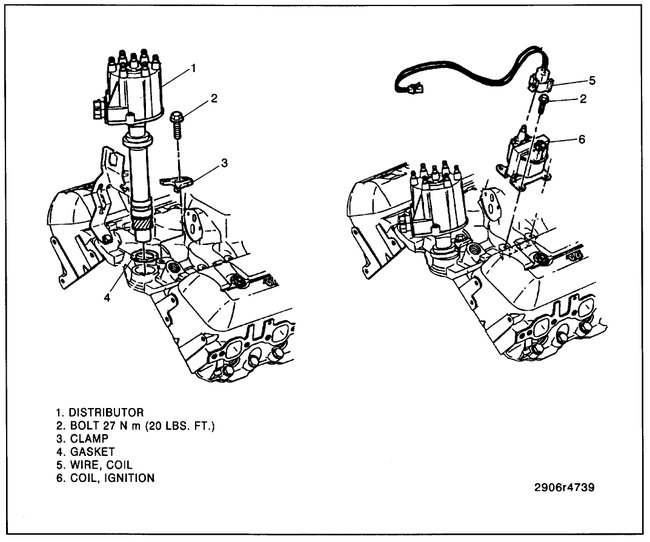
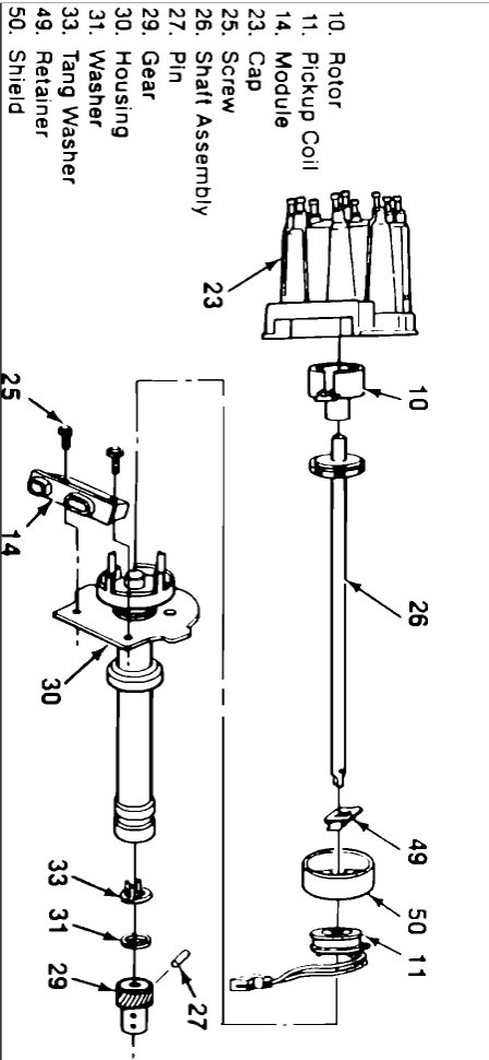
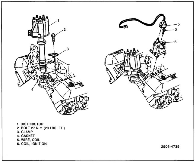
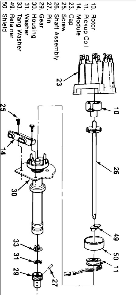
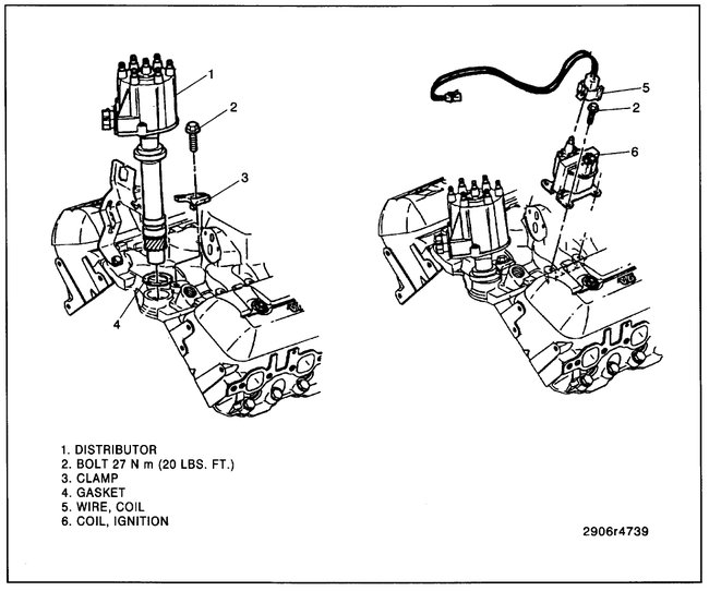
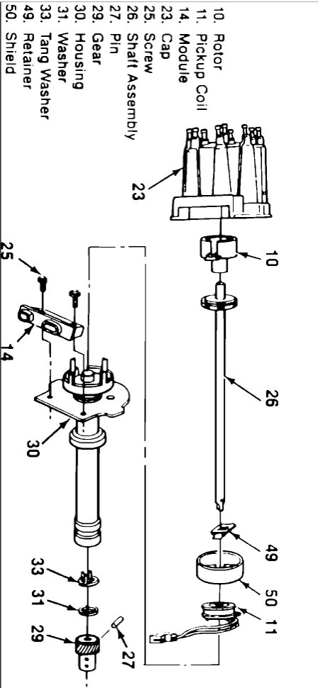
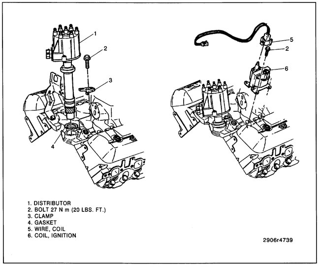
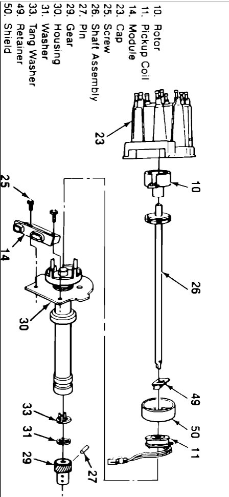
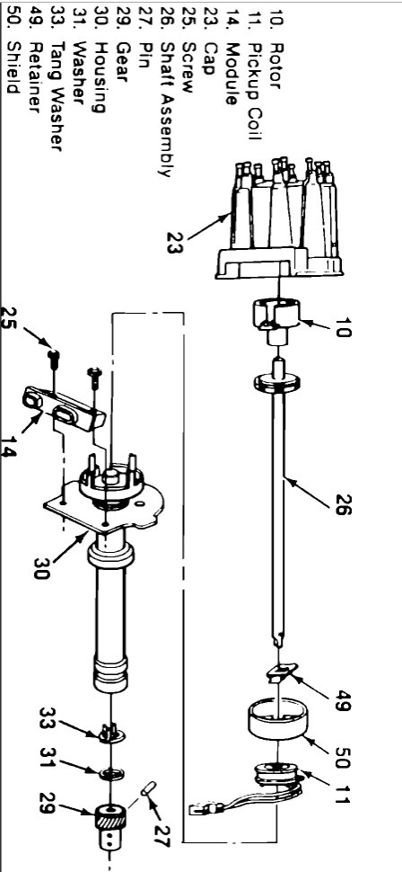
I have diagrams on the removal and disassembly of the distributor. (Below) Disconnected the battery before you begin and also put the motor on TDC this will help you align the marks on the distributor a little better. If it's tough to install you may need to move the oil pump drive backwards a little bit. Check out the diagrams (Below). Please let us know if you need anything else to get the problem fixed.
Was this
answer
helpful?
Yes
No
+7
Tuesday, June 23rd, 2020 AT 1:24 PM (Merged)
Tiny
JOSEPH ALLEN2
  • MEMBER
  • 1 POST
  • 1994 CHEVROLET TRUCK
  • 4.3L
  • V6
  • 4WD
  • AUTOMATIC
  • 200,000 MILES
He pulled the distributor out without marking it. Now I need to reinstall it. How does it actually go back in I do know about putting it up on top dead center line up the timing marks but where is distributor rotor to point at the number one on the motor? A picture of one on in the ending position would be great.
Was this
answer
helpful?
Yes
No
-1
Tuesday, June 23rd, 2020 AT 1:25 PM (Merged)
Tiny
HMAC300
  • MECHANIC
  • 48,601 POSTS
See picture. Normally rotor points to number one which is about 11:30 on a clock picture is included. If you get a code it may need a mechanic to line up cam/crank sensor with a scanner.
Was this
answer
helpful?
Yes
No
+1
Tuesday, June 23rd, 2020 AT 1:25 PM (Merged)
Tiny
PASTMASTER
  • MEMBER
  • 2 POSTS
  • 1993 CHEVROLET TRUCK
  • 6 CYL
  • 2WD
  • AUTOMATIC
I had not planned on removing the distributor just to change the pickup coil, my eye sight not good, blind in one and have very blurred vission other, willl need pictures to see how it is assembled, surely this can be installed without removing distributor, course it would be easier to instatl but then I would have extra trouble restabing and retimimg motor on top it all.
Was this
answer
helpful?
Yes
No
Tuesday, June 23rd, 2020 AT 1:25 PM (Merged)
Tiny
RASMATAZ
  • MECHANIC
  • 75,992 POSTS
What's the reason you trying to get to the distributor pick-up coil? No spark-could be the coil or the ICM in the distributor
Was this
answer
helpful?
Yes
No
+3
Tuesday, June 23rd, 2020 AT 1:25 PM (Merged)
Tiny
DR LOOT
  • MECHANIC
  • 2,311 POSTS
It will be much easier to remove the distributor specially if you can not see, don't be scared just remember which way the rotor is pointing, and the base of the distributor you can mark on the engine and distributor before removal
Removal
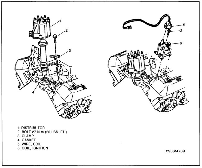
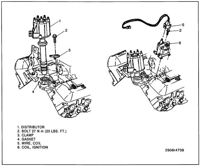
Disconnect negative battery terminal. On TBI models, remove air cleaner assembly. On 4.3L Turbo PFI models, drain and remove charge air cooler radiator. See CHARGE AIR COOLER (4.3L) under TURBOCHARGER. Remove upper intake manifold assembly.
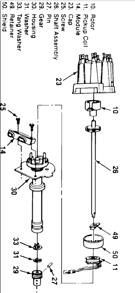
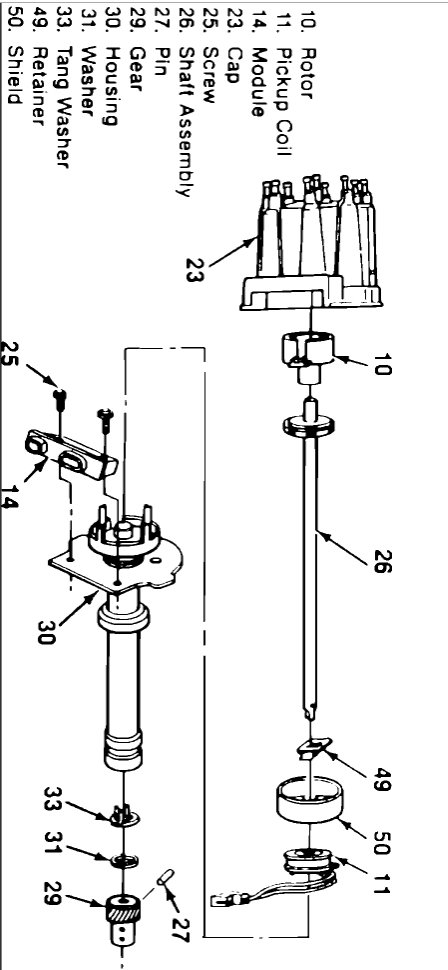
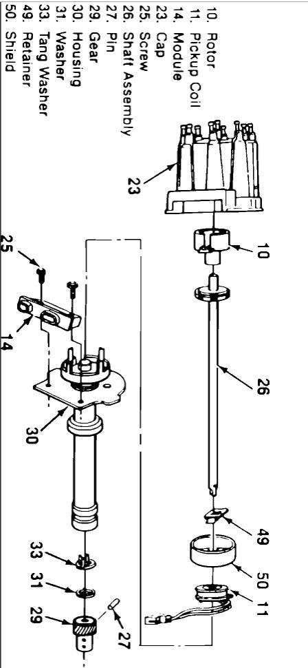
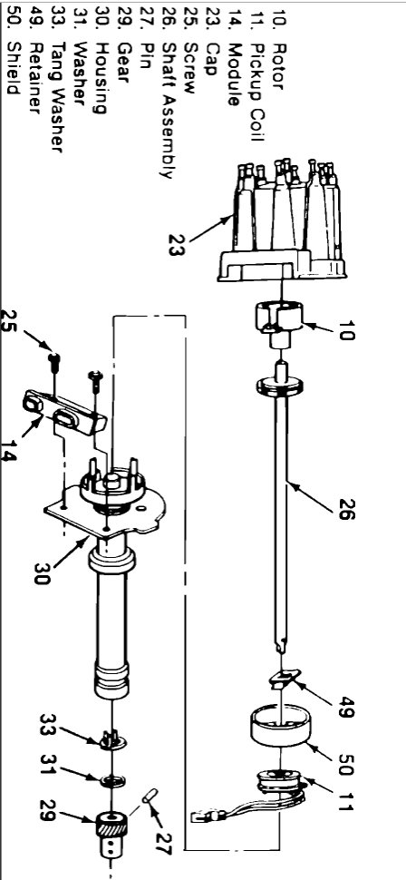
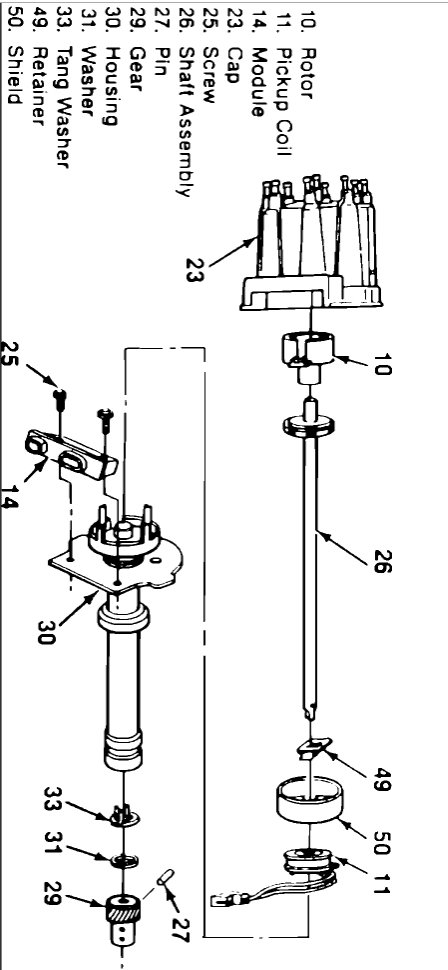
On all models, disconnect electrical connectors to distributor. Remove distributor cap and move out of the way. Remove distributor hold-down bolt and hold-down clamp. Note position of rotor. Pull up slightly on distributor until rotor stops turning counterclockwise and again note position of rotor. Remove distributor from engine. CAUTION:Although similar in appearance, components of HEI/EST distributors are NOT interchangeable. See Fig. 10-Fig. 13. Disassembly & Reassembly
Disassembly procedure is not available from manufacturer. SeeFig. 10-Fig. 13 for exploded views of distributors.
When reassembling, ensure pick-up assembly arm is correctly installed on pin. If not, arm can float and cause ignition timing to vary. To prevent corrosion, lubricate terminals with petroleum jelly before installation.
To prevent heat damage, coat bottom of module and module rest pad in distributor housing with silicone grease. Before installing roll pin in driven gear, ensure timing mark on roll pin and rotor tip align. See Fig. 10-Fig. 13.
Installation
To install, reverse removal procedure. To insure correct timing of distributor, install with rotor correctly positioned as it was before distributor was removed.
If engine was cranked after distributor was removed, remove No. 1 spark plug. Place finger over No. 1 cylinder spark plug hole. Crank engine slowly until compression is felt. Align timing mark on pulley to "0" on engine timing indicator. Turn rotor to point to cylinder No. 1 spark plug tower on distributor cap. Complete distributor installation. Start engine and check ignition timing
Was this
answer
helpful?
Yes
No
+7
Tuesday, June 23rd, 2020 AT 1:25 PM (Merged)
Tiny
ZEPEDA
  • MEMBER
  • 9 POSTS
  • 1985 CHEVROLET TRUCK
2.8l w/carb 165,000 miles I removed the distributor without making a mark. I found TDC but does the rotor point towards the #1 piston or #1 terminal on the distributor cap? I tired the #1 terminal like the book said but the dist. Body moves so it is hard to determine if the dist. Is installed correctly. Thanks in advance!
Was this
answer
helpful?
Yes
No
Tuesday, June 23rd, 2020 AT 1:25 PM (Merged)
Tiny
KEN L
  • MASTER CERTIFIED MECHANIC
  • 55,291 POSTS
Hello,

I have done many in my day, here is the instructions.

To install a distributor you must first make sure the engine is on #1 This is done with the #1 spark plug out. While bumping the engine over with the starter feel for compression as the timing mark is coming around. Next, make a line on the distributor housing that represents #1 spark plug wire from the cap. Now when you install the distributor it will turn about 30 degrees as it is engaging the cam gear.

So start with the rotor pointing a little off and set the distributor in place. It will rotate into the correct position. If the distributor doesn't drop all the way down it means the oil pump drive is not oriented correctly and must be turned with a long screw driver, keep moving it a little bit until the distributor drops down.

Please let us know if you need anything else to get the problem fixed.

(Diagram below)

Cheers, Ken
Was this
answer
helpful?
Yes
No
-1
Tuesday, June 23rd, 2020 AT 1:25 PM (Merged)
Tiny
SCOTTDANNY22
  • MEMBER
  • 36 POSTS
Okay, which part of the pole piece needs to be facing number one? The part where it is bent up to touch the cap contacts or the other side of it that lays flat in the distributor?
Was this
answer
helpful?
Yes
No
+2
Tuesday, June 23rd, 2020 AT 1:25 PM (Merged)
Tiny
DANNY L
  • MECHANIC
  • 5,648 POSTS
Hello, I am Danny.

It looks like you added to an existing question from years ago. You need to start a new question and with your vehicle information. Hope this helps and thanks for using 2CarPros.
Danny-
Was this
answer
helpful?
Yes
No
Tuesday, June 23rd, 2020 AT 1:25 PM (Merged)

Please login or register to post a reply.