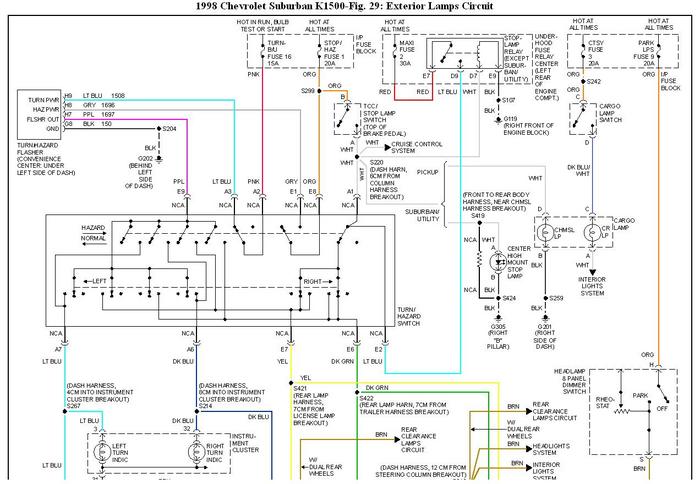
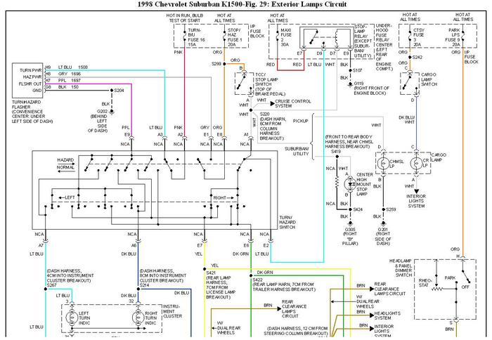
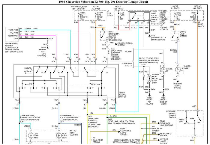
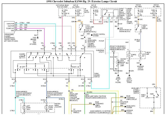
Thursday, February 17th, 2011 AT 4:50 PM
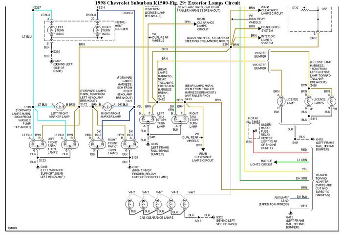
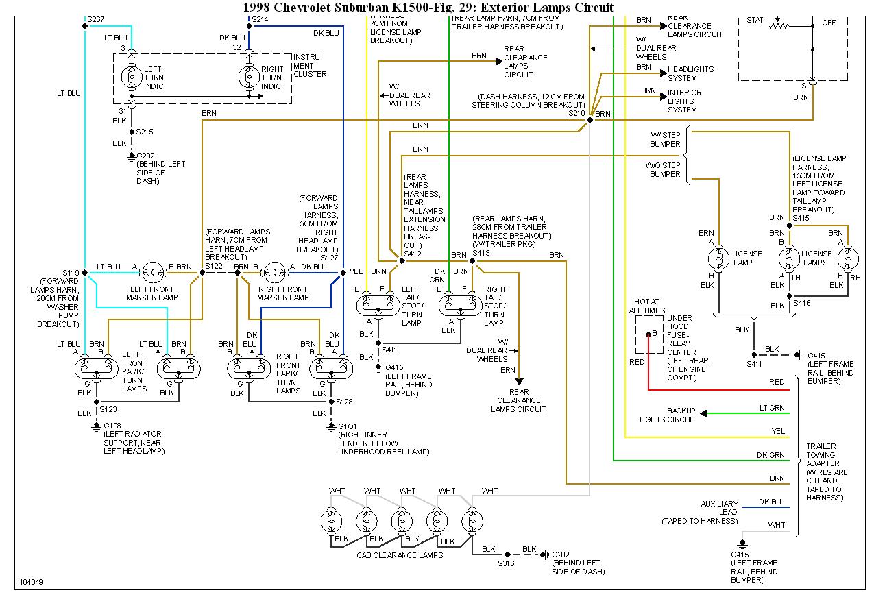
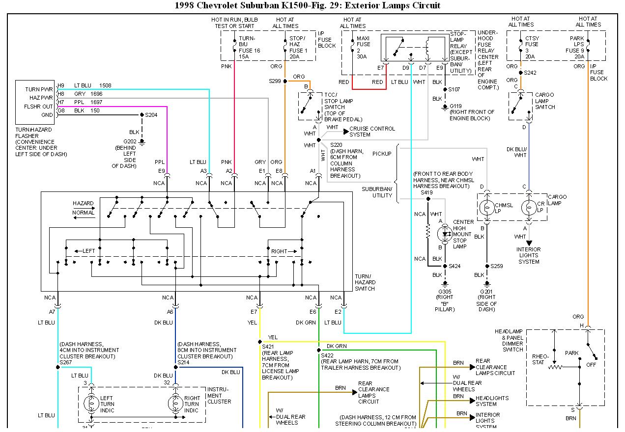
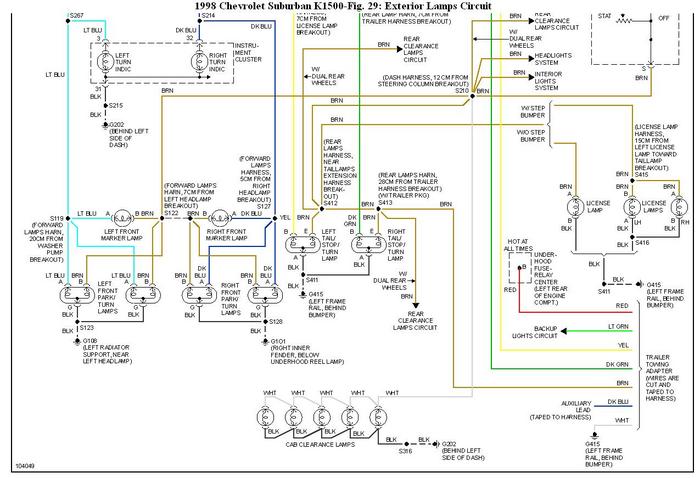
1998 chev suburban Interior and taillights intermittently go out frequently, replaced the light switch, problem has not gone away. Ran a new ground from the motor to body to frame? What can I do to stop the maddness?

