P0340 code just showed up

Tiny
BCMULLEN95
  • MEMBER
  • 1998 CADILLAC CATERA
  • 111,113 MILES
P0340 code just showed up. Could something other than the sensor cause the code to show up.
Saturday, November 24th, 2012 AT 3:00 PM

5 Replies

Tiny
HMAC300
  • MECHANIC
  • 48,601 POSTS
Your cam sensor isn't reading right, it can be the sensor itself or connection or connection at pcm. It can also be a abad ecm but I think not, you can change it but teh code ahs to be serased then see if it goes on again. If it does take it to a proso they cna check it out further.
Was this
answer
helpful?
Yes
No
+1
Saturday, November 24th, 2012 AT 3:40 PM
Tiny
BCMULLEN95
  • MEMBER
  • 249 POSTS
I just replaced the EBTCM and was wondering if replacing that part I could have damaged the wiring to the camshaft position sensor.
Was this
answer
helpful?
Yes
No
+1
Saturday, November 24th, 2012 AT 3:55 PM
Tiny
HMAC300
  • MECHANIC
  • 48,601 POSTS
No it shouldn't it's probably just acam sensor gone bad.
Was this
answer
helpful?
Yes
No
+1
Saturday, November 24th, 2012 AT 5:22 PM
Tiny
BCMULLEN95
  • MEMBER
  • 249 POSTS
Exactly where can I locate this sensor?
Was this
answer
helpful?
Yes
No
+2
Sunday, November 25th, 2012 AT 8:26 PM
Tiny
HMAC300
  • MECHANIC
  • 48,601 POSTS
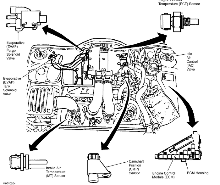
This is the drawing we have for it.
Was this
answer
helpful?
Yes
No
+1
Sunday, November 25th, 2012 AT 11:04 PM

Please login or register to post a reply.