Trying to figure out how to replace my shifter-knob

Tiny
JOJO1998REGAL
  • MEMBER
  • 1998 BUICK REGAL
  • 170,000 MILES
My shifter-knob is cracked and I would like to replace it with an updated one.
Thursday, August 25th, 2011 AT 6:38 PM

1 Reply

Tiny
DANNY L
  • MECHANIC
  • 5,648 POSTS
Hello, I'm Danny.

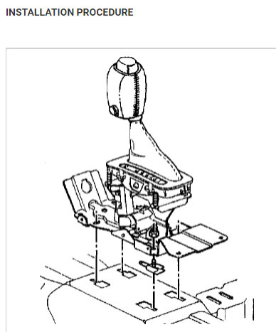
Here is the information you requested. I've attached picture steps below on how to replace the shifter with knob assembly on your Buick. This is for both the column shift and center console shift whichever is applicable. Hope this helps and thanks for using 2CarPros.
Was this
answer
helpful?
Yes
No
Tuesday, September 7th, 2021 AT 11:35 PM

Please login or register to post a reply.

Related General Content