How do i reprogram the throttle position sensor?

1997 VOLKSWAGEN JETTA
400,000 MILES
Avatar
BIGFOOT15
  • MEMBER
  • 25 POSTS
Keep getting codes P1544 & P1580,but the car runs great.
Apr 4, 2012 at 12:56 AM
Advertisement
Repair Safety Notice: This information is for general instructional purposes only. Vehicle repair can be dangerous. Verify all information, follow manufacturer service procedures, use proper tools and safety equipment, and consult a qualified repair shop when needed.
Avatar
EXOVCDS
  • AUTOMOTIVE REPAIR CONTRIBUTOR
  • 1,883 POSTS
Throttle adaptation is performed with a scan tool...


If adaptation does not take, or errors persist, check wiring... replace throttle body if no faults are found.
Apr 4, 2012 at 2:48 AM
Avatar
BIGFOOT15
  • MEMBER
  • 25 POSTS
Tell me more about adaptation.Nobody has told me about adaptation in so many words.I am trying to avoid replacing the the throttle body since it runs so good.Just ask the guy in the pickup with the hemi that i smoked.
Apr 4, 2012 at 3:10 AM
Advertisement
Avatar
EXOVCDS
  • AUTOMOTIVE REPAIR CONTRIBUTOR
  • 1,883 POSTS
Throttle adaptation is performed on throttle bodies that are "motorized".

If your engine does not have motorized TB, then no adaptation can be done.

What size engine have you got? I assume VR6?

You will need to use VCDS (vag-com) to run the adaptation.... clean the throttle body
before adaptation, as a dirty throttle bore can cause idle issues & set idle codes.

Follow the directions in the link above to perform the adaptation.

Thomas
Apr 4, 2012 at 3:27 AM
Avatar
BIGFOOT15
  • MEMBER
  • 25 POSTS
told them it was a 1997 VW JETTA 2.0.& they dont even bother to print the whole dang question.Any how it is a 1997 VW Jetta with a 2.0 8 valve engine with a throttle cable(I did mention this).If it has a cable ,does this not mean it is not an electronic,fly by wire,motorized throttle?
Apr 4, 2012 at 3:59 AM
Advertisement
Avatar
EXOVCDS
  • AUTOMOTIVE REPAIR CONTRIBUTOR
  • 1,883 POSTS
I'm a user just like you.... I didn't see that it was a 2 liter engine.

I assumed VR6 because you smoked the hemi! :)

You can not "reprogram" the tps... it is just an input to the ECM

Post a picture of your engine bay and I will tell you if the throttle body is motorized or not.

Drive by wire didn't start until 2001, but cable & motorized TB were around in 97/98.
Apr 4, 2012 at 4:09 AM
Avatar
EXOVCDS
  • AUTOMOTIVE REPAIR CONTRIBUTOR
  • 1,883 POSTS
The codes you listed pertain to a motorized (with cable) TB.

Google throttle body cleaning & adaptation (ABA engine).
If that does not solve the issue, replace the throttle body.

Thomas
Apr 4, 2012 at 4:19 AM
Avatar
BIGFOOT15
  • MEMBER
  • 25 POSTS
Ok,I will try to get you a picture.I noticed you dont call yourself an expert,so i will value your opinion.
Apr 4, 2012 at 4:20 AM
Avatar
FIXITMR
  • AUTOMOTIVE REPAIR CONTRIBUTOR
  • 9,990 POSTS
Heres a guide on doing a throttle body service, this will help

https://www.2carpros.com/articles/throttle-actuator-service
Apr 9, 2012 at 8:51 PM
Avatar
BIGFOOT15
  • MEMBER
  • 25 POSTS
My original Question mentioned the engine size,but i asked again &forgot to mention the engine size.I thought i was continuing my original thread,oops.Thanks to fixitmr for the websight.Thank you exovcds for the honest intelligent advice.
Apr 10, 2012 at 4:56 AM
Avatar
EXOVCDS
  • AUTOMOTIVE REPAIR CONTRIBUTOR
  • 1,883 POSTS
Attached is a picture of a 1998 2.0l Throttle Body... Motorized with cable.

If yours looks like that, then follow the instructions in the links
I posted above.

If the wiring checks out, then you might have to replace the Throttle
Body... used ones at the wreckers are cheaper than new.

Thomas
Apr 11, 2012 at 3:33 AM
Avatar
BIGFOOT15
  • MEMBER
  • 25 POSTS
LOoks just like the picture.What makes it motorized?It is more like a rheostat,right?If i disconnect the throttle cable,the motorized throttle does absolutely nothing ,right.
Apr 11, 2012 at 4:42 AM
Avatar
EXOVCDS
  • AUTOMOTIVE REPAIR CONTRIBUTOR
  • 1,883 POSTS
Hi,

Instead of a separate "idle stabilizer or idle air valve" the ECM adjusts idle via the throttle plate.

You have to look at the throttle closely to see the movement at idle. Look at the little silver
tang at the side of the black plastic piece where the cable loops around.

Thomas
Apr 11, 2012 at 4:47 AM
Avatar
BIGFOOT15
  • MEMBER
  • 25 POSTS
O.K. I will look at that.Could that have anything to do with the codes or should i just be resolved to replacing the throttle body?So far i have not seen anything about Tweaking a tang or bending anything or reprogramming anything to make the codes go away.Other than adjusting the throttle cable,there seems to be nothing i can do?
Apr 11, 2012 at 9:48 PM
Avatar
EXOVCDS
  • AUTOMOTIVE REPAIR CONTRIBUTOR
  • 1,883 POSTS
I have a pdf, but I can't post it here... exovcds@telus.net
Apr 11, 2012 at 11:25 PM
Avatar
EXOVCDS
  • AUTOMOTIVE REPAIR CONTRIBUTOR
  • 1,883 POSTS
Found a pdf to img converter... images attached.
Apr 14, 2012 at 6:05 PM
Avatar
EXOVCDS
  • AUTOMOTIVE REPAIR CONTRIBUTOR
  • 1,883 POSTS
4 more...
Apr 14, 2012 at 6:07 PM
Avatar
EXOVCDS
  • AUTOMOTIVE REPAIR CONTRIBUTOR
  • 1,883 POSTS
Half way there...
Apr 14, 2012 at 6:08 PM
Avatar
EXOVCDS
  • AUTOMOTIVE REPAIR CONTRIBUTOR
  • 1,883 POSTS
Last few... blue links in images refer to other documentation / test
procedures.

This should be enough so you can do some testing.... a good
wiring diagram would also help... so I'll at least post one of those
as well.
Apr 14, 2012 at 6:11 PM
Avatar
EXOVCDS
  • AUTOMOTIVE REPAIR CONTRIBUTOR
  • 1,883 POSTS
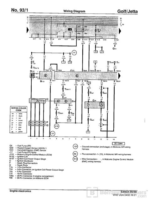
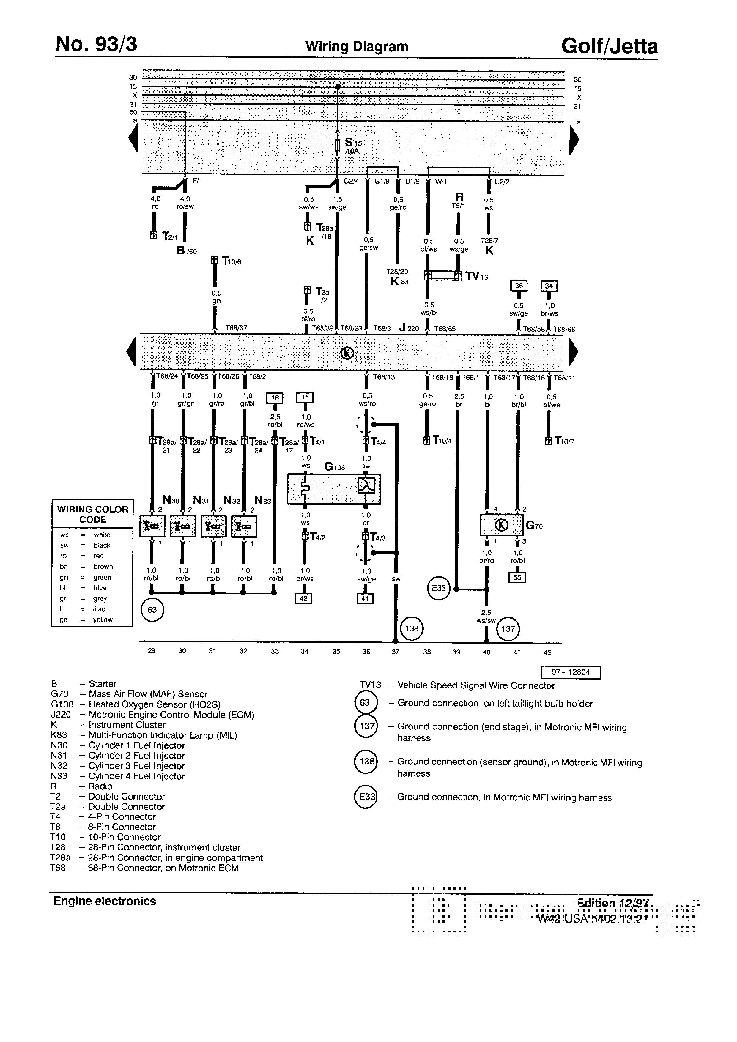
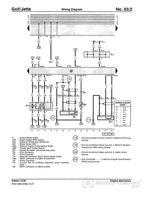
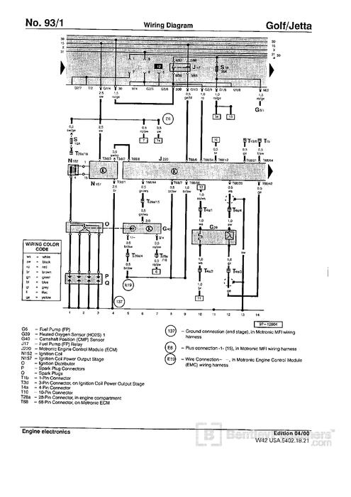
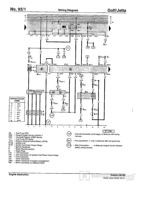
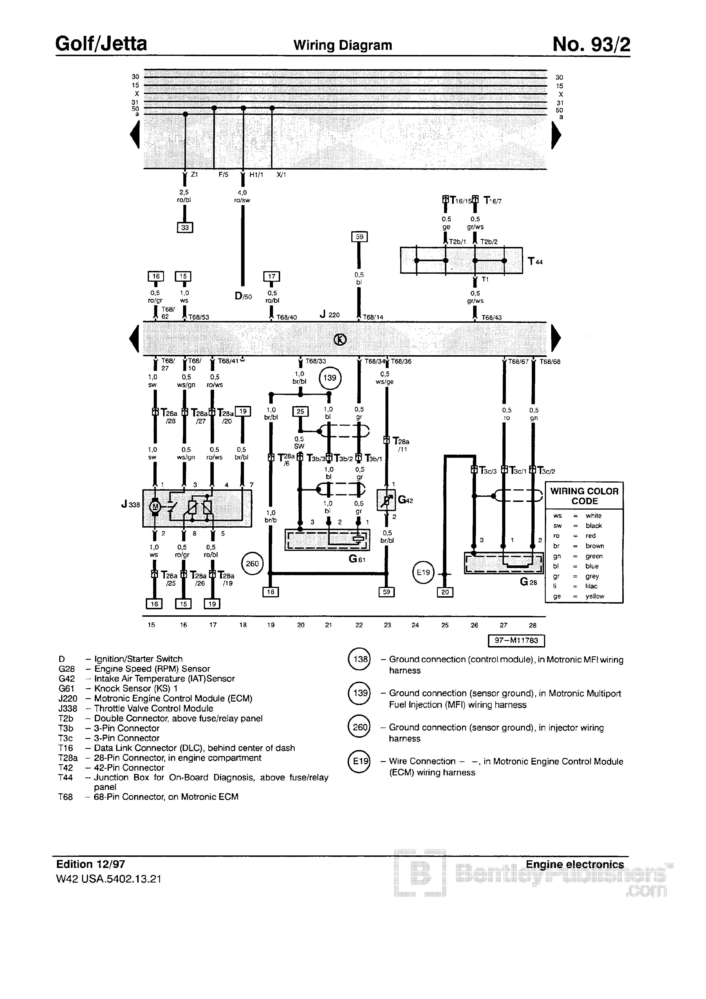
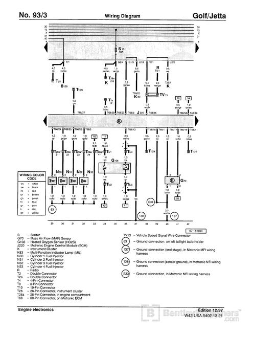
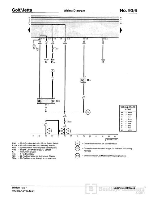
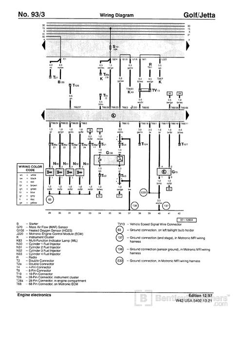
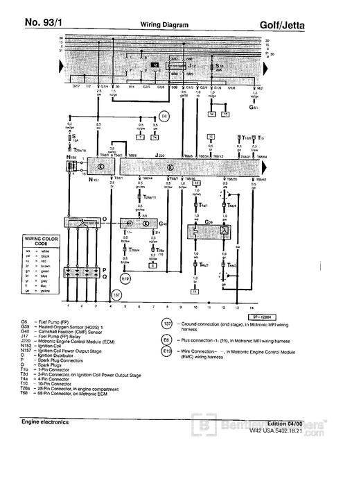
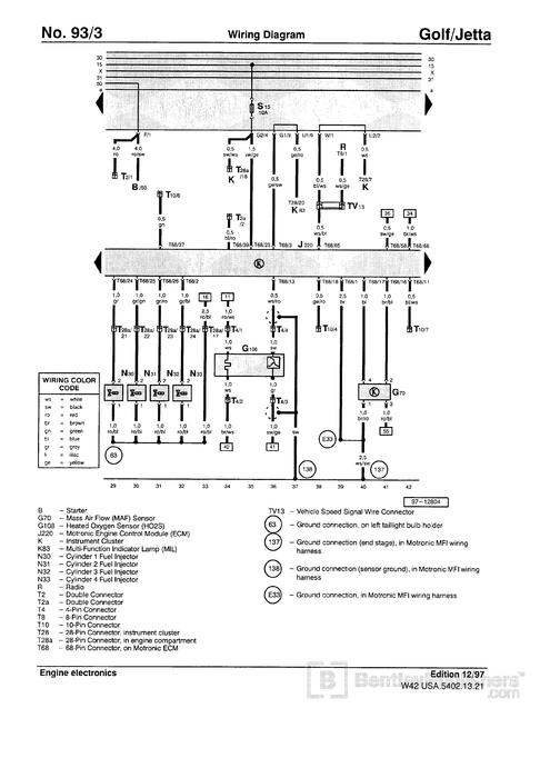
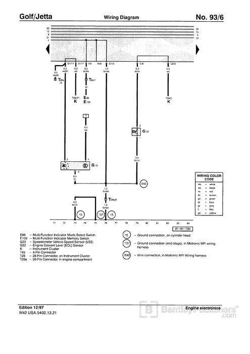
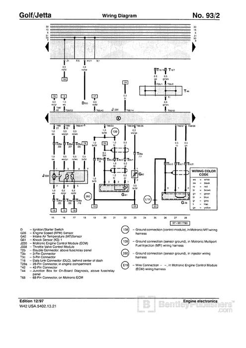
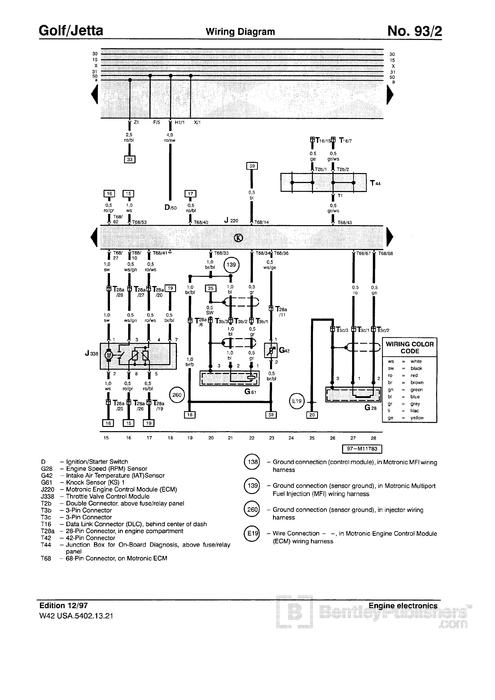
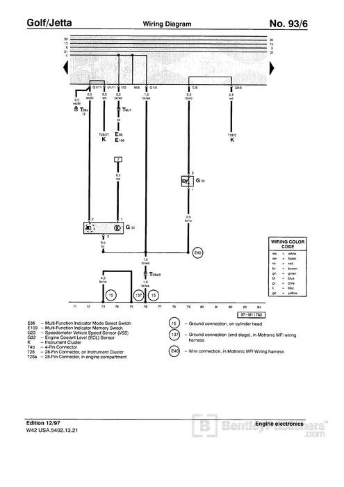
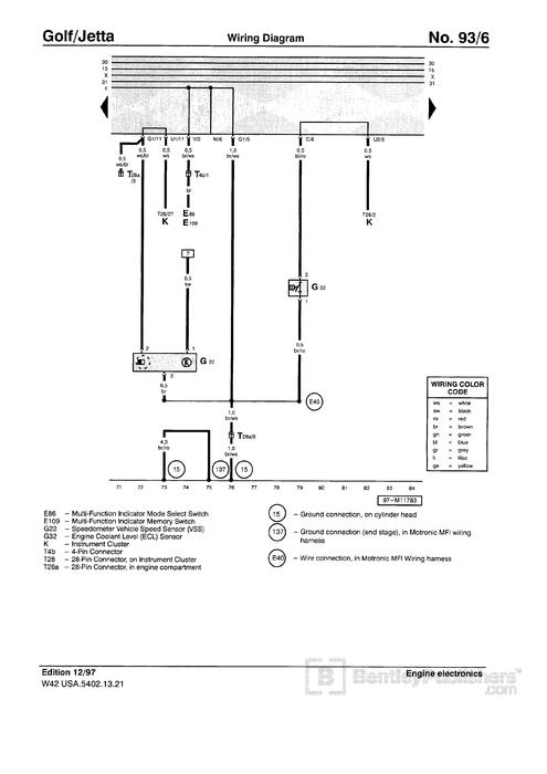
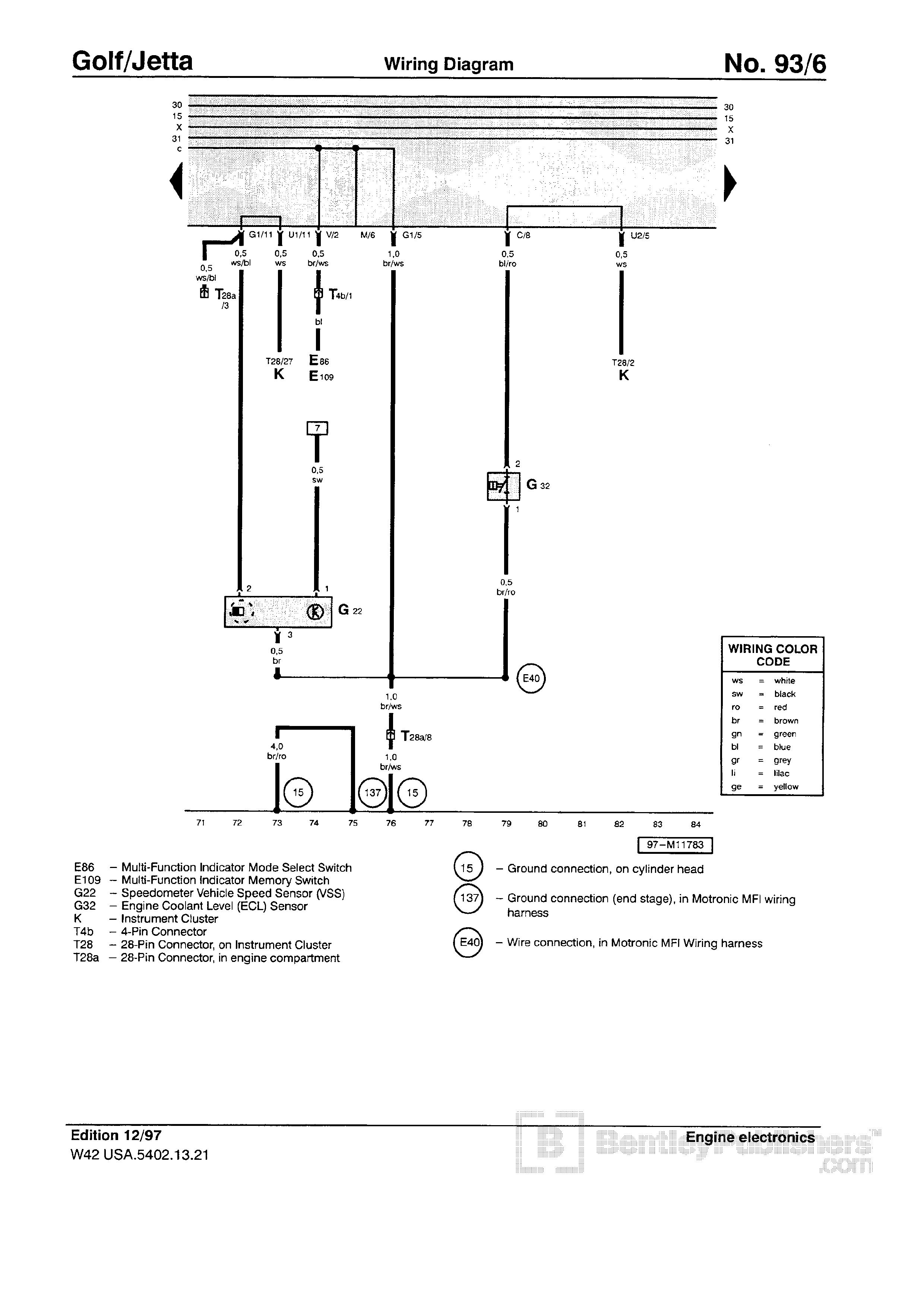
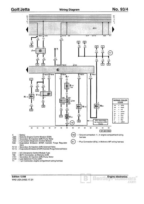
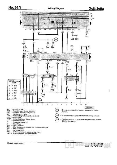
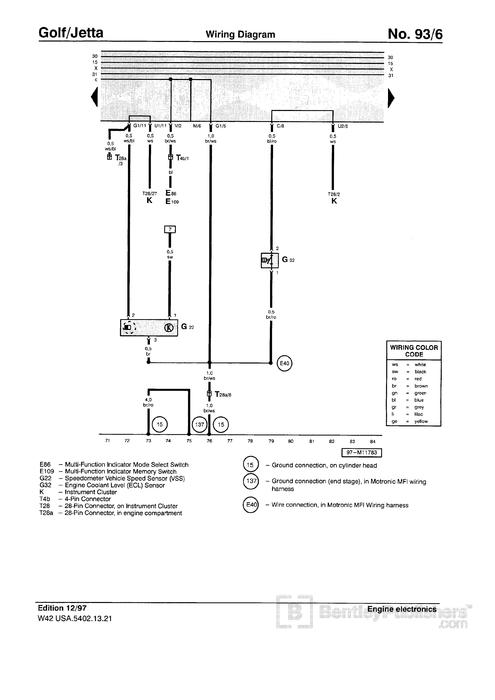
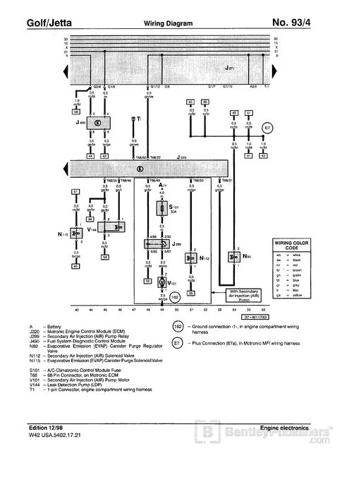
Wiring diagram... pages 1 to 4
Apr 14, 2012 at 6:14 PM
Avatar
EXOVCDS
  • AUTOMOTIVE REPAIR CONTRIBUTOR
  • 1,883 POSTS
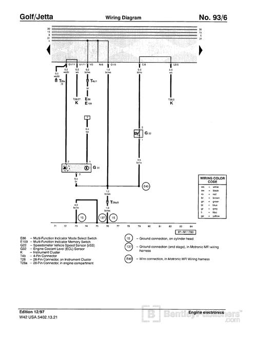
Wiring diagram... 5 to 7

As mentioned at the start of the topic... check wiring, if that checks
out fine, then replace the Throttle Body.

If a used TB does not solve it, try a used ECM.
Apr 14, 2012 at 6:17 PM
Avatar
BIGFOOT15
  • MEMBER
  • 25 POSTS
Thanx exovcds,But i am going to email you fot these,because this sight still has not figured out how to open a complete diagram without overlap and text in the middle of the picture.IT SURE WOULD BE NICE.
Apr 14, 2012 at 9:27 PM
Avatar
EXOVCDS
  • AUTOMOTIVE REPAIR CONTRIBUTOR
  • 1,883 POSTS
What browser are you using?

I'm using Google Chrome and I can see the images with no problems.
The resolution sucks though... can't make out the small print.

I'll wait for your mail.
Apr 14, 2012 at 9:31 PM
Avatar
EXOVCDS
  • AUTOMOTIVE REPAIR CONTRIBUTOR
  • 1,883 POSTS
Made a couple videos for you...

http://www.youtube.com/watch?v=pzKD0lu6iqs

http://www.youtube.com/watch?v=V-7DnKzeAB0
Apr 17, 2012 at 4:58 PM