Compression problems caused by thrown timing chain

1997 SATURN SL2
108,000 MILES • 4 CYL • 2WD • AUTOMATIC
Avatar
MARTINNORRIS
  • MEMBER
  • 1 POST
But it did not give any warning at all. The only warning was the car was starting rough for a few months. No rattling. The mechanic says one valve has 40psi and another has 50psi compression. Should be 180psi. If the valves are only out of alignment, that is the $2000 fix. If they are bent and must be replaced, then that is the $3000+ fix. He said the timing belt coming off is what caused this. Is he correct?

I own a 1997 Saturn SL2 that threw the timing chain last Sunday. Minimum repair is estimated at $2000.00 with possibility it could be over $3000.00. I should know later today a more accurate estimate on total costs.

My question to you is, how do I do my best to prevent this from happening again? This is the second Saturn S series car I have owned that has had a similar major engine problem. I keep up with oil changes. The Saturn's mechanical problems have greatly disappointed me due to these two catastrophic failures.

Asked by martinnorris
Replies

Replied on November 30, 2010

The timing chain gives a lot or warning before letting go in the form of a rattling noise.
Nov 30, 2010 at 9:47 PM
Advertisement
Repair Safety Notice: This information is for general instructional purposes only. Vehicle repair can be dangerous. Verify all information, follow manufacturer service procedures, use proper tools and safety equipment, and consult a qualified repair shop when needed.
Avatar
RASMATAZ
  • AUTOMOTIVE REPAIR CONTRIBUTOR
  • 75,992 POSTS
No rattling noises in front cover of engine-Do this remove the valve cover and have someone crank the engine over do you see the valves opening and closing if so its not broken-now if its broken I don't think you gonna be hearing a rattler or the engine will start

Go somewhere and have it checked again by an independent shop its not listed as an interference engine-Good LUck
Nov 30, 2010 at 10:02 PM
Avatar
RASMATAZ
  • AUTOMOTIVE REPAIR CONTRIBUTOR
  • 75,992 POSTS
Its not an interference engine
Nov 30, 2010 at 10:06 PM
Advertisement
Avatar
CARADIODOC
  • AUTOMOTIVE REPAIR CONTRIBUTOR
  • 34,308 POSTS
This is called an "interference" engine meaning the valves and pistons occupy the same space but not at the same time, . . . as long as the timing belt doesn't break. Every manufacturer has some engines like that and they're becoming more common. That, and all of the unnecessary, complicated computers, are the reasons a lot of us will not buy new cars. My newest is a '95 Grand Caravan and my daily driver is an '88 Grand Caravan. None of my 8 cars have interference engines so if a timing belt were to break, I would be sitting on the side of the road in a puddle of tears, but a new belt would be all that was needed. My '88 has 379,000 miles and is only on its second belt. That is asking for trouble, but heck, it ran good yesterday so why fix it today?

The best you can do to prevent future trouble is to have the timing belt replaced well before the recommended interval in the owner's manual. (I think you have a belt, not a chain, but I could be wrong. A chain won't usually break). Older Hondas, for example, had a recommendation to replace the belt every 75,000 miles, and they commonly broke at 60,000 miles. Some vehicles seem to run forever while others have a history of breaking belts.

By "valve alignment", I think they were referring to setting the orientation of the sprockets. That is a part of the procedure on any car. $2000.00 to replace just the belt seems way too high. That same repair on my older van runs less than $500.00. When a valve job is needed to replace bent valves, most four cylinder engines run less than $1000.00. I know GM is very good at separating money from their owners, but $3000.00 seems way too high. Might be time for a second opinion.

The low compression suggests you do indeed have bent valves. Also, don't kick yourself about maintenance. No amount of or lack of maintenance is going make that belt last longer. If you have a chain, they are inside the engine where they get lubricated with engine oil, but even poor maintenance there won't have that much affect on it.

caradiodoc
Nov 30, 2010 at 10:16 PM
Avatar
CARADIODOC
  • AUTOMOTIVE REPAIR CONTRIBUTOR
  • 34,308 POSTS
Hi rasmataz. Thanks for specifying the non-interference part. It didn't occur to me that something as simple as a jumped chain or belt will also cause low compression. That will be solved with just the new belt / chain.

caradiodoc
Nov 30, 2010 at 10:19 PM
Advertisement
Avatar
RASMATAZ
  • AUTOMOTIVE REPAIR CONTRIBUTOR
  • 75,992 POSTS
1.9 liter engine

Nov 30, 2010 at 10:28 PM
Avatar
CARADIODOC
  • AUTOMOTIVE REPAIR CONTRIBUTOR
  • 34,308 POSTS
Am I to understand that chain is outside the engine, or is it inside where it get lubed from engine oil?

caradiodoc
Nov 30, 2010 at 10:54 PM
Avatar
RASMATAZ
  • AUTOMOTIVE REPAIR CONTRIBUTOR
  • 75,992 POSTS
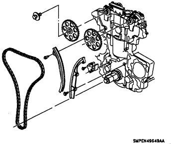
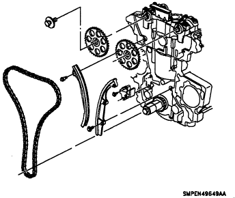
It's inside behind the front engine cover-this is just to illustrate its a chain driven engine-A problem with the chain/belt will cause a low compression
Nov 30, 2010 at 11:32 PM