Need to start with key stuck in ignition '97 Plymouth Voyager

Tiny
GRAYSATURN99
  • MEMBER
  • 1997 PLYMOUTH VOYAGER
  • 6 CYL
  • 2WD
  • AUTOMATIC
  • 149,000 MILES
I have a '97 Plymouth Voyager 3.0L. The key is stuck in the ignition (probably due to a bad key). The key will not allow the car to turn on, nor can you take it out. (But it moves a little in the ignition) I am selling the car, but I am trading it in out of town and I need to get it started once. Any ideas? Theoretically, I could short the leads on the starter solenoid, but it does not appear to have such a simple device.

How can I start this vehicle without the key? (Btw, I can turn the key enough to engage the fuel pump)
Monday, August 22nd, 2011 AT 5:12 PM

11 Replies

Tiny
JDL
  • MECHANIC
  • 16,098 POSTS
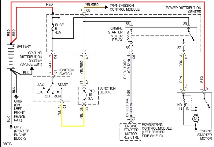
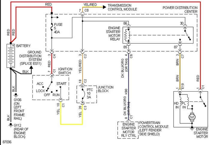
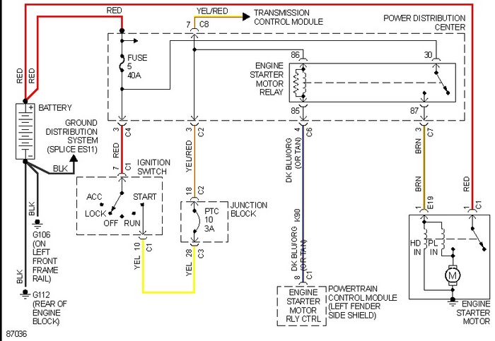
Not supposed to say how to bypass anything, because of safety issues. I can tell you to check the starter relay. Any testing, make sure the tranny is in park or neutral and a functional e-brake is set.

Because of your security system, even if you crank the starter, not sure it will start?
Was this
answer
helpful?
Yes
No
Monday, August 22nd, 2011 AT 5:59 PM
Tiny
GRAYSATURN99
  • MEMBER
  • 6 POSTS
Understood, thanks for the help. Fortunately, I can read at least some of this electrical chart.

Quick follow-up question.

When I tried to short out the leads at the ignition, there was a spark and then nothing. Is it possible I burnt up the 3A fuse at the junction box?
Was this
answer
helpful?
Yes
No
Monday, August 22nd, 2011 AT 6:48 PM
Tiny
JDL
  • MECHANIC
  • 16,098 POSTS
Are you talking about the ignition switch? In the diagram, I gave you, I don't see a three amp fuse? I'll look at ignition switch.
Was this
answer
helpful?
Yes
No
Monday, August 22nd, 2011 AT 9:03 PM
Tiny
GRAYSATURN99
  • MEMBER
  • 6 POSTS
Oh I am sorry. The junction box says 3a near it. I am trying to figure out what I may have broken. LOL I have not found any fuses with issues though. I unplugged the dual-wire connector from the ignition and shorted them out thinking that this would be enough to "trick the solenoid". It sparked once, and then that was all. No start.
Was this
answer
helpful?
Yes
No
Monday, August 22nd, 2011 AT 10:09 PM
Tiny
JDL
  • MECHANIC
  • 16,098 POSTS
In the diagram, I did finally see ptc 10--3amp, circuit breaker. Don't know if that is what your talking about? With the starter relay unplugged, terminal 30 is hot all the time. Terminal 86 goes hot with the key in the crank position. If that checks out, so far so good.
Was this
answer
helpful?
Yes
No
Tuesday, August 23rd, 2011 AT 12:20 AM
Tiny
GRAYSATURN99
  • MEMBER
  • 6 POSTS
I understand. I will reply back later today with news of whether this works or not. Thanks!
Was this
answer
helpful?
Yes
No
Tuesday, August 23rd, 2011 AT 3:50 PM
Tiny
JDL
  • MECHANIC
  • 16,098 POSTS
Let us know.
Was this
answer
helpful?
Yes
No
Tuesday, August 23rd, 2011 AT 4:43 PM
Tiny
GRAYSATURN99
  • MEMBER
  • 6 POSTS
Congratulations on giving good advice. Here is what I did.

1. Turn the key to the "On" position, but not quite to the "Start" because we could not get it that far.

2. I then found the starter relay (shown in picture) and shorted pins 1 and 2. This bypassed the relay allowing the starter to turn.

The van's starter is starting to fail, so it took a few tries, but it got there eventually. :) I also had to make sure that the battery had power, because I cannot turn the key to the "Off" position.

Thanks JDL!
Was this
answer
helpful?
Yes
No
Wednesday, August 24th, 2011 AT 2:03 AM
Tiny
JDL
  • MECHANIC
  • 16,098 POSTS
Did the vehicle start and run? Jumping those pins isn't the correct fix. Hope it's going your way. Have a good day.
Was this
answer
helpful?
Yes
No
Wednesday, August 24th, 2011 AT 4:55 PM
Tiny
GRAYSATURN99
  • MEMBER
  • 6 POSTS
Oh really? Yes, it ran perfectly! If it were not for the battery running down, we would just rig up two 14 gauge wires through the firewall to connect to pin sources 1 and 2 respectively and then connect them inside the car with a push button. Then we would have push button start. No security though. Lol
Was this
answer
helpful?
Yes
No
Thursday, August 25th, 2011 AT 1:57 AM
Tiny
JDL
  • MECHANIC
  • 16,098 POSTS
I'm glad you got it running. You need to check terminals 3 and 4 for voltage and ground.

While waiting on parts, I have used a jumper wire to start vehicles, but, that isn't the correct fix.
Was this
answer
helpful?
Yes
No
Thursday, August 25th, 2011 AT 5:23 PM

Please login or register to post a reply.