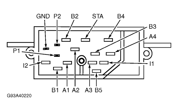
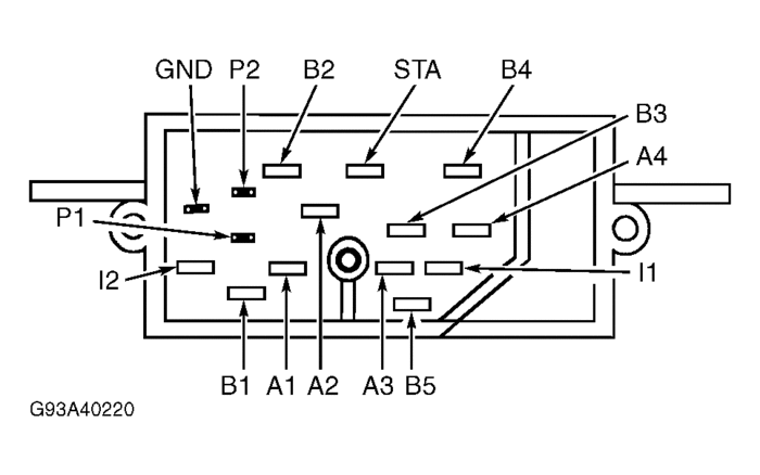
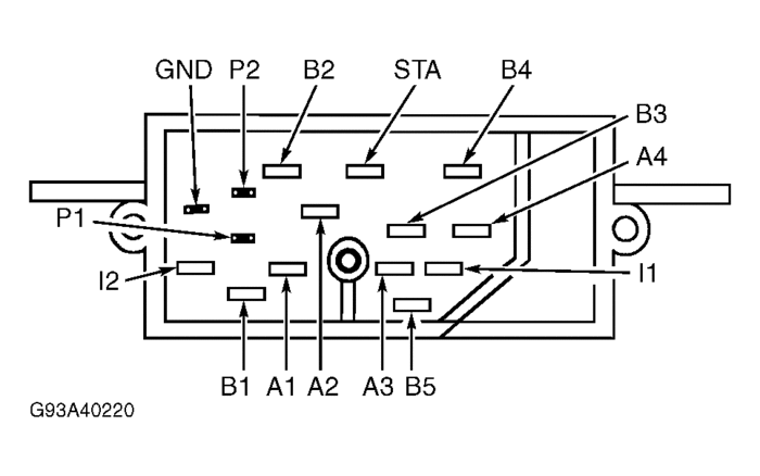
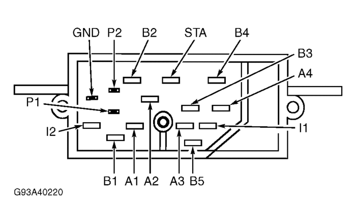
Sunday, May 27th, 2012 AT 10:50 PM
When the key is switched back to accessory function, radio and wipers work. When key is in run position, speedo, tach, wipers, cruise and radio doesn't work. All fuses are good and relays are good. I replaced ignition switch thinking that was the problem but no luck. Its not the lock tumbler itself and I operated the ignition switch by hand and got same results.




