Dysfunctional Wipers

Tiny
RUFF_NEKK
  • MEMBER
  • 1997 GMC SONOMA
  • 215,000 MILES
So I just got a new sound system installed in my vehicle and my windshield wipers do not work anymore. Is my power source insufficient?
Sunday, September 9th, 2012 AT 3:01 AM

1 Reply

Tiny
CJ MEDEVAC
  • MECHANIC
  • 11,005 POSTS
I cannot offer many suggestions. I am a Jeep CJ kind of fellow.

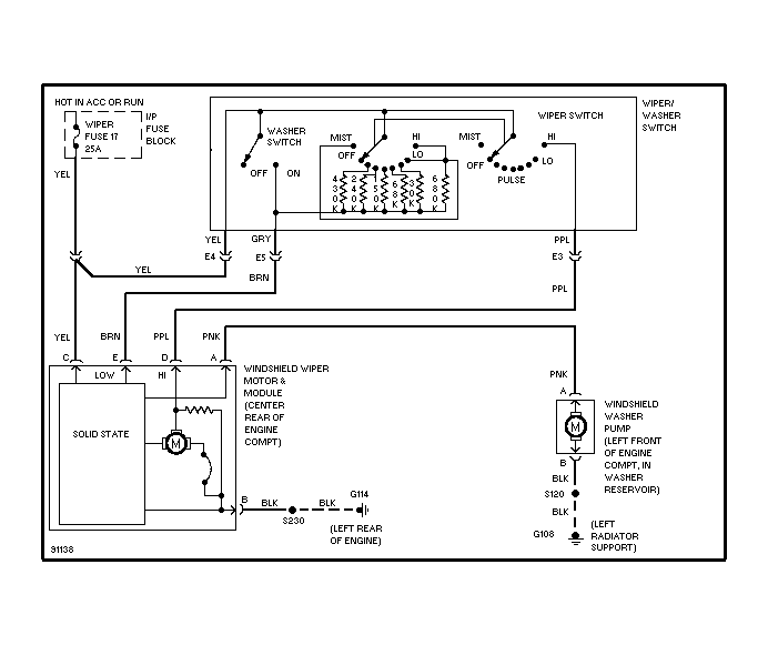
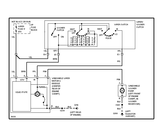
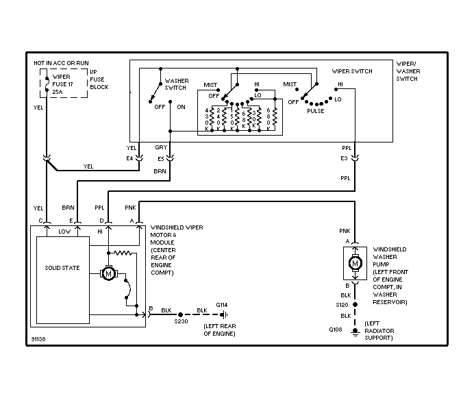
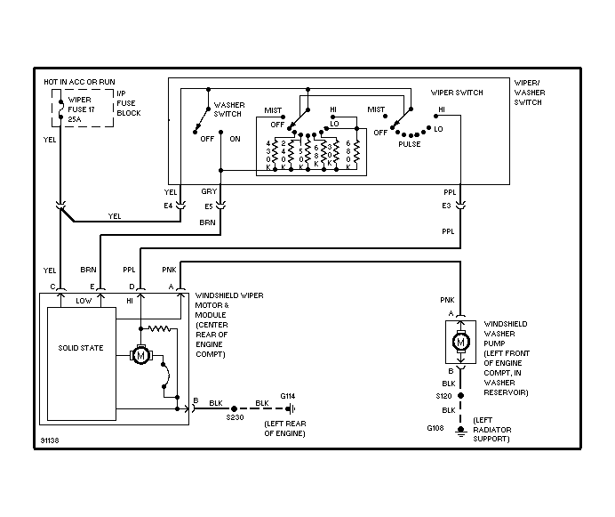
The diagram I found you is from "mitchell i".

It shows everything in the front wipers. Fuses and other stuff has locations listed, also shows the wire colors.

This may be helpful for you to perform testing.

I will stick with my Jeeps. No computers, simple to repair and maintain. And last forever. My "5" is 1935 and my "willys" is 1966.

Let me know if this helps.

Good luck!

The Medic
Was this
answer
helpful?
Yes
No
Sunday, September 9th, 2012 AT 3:35 AM

Please login or register to post a reply.