1997 GMC Jimmy electrical nightmare

Tiny
BXUXTXLXEXR
  • MEMBER
  • 1997 GMC JIMMY
  • 6 CYL
  • 4WD
  • AUTOMATIC
  • 152,000 MILES
Have a 97 Jimmy that is blowing the #4 fuse (instrument panel) every time it starts. I have looked at all harnesses and nothing seems to be out of place. Note, my vehicle sometimes cranks but doesn't start in the mornings and I used that as a part of my test. I replaced the fuse and let it crank and the fuse never blew until the engine started firing. Any ideas?

Already tested alternator, battery, looked at harnesses CLOSELY, voltage tests and so on.
Tuesday, August 2nd, 2011 AT 1:25 AM

4 Replies

Tiny
CJ MEDEVAC
  • MECHANIC
  • 11,005 POSTS
I know little about you car

I "may" be able to find some wire diagrams if you want them. If so, I need to know exactly your model (if more than one, such as GL, XL etc. Just imaginative letters I slung out there!

Let me know. Specific systems helps to, as many times they are broke up that way. Guessing now, you might want "instruments" and "ignition"

The Medic
Was this
answer
helpful?
Yes
No
Tuesday, August 2nd, 2011 AT 11:43 PM
Tiny
BXUXTXLXEXR
  • MEMBER
  • 3 POSTS
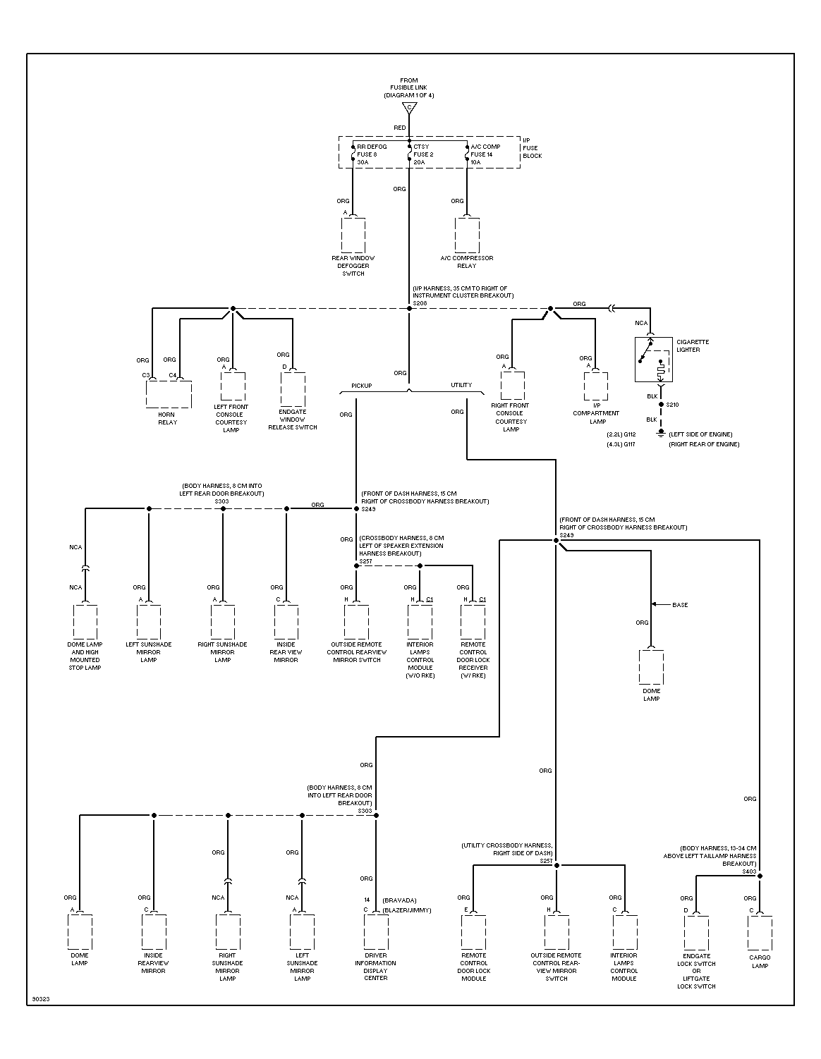
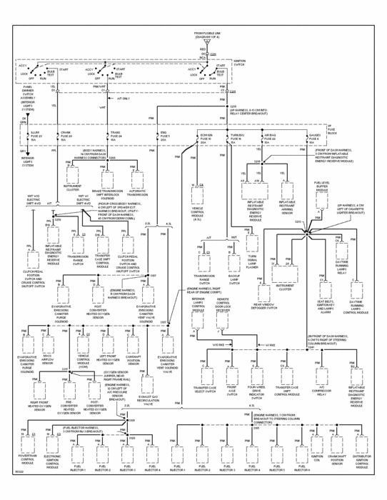
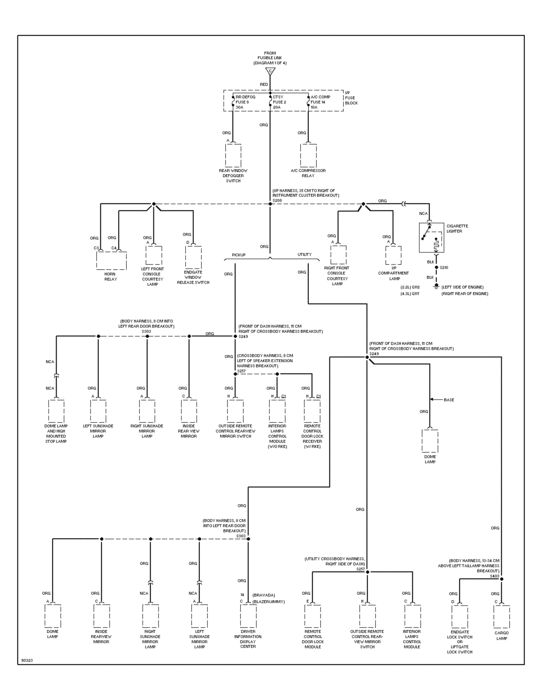
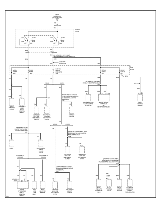
I have alldata for it. It is the SLT VIN-W I cannot add a photo of the diagram I am looking at but based off of this diagrams Fuse 4 contains as follows: instrument cluster, fuel level buffer module, Seatbelt and ignition key and lamps alarm, Daytime running lamps relay, Daytime running lamps control module, Rear window defogger switch. But then there's another addition to this fuse. For Utilities there are as follows: AC compressor relay, Fourwheel drive switch indicator, Transfer case shift control module, transfer case Select switch, And lastly the long one, Inflatable resistant diagnostic energy reserve module. Basically I've looked over every wire for these and nothing is out of place. I'm nit entirely sure exactly which one it is, but it's difficult to detect the short mainly because it's ONLY when the vehicle is turning over or in other means "turning the key"
Was this
answer
helpful?
Yes
No
Thursday, August 4th, 2011 AT 3:10 AM
Tiny
CJ MEDEVAC
  • MECHANIC
  • 11,005 POSTS
Like I said, NOT KNOWY YOUR CAR G.I!

Stupid Question!

Can you Pull stuff out/ loose/ disconnect. In front of the "Start Position" on your ignition switch (hypothetically a "relay" or connector). Basically disabling, from there on, towards the starter.

See if it happens, from the "key" to that point. Work your way out, till it does blow the fuse. Possibly narrowing you search down?

I'm headed to get your diagrams, they are simple to read, you can respond while I'm gone. Maybe 20 minutes or so

The Medic
Was this
answer
helpful?
Yes
No
Thursday, August 4th, 2011 AT 3:32 AM
Tiny
CJ MEDEVAC
  • MECHANIC
  • 11,005 POSTS
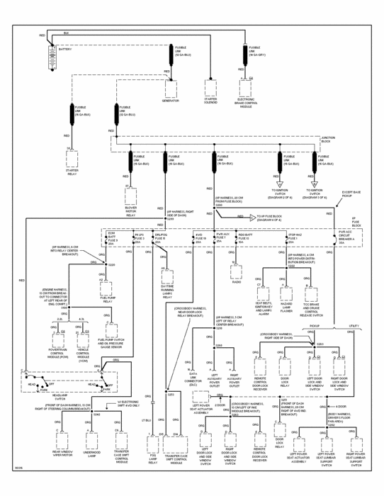
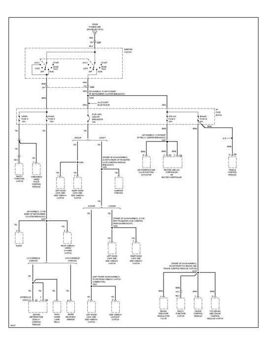
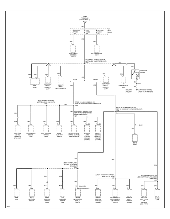
OK

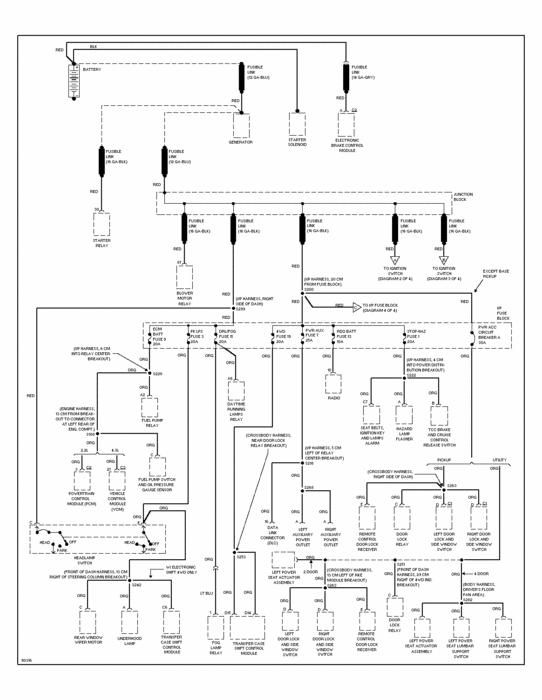
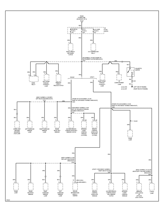
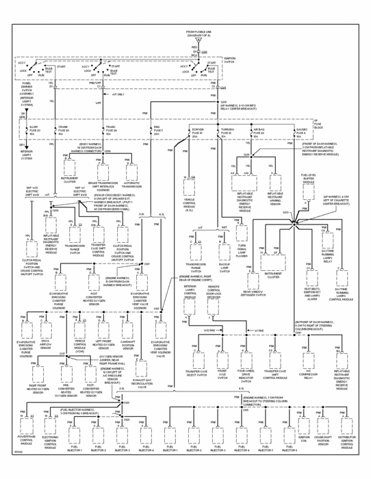
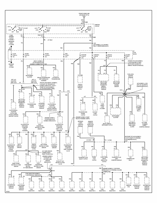
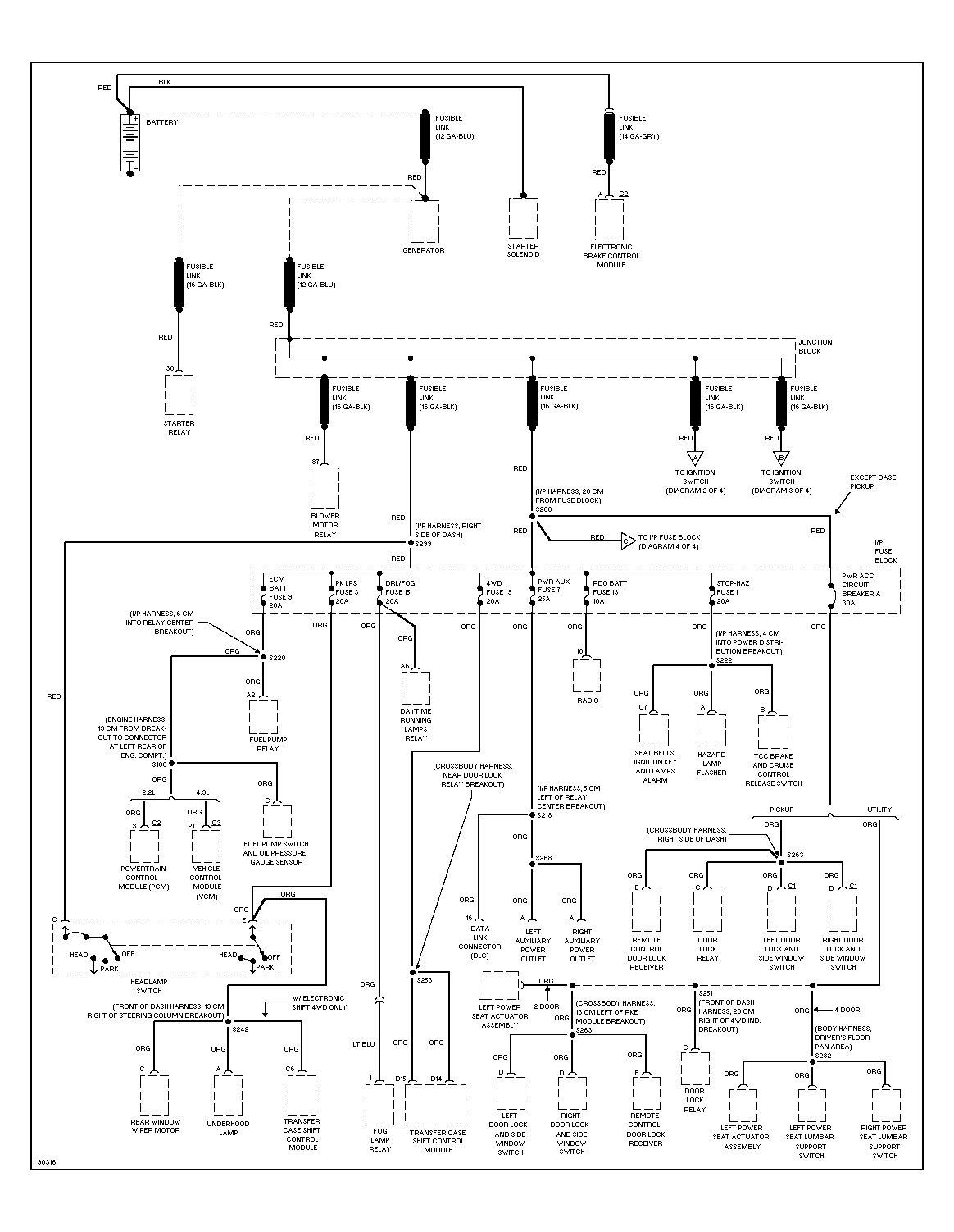
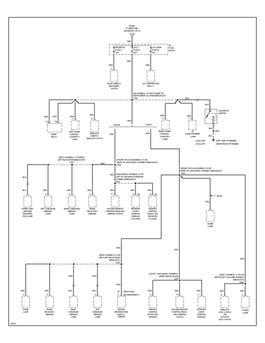
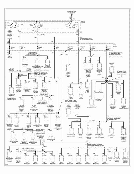
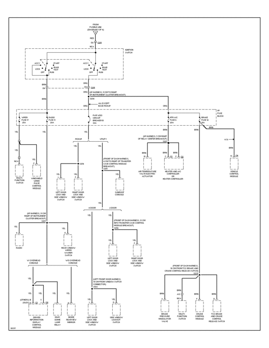
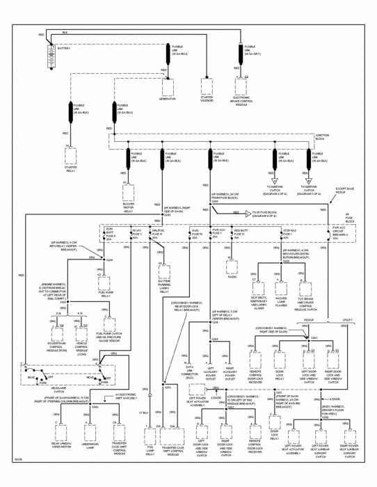
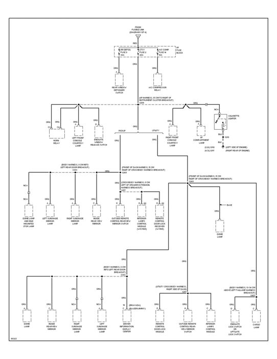
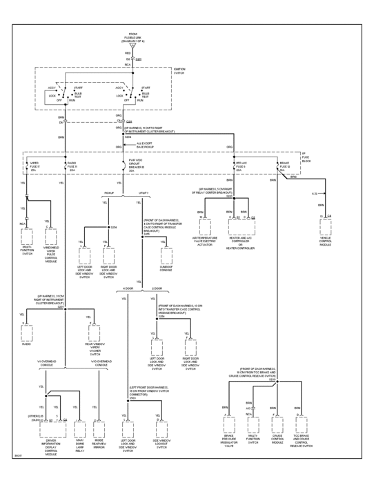
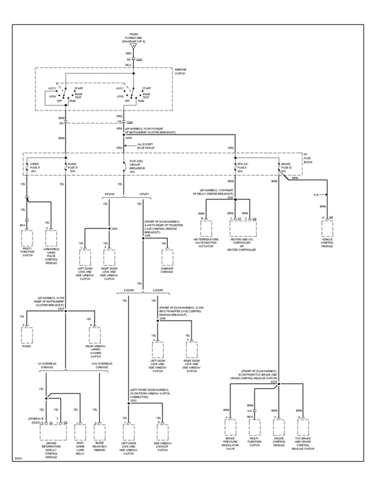
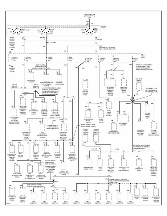
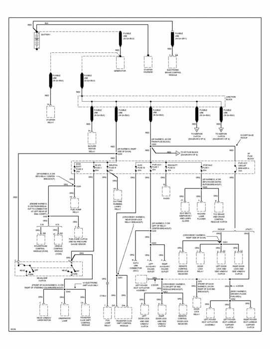
We have 4 diagrams for now----there are 41 total I can get---mostly for specific systems and 4 of 'em are "Engine Performance" for VIN "W"

Let me know about any others you want!

These 4 are "Power Distribution" (fuse boxes and such)

Let me know if you cannot read 'em, I will explain how I can get them to you safely, without you plastering your Email Address, in "open forum" for the world to see!

Here they are, I never know how they look, on site, until I post 'em!

The Medic
Was this
answer
helpful?
Yes
No
Thursday, August 4th, 2011 AT 3:49 AM

Please login or register to post a reply.