Alternator good still no charge

Tiny
ANONYMOUS
  • MEMBER
  • 1997 FORD F-250
  • 45,000 MILES
Alternator good still no charge
Saturday, December 22nd, 2012 AT 6:46 PM

1 Reply

Tiny
CJ MEDEVAC
  • MECHANIC
  • 11,005 POSTS
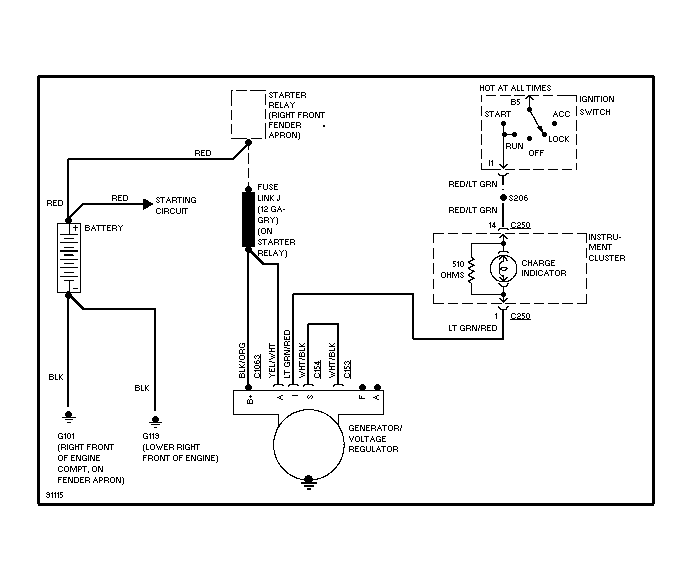
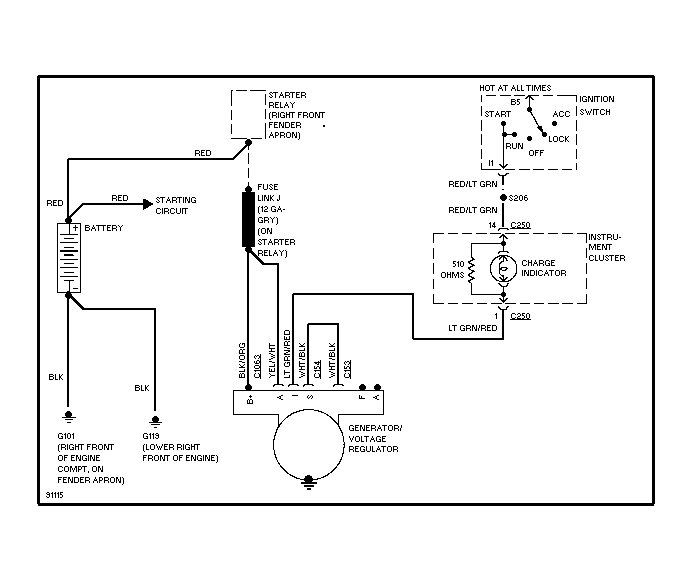
NO ENGINE SIZE GIVEN.I MADE DO!

I GOT YOU TWO DIAGRAMS---LOOK FOR ANYTHING ALONG THE WAY THAT COULD INTERRUPT POWER REACHING THE ALTERNATOR (TO POWER THE FIELDS)---OR INTERRUPT POWER FROM THE ALTERNATOR REACHING THE BATTERY

1ST DIAGRAM IS THE "5.8 LITER"

2ND DIAGRAM IS THE "7.5 LITER"

THEY MAY BE EXACTLY THE SAME----I DID NOT INVESTIGATE---WIFEY HAS ME RUNNIN' OUT THE DOOR NOW

GOOD LUCK

KEEP US POSTED ON PROGRESS.I CAN GET OTHER DIAGRAMS IF NEED-BE!

THE MEDIC
Was this
answer
helpful?
Yes
No
Saturday, December 22nd, 2012 AT 7:35 PM

Please login or register to post a reply.