1997 Camaro rs missing adapter to alternator

Tiny
BRANDONBSHORTYAM
  • MEMBER
  • 1997 CHEVROLET CAMARO
  • 197,000 MILES
It has a wire going to the batt. The replacement part has 4 wires but I only have one cut wire near the alternator. I need to know where the wires are located and how to connect to the adapter.
Tuesday, January 24th, 2012 AT 11:13 PM

6 Replies

Tiny
CARADIODOC
  • MECHANIC
  • 34,453 POSTS
What replacement part? What kind of adapter? You only need a single wire, usually brown, in the plug, and the fat battery wire bolted to the terminal on the back, to make it work.
Was this
answer
helpful?
Yes
No
+1
Wednesday, January 25th, 2012 AT 2:35 AM
Tiny
RASMATAZ
  • MECHANIC
  • 75,992 POSTS
See below
Was this
answer
helpful?
Yes
No
Wednesday, January 25th, 2012 AT 3:17 AM
Tiny
BRANDONBSHORTYAM
  • MEMBER
  • 4 POSTS
I went to autozone and they showed a pic of the connector and it had 4 wires, thank you for the reply.
Was this
answer
helpful?
Yes
No
Wednesday, January 25th, 2012 AT 8:53 PM
Tiny
BRANDONBSHORTYAM
  • MEMBER
  • 4 POSTS
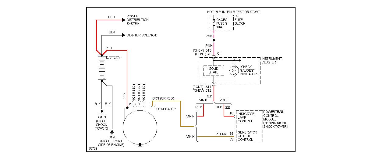
Here is the connector, which wire do I connect to the brown one?
Was this
answer
helpful?
Yes
No
Thursday, January 26th, 2012 AT 5:50 PM
Tiny
CARADIODOC
  • MECHANIC
  • 34,453 POSTS
I can't remember which terminal is the right one but if there are letters, (f, s, p, l), molded onto the plug, you want terminal "L" for the dash light.

Two of the other terminals are not used. Terminal "P" is only used on diesel engine for the tach signal. If there's no letters molded onto the plug or cast onto the housing, when you connect the car's brown wire to the correct terminal, the battery light should turn on when the ignition switch is turned on. You can do the same thing with a test light. Connect the ground clip to the battery's positive terminal, then touch the probe to the wires in the plug. When you touch the right terminal, the test light will light up indicating it's trying to turn on the system. At that point the generator will start working when the engine is running, and the test light will be turned off.

You can also just look at another generator on a car in any salvage yard or used car lot.
Was this
answer
helpful?
Yes
No
Thursday, January 26th, 2012 AT 7:51 PM
Tiny
BRANDONBSHORTYAM
  • MEMBER
  • 4 POSTS
Thanks for the help people, been trying to figure this out for awhile and nobody local has seemed to know or want to help.
Was this
answer
helpful?
Yes
No
Thursday, January 26th, 2012 AT 9:27 PM

Please login or register to post a reply.